电脑桌面
添加小米粒文库到电脑桌面
安装后可以在桌面快捷访问

基础接地装置安装技术交底VIP专享VIP免费

基础接地装置安装技术交底_第1页
1/9
基础接地装置安装技术交底_第2页
2/9
基础接地装置安装技术交底_第3页
3/9
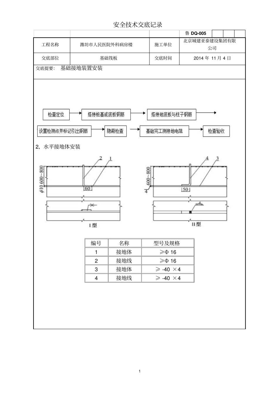
安全技术交底记录1 鲁 DQ-005工程名称潍坊市人民医院外科病房楼施工单位北京城建亚泰建设集团有限公司交底部位基础筏板交底时间2014 年 11 月 4 日交底提要: 基础接地装置安装2、水平接地体安装编号名称型号及规格1 接地体≥Φ 16 2 接地线≥Φ 16 3 接地体≥ -40 ×4 4 接地线≥ -40 ×4 安全技术交底记录2 鲁 DQ-005工程名称潍坊市人民医院外科病房楼施工单位北京城建亚泰建设集团有限公司交底部位基础筏板交底时间2014 年 11 月 4 日交底提要: 基础接地装置安装安全技术交底记录3 鲁 DQ-005工程名称潍坊市人民医院外科病房楼施工单位北京城建亚泰建设集团有限公司交底部位基础筏板交底时间2014 年 11 月 4 日交底提要: 基础接地装置安装桩基内钢筋做接地装置做法图安全技术交底记录4 鲁 DQ-005工程名称潍坊市人民医院外科病房楼施工单位北京城建亚泰建设集团有限公司交底部位基础筏板交底时间2014 年 11 月 4 日交底提要: 基础接地装置安装安全技术交底记录5 鲁 DQ-005工程名称潍坊市人民医院外科病房楼施工单位北京城建亚泰建设集团有限公司交底部位基础筏板交底时间2014 年 11 月 4 日交底提要: 基础接地装置安装安全技术交底记录6 鲁 DQ-005工程名称潍坊市人民医院外科病房楼施工单位北京城建亚泰建设集团有限公司交底部位基础筏板交底时间2014 年 11 月 4 日交底提要: 基础接地装置安装安全技术交底记录7 鲁 DQ-005工程名称潍坊市人民医院外科病房楼施工单位北京城建亚泰建设集团有限公司交底部位基础筏板交底时间2014 年 11 月 4 日交底提要: 基础接地装置安装安全技术交底记录8 鲁 DQ-005工程名称潍坊市人民医院外科病房楼施工单位北京城建亚泰建设集团有限公司交底部位基础筏板交底时间2014 年 11 月 4 日交底提要: 基础接地装置安装安全技术交底记录9 鲁 DQ-005工程名称潍坊市人民医院外科病房楼施工单位北京城建亚泰建设集团有限公司交底部位基础筏板交底时间2014 年 11 月 4 日交底提要: 基础接地装置安装项目(专业)技术负责人交底人接受交底人注:本记录一式两份,一份交底单位存,一份接受交底单位存。山东省建设工程质量监督总站监制

1、当您付费下载文档后,您只拥有了使用权限,并不意味着购买了版权,文档只能用于自身使用,不得用于其他商业用途(如 [转卖]进行直接盈利或[编辑后售卖]进行间接盈利)。
2、本站所有内容均由合作方或网友上传,本站不对文档的完整性、权威性及其观点立场正确性做任何保证或承诺!文档内容仅供研究参考,付费前请自行鉴别。
3、如文档内容存在违规,或者侵犯商业秘密、侵犯著作权等,请点击“违规举报”。

碎片内容

基础接地装置安装技术交底

确认删除?
VIP
微信客服
  • 扫码咨询
会员Q群
  • 会员专属群点击这里加入QQ群
客服邮箱
回到顶部