电脑桌面
添加小米粒文库到电脑桌面
安装后可以在桌面快捷访问

塑料件结构设计加强筋设计分析VIP免费

塑料件结构设计加强筋设计分析_第1页
1/9
塑料件结构设计加强筋设计分析_第2页
2/9
塑料件结构设计加强筋设计分析_第3页
3/9
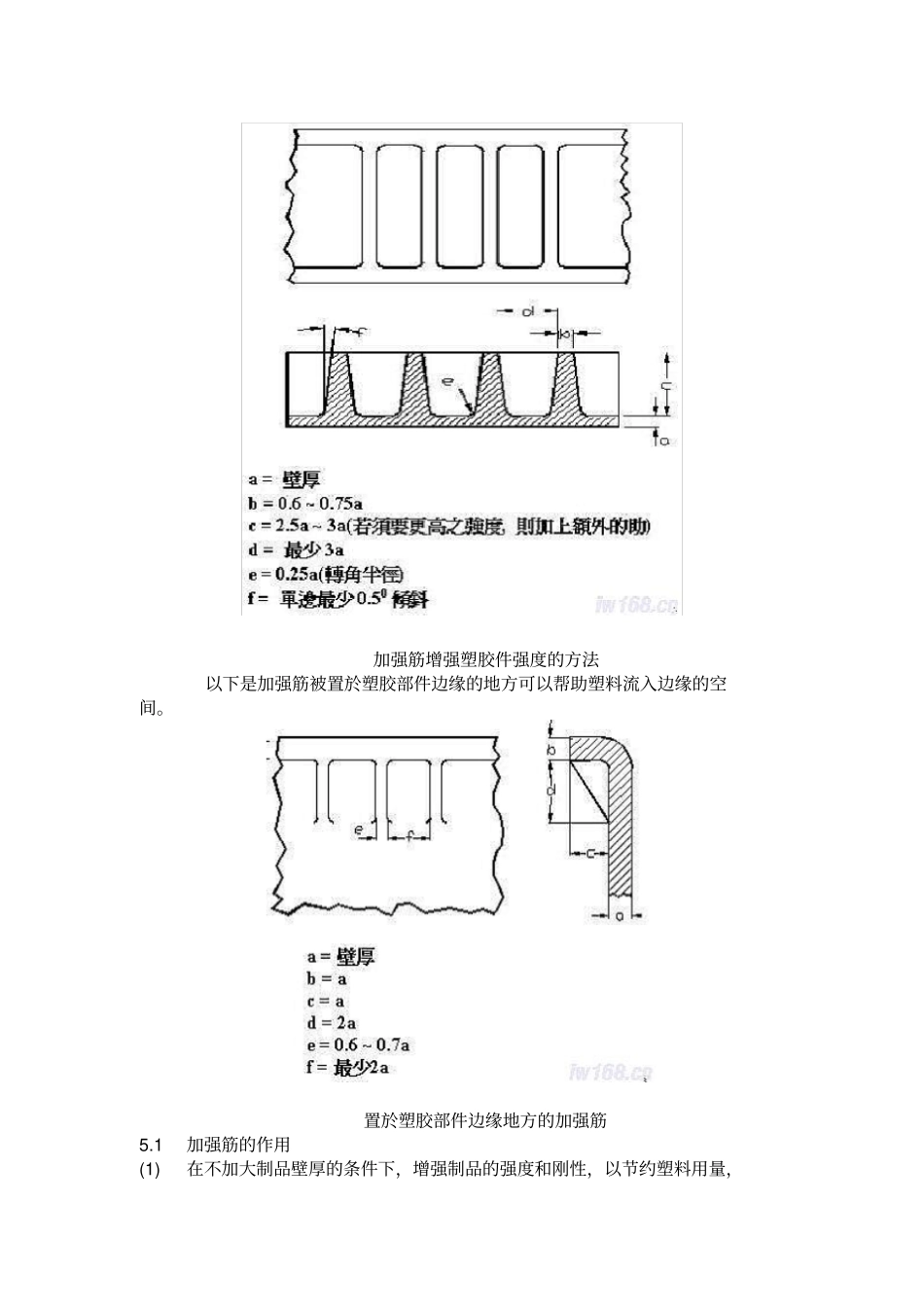
塑料件结构设计 - (5)加强筋设计浏览 发布时间15/05/10基本设计守则加强筋在塑胶部件上是不可或缺的功能部份。加强筋有效地如『工』字型,增加产品的刚性和强度而无需大幅增加产品切面面积,但没有如『工』字型筋,倒扣结构将难於成型,对一些经常受到压力、扭力、弯曲的塑胶产品尤其适用。此外,加强筋更可充当内部流道,有助模腔充填,对帮助塑料流入部件的支节部份很大的作用。加强筋一般被放在塑胶产品的非接触面,其伸展方向应跟随产品最大应力和最大偏移量的方向, 选择加强筋的位置亦受制於一些生产上的考虑,如模腔充填、缩水及脱模等。 加强筋的长度可与产品的长度一致,两端相接产品的外壁,或只占据产品部份的长度, 用以局部增加产品某部份的刚性。要是加强筋没有接上产品外壁的话, 末端部份亦不应突然终止, 应该渐次地将高度减低, 直至完结,从而减少出现困气、 填充不满及烧焦痕等问题, 这些问题经常发生在排气不足或封闭的位置上。加强筋一般的设计加强筋最简单的形状是一条长方形的柱体附在产品的表面上,不过为了满足一些生产上或结构上的考虑, 加强筋的形状及尺寸须要改变成如以下的图一般。加强筋的两边必须加上出模角以减低脱模顶出时的摩擦力,底部相接产品的位置必须加上圆角以消除应力过分集中的现象,圆角的设计亦给与流道渐变的形状使模腔充填更为流畅。 此外,底部的宽度须较相连外壁的厚度为小,产品厚度与加强筋尺寸的关系图a 说明这个要求。图中加强筋尺寸的设计虽然已按合理的比例,但当从加强筋底部与外壁相连的位置作一圆圈R1时,图中可见此部分相对外壁的厚度增加大约50%因此,此部份出现缩水纹的机会相当大。如果将加强筋底部的宽度相对产品厚度减少一半( 产品厚度与加强筋尺寸的关系图b) ,相对位置厚度的增幅即减至大约20%,缩水纹出现的机会亦大为减少。由此引伸出使用两条或多条矮的加强筋比使用单一条高的加强筋较为优胜,但当使用多条加强筋时, 加强筋之间的距离必须较相接外壁的厚度大。加强筋的形状一般是细而长,加强筋一般的设计图说明设计加强筋的基本原则。留意过厚的加强筋设计容易产生缩水纹、空穴、变形挠曲及夹水纹等问题,亦会加长生产周期,增加生产成本。(www.iw168.cn) 产品厚度与加强筋尺寸的关系为避免缩水,筋的根部为 0.6T,筋的高度为 2 T ( 最大不过 3T), 底部圆角为 R=0.125T, 拔模斜度为 0.5 ° ~1.5° ,筋的方向最好和 GATE同向. 筋间...

1、当您付费下载文档后,您只拥有了使用权限,并不意味着购买了版权,文档只能用于自身使用,不得用于其他商业用途(如 [转卖]进行直接盈利或[编辑后售卖]进行间接盈利)。
2、本站所有内容均由合作方或网友上传,本站不对文档的完整性、权威性及其观点立场正确性做任何保证或承诺!文档内容仅供研究参考,付费前请自行鉴别。
3、如文档内容存在违规,或者侵犯商业秘密、侵犯著作权等,请点击“违规举报”。

碎片内容

塑料件结构设计加强筋设计分析

您可能关注的文档

确认删除?
VIP
微信客服
  • 扫码咨询
会员Q群
  • 会员专属群点击这里加入QQ群
客服邮箱
回到顶部