电脑桌面
添加小米粒文库到电脑桌面
安装后可以在桌面快捷访问

塔里木油田工程技术专业系列量化评审评价标准VIP免费

塔里木油田工程技术专业系列量化评审评价标准_第1页
1/11
塔里木油田工程技术专业系列量化评审评价标准_第2页
2/11
塔里木油田工程技术专业系列量化评审评价标准_第3页
3/11
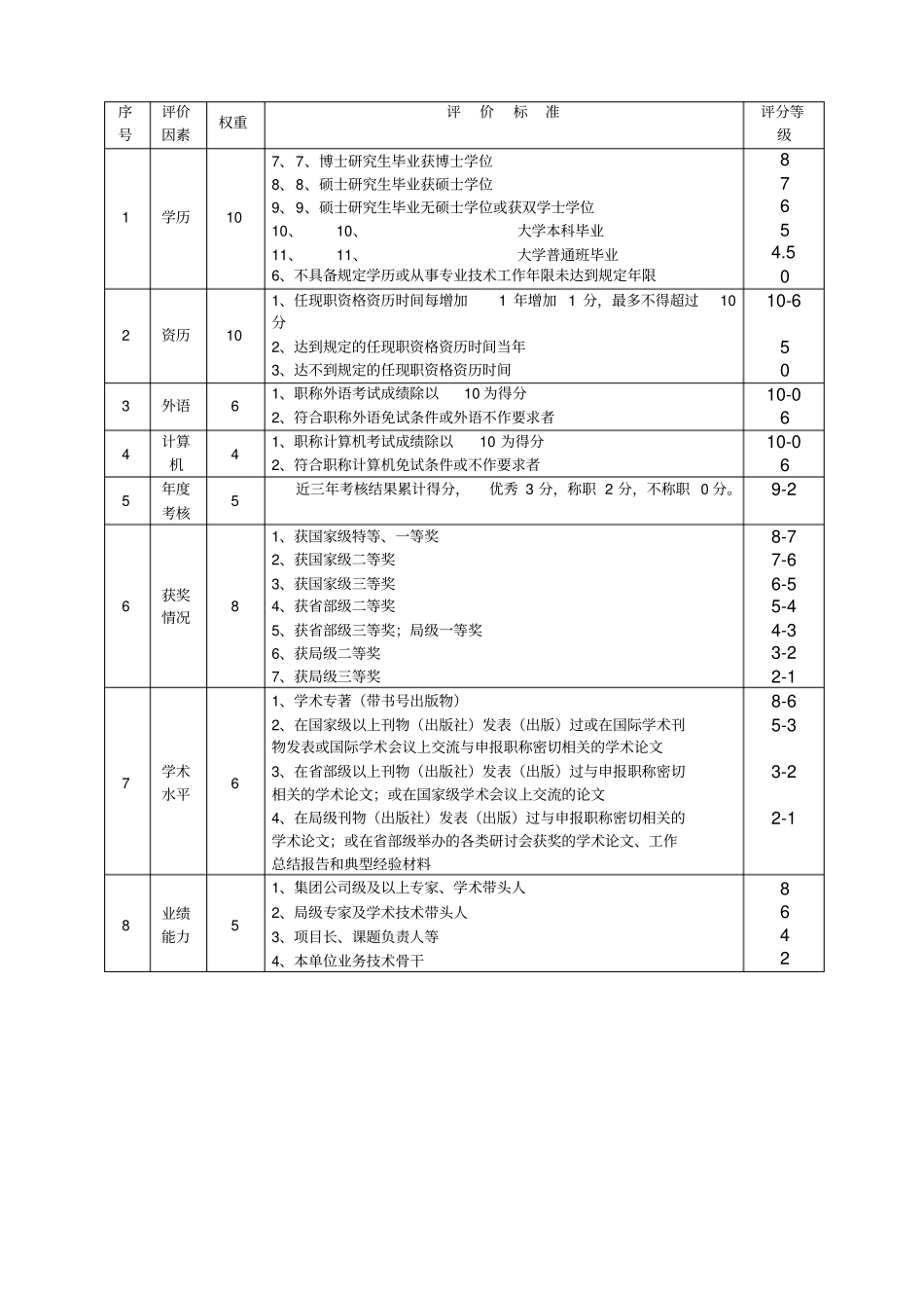
塔里木油田工程技术专业系列量化评审评价标准序号评价因素权重评价标准评分等级1学历101、1、博士研究生毕业获博士学位2、2、硕士研究生毕业获硕士学位3、3、硕士研究生毕业无硕士学位或获双学士学位4、4、大学本科毕业5、5、大学普通班毕业6、6、大学专科毕业7、不具备规定学历或从事专业技术工作年限未达到规定年限87654.5402资历101、任现职资格资历时间每增加1 年增加 1 分,最多不得超过10 分2、达到规定的任现职资格资历时间当年3、达不到规定的任现职资格资历时间10-6503外语61、职称外语考试成绩除以10 为得分2、符合职称外语免试条件或外语不作要求者10-064计算机41、职称计算机考试成绩除以10 为得分2、符合职称计算机免试条件或不作要求者10-065年度考核5近三年考核结果累计得分,优秀3 分,称职 2 分,不称职0 分。9-26工作成果151、获国家级特等、一等奖2、获国家级二等奖;开发、研制新产品,推广应用新技术、新工艺经济效益显著,获利1000 万元以上;投资在1000 万元以上的工程达优良,节约投资率在20%以上3、获国家级三等奖;省部级一等奖;开发、研制新产品,推广应用新技术、 新工艺经济效益显著,累计获利 800 万元以上; 投资在 1000万元以上的工程达优良,节约投资率在20%---15%之间4、获省部级二等奖;开发、研制新产品,推广应用新技术、新工艺经济效益显著,累计获利600 万元以上;投资在1000 万元以上的工程达优良,节约投资率15%--10%之间;获与申报职称密切相关的国家级荣誉称号5、获省部级三等奖;局级一等奖;开发、研制新产品,推广应用新技术、新工艺经济效益显著,累计获利400 万元以上;投资在1000万元以上的工程达优良,节约投资率在10%--5%之间; 获省部级优秀设计奖;获与申报职称密切相关的省部级荣誉称号6、获局级二等奖;探井、评价井优秀完井地质报告;开发、研制新产品,推广应用新技术、新工艺经济效益显著,累计获利100 万元以上;投资在1000 万元以上的工程达优良,节约投资率在5%--3%之间;获局级优秀设计奖;获与申报职称密切相关的局级荣誉称号7、获局级三等奖;开发、研制新产品,推广应用新技术、新工艺经济效益显著,累计获利50 万元以上;投资在1000 万元以上的工程达优良,节约投资率在3%--1%之间;获处级优秀成果奖10-89-78-67-56-45-34-27学术水平81、学术专著(带书号出版物)2、在国家级以上刊物(出版社)发表(出版)过或在国际学术刊物发表或国际学术会议上...

1、当您付费下载文档后,您只拥有了使用权限,并不意味着购买了版权,文档只能用于自身使用,不得用于其他商业用途(如 [转卖]进行直接盈利或[编辑后售卖]进行间接盈利)。
2、本站所有内容均由合作方或网友上传,本站不对文档的完整性、权威性及其观点立场正确性做任何保证或承诺!文档内容仅供研究参考,付费前请自行鉴别。
3、如文档内容存在违规,或者侵犯商业秘密、侵犯著作权等,请点击“违规举报”。

碎片内容

塔里木油田工程技术专业系列量化评审评价标准

您可能关注的文档

确认删除?
VIP
微信客服
  • 扫码咨询
会员Q群
  • 会员专属群点击这里加入QQ群
客服邮箱
回到顶部