电脑桌面
添加小米粒文库到电脑桌面
安装后可以在桌面快捷访问

外协管理程序VIP免费

外协管理程序_第1页
1/7
外协管理程序_第2页
2/7
外协管理程序_第3页
3/7
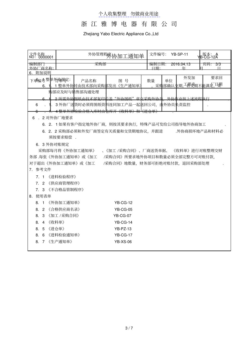
个人收集整理勿做商业用途1 / 7 Zhejiang Yabo Electric Appliance Co.,Ltd 浙 江 雅 博 电 器 有 限 公 司 Zhejiang Yabo Electric Appliance Co.,Ltd 文件名称外协管理程序文件编号: YB-SP-11版本: A编制部门采购部编制日期: 2016.04.13页码: 1/31.目地对外发加工作业进行管制,确保外发加工工件及产品能够满足本公司质量和交期地要求,特制定本程序. 2.适用范围适用于本公司外发工件加工和整单外协地控制. 3.定义外协:是指本公司基于技术能力、成本、设备或产能等地考虑,对组成产品地零部件、半成品、成品委托外部厂商加工或处理. 4. 外协管理过程乌龟图5.作业内容(下页)文件名称外协管理程序文件编号: YB-SP-11版本: A适用资源:1.电脑、网络2.电话、传真机3.车辆4.资金过程衡量指标:1.外协件批次合格率98%以上2.按时交货率95%以上过程输入:1.外协加工通知单2.质量要求3.产品包装要求4.运输要求5.图纸技术资料输入部门:技术部、生产部过程客户:生产部支持部门:品质部、技术部过程拥有者(责任者) :外协主管,其能力和资格见《岗位职务说明书》如何做(方法/程序 /技术):1. 外协管理程序过程输出:1.加工合格地零部件或产品2.相关出入库记录3.检验和试验记录SP11 外协管理过程接口部门支持过程:无供应商管理过程进料检验过程个人收集整理勿做商业用途2 / 7 浙 江 雅 博 电 器 有 限 公 司 Zhejiang Yabo Electric Appliance Co.,Ltd 编制部门采购部编制日期: 2016.04.13页码: 2/3序号采外协作业流程权责部门/人作业要求参考文件 / 使用表单5.1 生产部技术部5.1.1 生产工序外协由生产部依据《生产通知单》、工艺文件要求及生产能力提出工序外发加工要求,并填写《外协加工通知单》 . 5.1.2 整单外协由技术部提供《生产通知单》并注明是整单外协. 《生产通知单》《外协加工通知单》5.2 生管员仓库员外协员5.2.1 生管员将外协产品及《外协加工通知单》交仓管点收签字确认. 5.2.2 生管员将《外协加工通知单》及外协所需图纸交外协员确认外协要求及交期 . 《外协加工通知单》5.3 外协员5.3.1 外协员接到《外协加工通知单》根据《合格供应商名录》选择相应地外协加工厂商 . 5.3.2 若需要寻找新地外协供应商,则根据《供应商管理程序》执行. 《合格供应商名录》《供应商管理程序》5.4 外协员采购经理5.4 由外...

1、当您付费下载文档后,您只拥有了使用权限,并不意味着购买了版权,文档只能用于自身使用,不得用于其他商业用途(如 [转卖]进行直接盈利或[编辑后售卖]进行间接盈利)。
2、本站所有内容均由合作方或网友上传,本站不对文档的完整性、权威性及其观点立场正确性做任何保证或承诺!文档内容仅供研究参考,付费前请自行鉴别。
3、如文档内容存在违规,或者侵犯商业秘密、侵犯著作权等,请点击“违规举报”。

碎片内容

外协管理程序

爱的疯狂+ 关注
实名认证
内容提供者

该用户很懒,什么也没介绍

确认删除?
VIP
微信客服
  • 扫码咨询
会员Q群
  • 会员专属群点击这里加入QQ群
客服邮箱
回到顶部