电脑桌面
添加小米粒文库到电脑桌面
安装后可以在桌面快捷访问

物业公司保洁管理表格VIP免费

物业公司保洁管理表格_第1页
1/11
物业公司保洁管理表格_第2页
2/11
物业公司保洁管理表格_第3页
3/11
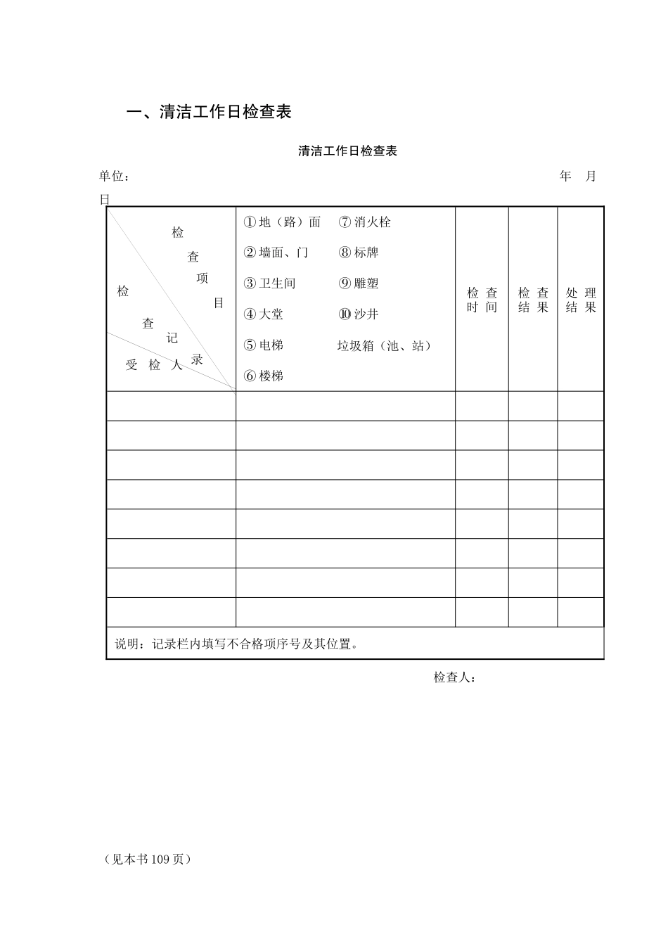
物业公司保洁管理表格一、清洁工作日检查表清洁工作日检查表单位: 年 月 日 ① 地(路)面⑦ 消火栓检 查时 间检 查结 果处 理结 果② 墙面、门⑧ 标牌③ 卫生间⑨ 雕塑④ 大堂⑩ 沙井⑤ 电梯垃圾箱(池、站)⑥ 楼梯说明:记录栏内填写不合格项序号及其位置。检查人:(见本书 109 页)检查项目检查记录受检 人二、清洁设备、设施清单清洁设备、设施清单班组: 年 月 日单位名称占地面积建筑面积业主数项 目单 位数 量备 注(见本书 110 页)三、清洁员岗位安排表清洁员岗位安排表单位: 年 月 日序 号姓 名岗 位 范 围主要工作任务备 注定岗人签字: 保洁部主任签字:说明:1. 由班长安排定岗,报管理处主任审批。2. 由管理处保存 3 年。(见本书 111 页)四、清洁工每月评分表清洁工每月评分表项目日期仪容仪表服务态度定时完成清洁情况洗手间茶水间公共走廊每日小评巡楼管理员签名123456789101112131415161718192021222324252627282930使用说明:1. 每项按实际情况评分,满分为 5 分。2. 每日小评为“优、良、中、差”等级,优为 26 分以上,良为 21~26 分,中为 18~21 分,差为 18分以下。(见本书 112 页)五、电梯清洁卫生职责划分表电梯清洁卫生职责划分表序号项目责任人清洁周期记录表格12345678…(见本书 113 页)六、楼层清洁每周抽查表楼层清洁每周抽查表年 月 日楼层情 况 记 录备注公共地茶水间男洗手间女洗手间抽查时间第 层第 层第 层第 层第 层第 层第 层第 层第 层第 层第 层第 层第 层第 层第 层第 层第 层抽查小结清洁责任人: 抽查人:(见本书 113 页)七、地面清洁每周考核表地面清洁每周考核表岗位: 年 月 日序号岗位考核内容项目分数实际得分备 注1地面无杂物、垃圾,道路干净302每日清倒、清洗垃圾桶,外观清洁203保持花坛、草地无杂物204招牌、宣传栏无明显积尘105中午、晚上做,实物干净20累 计100综合评语主管: 考核人:(见本书 114 页)八、会议室清洁检查表会议室清洁检查表岗位: 年 月 日日 期会议桌地 板窗 户门 柜灯 罩椅 子拍 板笔、笔擦电话机纸 杯窗 帘垃圾桶检查人12345678910111213141516171819202122232425262728293031注 “√”表示良好;“×”表示差。(见本书 115 页)九、清洁质量月总结报告清洁质量月总结报告报告人: 年 月 日区域(项目)总 结 内 容楼层清洁地面清洁消杀服务重大清洁服务管理部评语 管理部主管签字:总经理阅示 总经理签字:(见本书 116 页)

1、当您付费下载文档后,您只拥有了使用权限,并不意味着购买了版权,文档只能用于自身使用,不得用于其他商业用途(如 [转卖]进行直接盈利或[编辑后售卖]进行间接盈利)。
2、本站所有内容均由合作方或网友上传,本站不对文档的完整性、权威性及其观点立场正确性做任何保证或承诺!文档内容仅供研究参考,付费前请自行鉴别。
3、如文档内容存在违规,或者侵犯商业秘密、侵犯著作权等,请点击“违规举报”。

碎片内容

物业公司保洁管理表格

您可能关注的文档

海纳百川+ 关注
实名认证
内容提供者

热爱教学事业,对互联网知识分享很感兴趣

确认删除?
VIP
微信客服
  • 扫码咨询
会员Q群
  • 会员专属群点击这里加入QQ群
客服邮箱
回到顶部