电脑桌面
添加小米粒文库到电脑桌面
安装后可以在桌面快捷访问

某公司品管科部门守则VIP专享VIP免费

某公司品管科部门守则_第1页
1/16
某公司品管科部门守则_第2页
2/16
某公司品管科部门守则_第3页
3/16
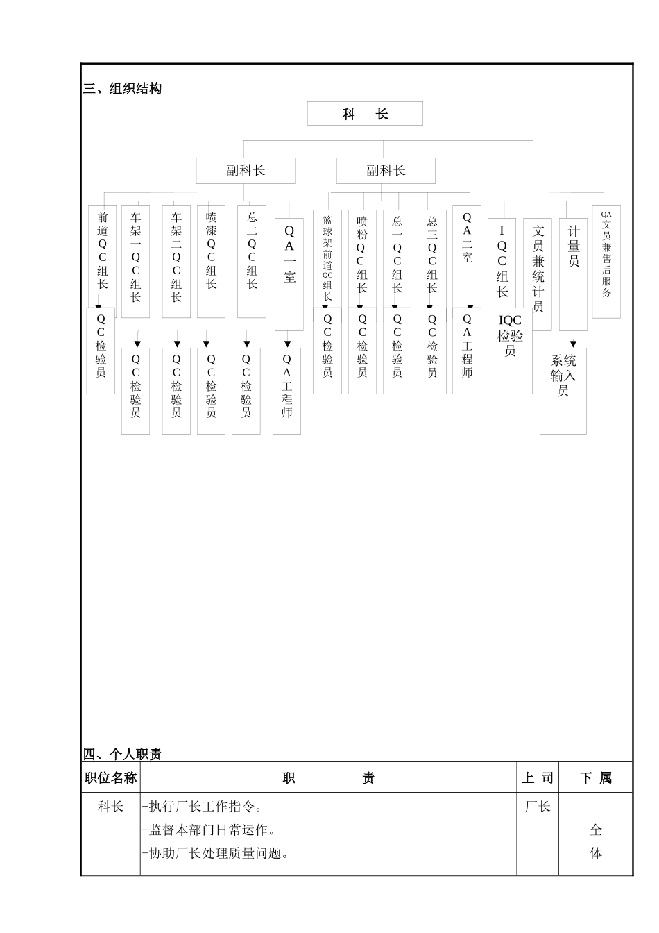
好孩子集团有限公司自行车事业部GOODBABY GROUP CO., BICYCLE DIVISION批 准审 核支宏法黄永恒品管科部门守则编码:Q/HHZ.ZX.PG日期:2004-07-12一. 部门资料 ● 部门名称品管科 ● 适用范围 品管科所有人员 ● 负责人 品管科科长 二.部门职能 2.1 负责工厂所有外购、外协件的进货检验及半成品、成品的检验工作,包括客户提供的产品。2.2 负责工厂所有过期物资及公司过期成品的复检工作。2.3 负责工厂所有与品质有关的资料、记录、报告并发至有关部门。2.4 跟进工厂商检的服务工作,协助品质保证部对成品的抽查。 2.5 负责工厂外购计量器具的管理。 2.6 负责工厂自制零件的每月合格率统计及外购件的质量情况汇总并报相关部门。 2.7 负责对封样件的封样内容进行审核。 2.8 参与新产品的工程试制阶段设计评审,参与工艺评审。 2.9 负责组织厂内/外购/外协件、自制件不合格品评审,并作好检验记录。2.10 负责工厂质检作业指导书、IQC 进货检验指导书的编制。2.11 负责工厂自制检具的管理。2.12 负责收集、汇总客户投诉及售后服务信息,作出纠正预防措施,跟踪验证,将处理结果知会相关部门。2.13 负责组织工厂的质量例会,对纠正措施的实施情况进行跟踪验证。2.14 负责参于 SQA 活动;编 写郭志明管理单位品管科三、组织结构 四、个人职责职位名称职 责上 司下 属科长-执行厂长工作指令。-监督本部门日常运作。-协助厂长处理质量问题。厂长全体副科长科 长副科长前道QC组长车架二QC组长喷漆QC组长QA一室篮球架前道QC组长喷粉QC组长总一QC组长总三QC组长文员兼统计员计量员IQC组长QC检验员QC检验员QC检验员QC检验员QA工程师QC检验员QC检验员QC检验员QC检验员IQC检验员系统输入员总二QC组长车架一QC组长QA二室QA文员兼售后服务QC检验员QA工程师-协调其他部门/公司/客户等处理质量问题。-负责本部门的人事调配及培训。-参加工程试制阶段的设计评审与工艺评审。-负责处理客户报怨、售后服务信息、品质反馈信息。-负责部门表单设计的审定。-负责 QC 资料的审核。-负责 IQC 所有质量报表的审核。-协调 IQC 的检验工作,保证及时准确检验。-负责处理有关外购外协件的质量问题。-负责对封样件的封样内容进行审核。 科员副科长-执行科长的工作指令。-负责有关质量检查、复核、评估。-负责汇报有关质量情况。-负责部门质量文件编制。-负责审查质检所有报告,对不合格品作出处理后呈科长。-负责与其它部门协...

1、当您付费下载文档后,您只拥有了使用权限,并不意味着购买了版权,文档只能用于自身使用,不得用于其他商业用途(如 [转卖]进行直接盈利或[编辑后售卖]进行间接盈利)。
2、本站所有内容均由合作方或网友上传,本站不对文档的完整性、权威性及其观点立场正确性做任何保证或承诺!文档内容仅供研究参考,付费前请自行鉴别。
3、如文档内容存在违规,或者侵犯商业秘密、侵犯著作权等,请点击“违规举报”。

碎片内容

某公司品管科部门守则

确认删除?
VIP
微信客服
  • 扫码咨询
会员Q群
  • 会员专属群点击这里加入QQ群
客服邮箱
回到顶部