电脑桌面
添加小米粒文库到电脑桌面
安装后可以在桌面快捷访问

科技园机楼-罗湖机楼144芯光缆施工组织方案(DOC12页)VIP免费

科技园机楼-罗湖机楼144芯光缆施工组织方案(DOC12页)_第1页
1/11
科技园机楼-罗湖机楼144芯光缆施工组织方案(DOC12页)_第2页
2/11
科技园机楼-罗湖机楼144芯光缆施工组织方案(DOC12页)_第3页
3/11
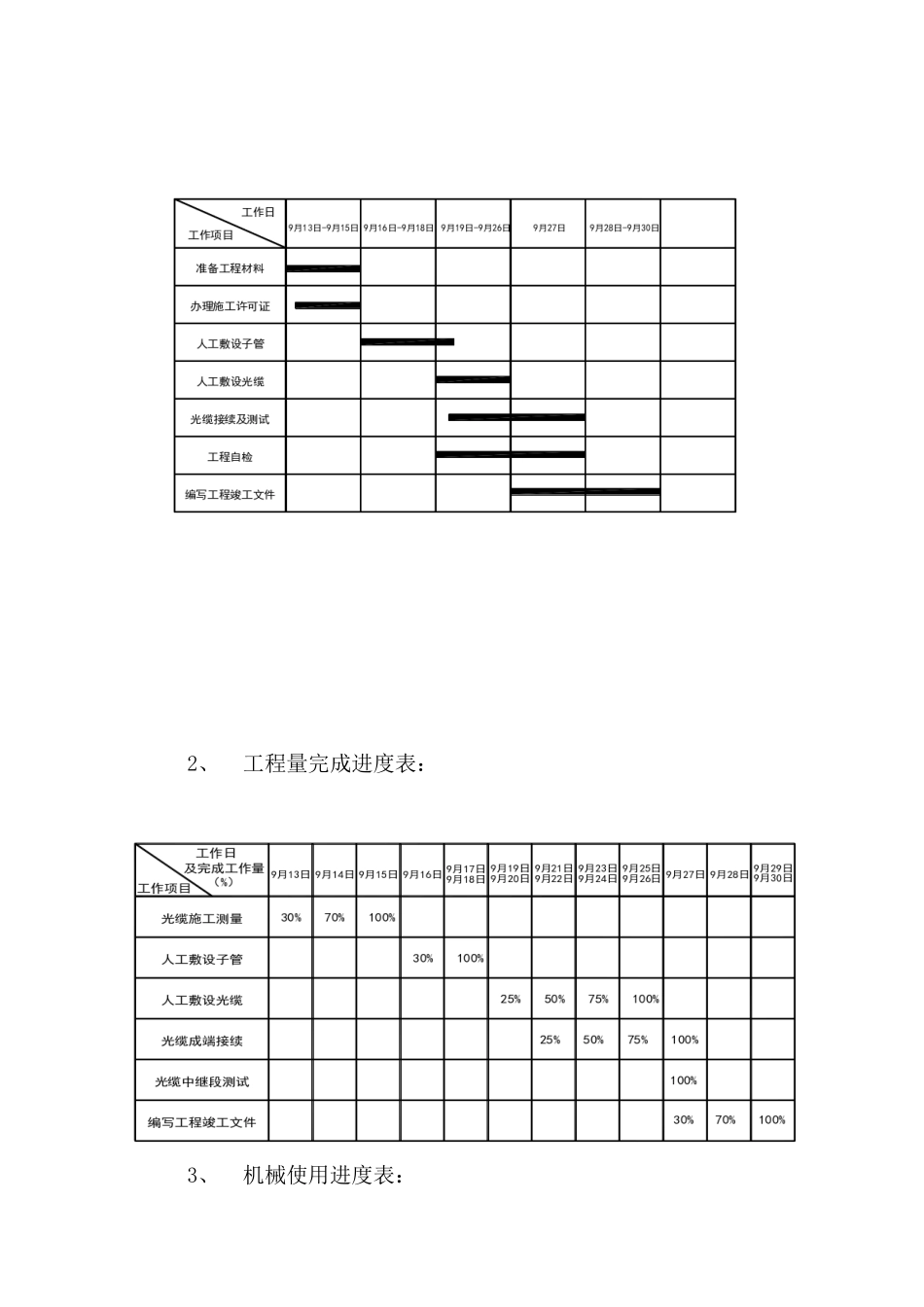
监理 编号:施工进度计划报审表工程名称: 致: 深圳市都信建设监理有限公司 (监理单位) 兹报上 年 第三 季 月 科技园机楼罗湖机楼芯光缆 工程施工进度计划,请审查和批准。附件: 施工进度计划(包括形象进度、工程量、工作量、机械、劳动力计划)施工单位(章) 项目经理 日 期 年月日 监理工程师审查意见: 监理工程师 日 期 总监理工程师审批意见: 项目监理机构(章) 总监理工程师 日 期 注:本表一式四份,建设单位、监理单位、施工单位、档案各一份。施工计划 建设单位:深大电话有限公司监理单位:都信监理公司设计单位:深圳市邮电规划设计有限公司施工单位:深圳市电信工程有限公司深 圳 市 电 信 工 程 有 限 公 司 年 月 日 编制: 审核: 批准:一、工程概述 本工程为深大电话有限公司科技园机楼罗湖机楼芯中继光缆工程,根据深圳市邮电规划设计有限公司设计:《科技园机楼罗湖机楼芯光缆线路工程一阶段设计》及深大电话有限公司工程立项及工程任务书立项编号:;工程编号:。工程施工日期为年月日至年月日,我公司据此制定了以下工程进度计划。二、工程进度表1、工程形象进度表:深大电话有限公司科技园机楼罗湖机楼芯中继光缆工程2、工程量完成进度表:3、机械使用进度表:4 、劳 动 力 使 用 表 :监理 编号:施工组织设计(方案)报审表工程名称: 致: 深圳市都信建设监理有限公司 (监理单位)我方已根据施工合同的有关规定完成了科技园机楼罗湖机楼芯光缆工程施工组织设计(方案)的编制,请予审查和批准。附:施工组织设计(方案) 施工单位(章) 项目经理 日 期 年月日 监理工程师审查意见: 监理工程师 日 期 总监理工程师审批意见: 项目监理机构(章) 总监理工程师 日 期 注:本表一式四份,建设单位、监理单位、施工单位、档案各一份。施工组织 方案建设单位:深大电话有限公司监理单位:都信监理公司设计单位:深圳市邮电规划设计有限公司施工单位:深圳市电信工程有限公司深 圳 市 电 信 工 程 有 限 公 司 年 月 日 编制: 审核: 批准:一、工程概述 科技园机楼罗湖机楼芯中继光缆工程是深大电话有限公司(技术发部)接入网中继光缆工程。本工程光缆端由科技园机楼地下一层机房引出,沿科苑路、滨海大道、滨河大道、金塘路、建设路、深南大道通 信 管 道 至 罗 湖 机 楼 机 房 (端)。光缆、端成端芯,...

1、当您付费下载文档后,您只拥有了使用权限,并不意味着购买了版权,文档只能用于自身使用,不得用于其他商业用途(如 [转卖]进行直接盈利或[编辑后售卖]进行间接盈利)。
2、本站所有内容均由合作方或网友上传,本站不对文档的完整性、权威性及其观点立场正确性做任何保证或承诺!文档内容仅供研究参考,付费前请自行鉴别。
3、如文档内容存在违规,或者侵犯商业秘密、侵犯著作权等,请点击“违规举报”。

碎片内容

科技园机楼-罗湖机楼144芯光缆施工组织方案(DOC12页)

确认删除?
VIP
微信客服
  • 扫码咨询
会员Q群
  • 会员专属群点击这里加入QQ群
客服邮箱
回到顶部