电脑桌面
添加小米粒文库到电脑桌面
安装后可以在桌面快捷访问

某省某市排水工程毕业设计说明书VIP免费

某省某市排水工程毕业设计说明书_第1页
1/95
某省某市排水工程毕业设计说明书_第2页
2/95
某省某市排水工程毕业设计说明书_第3页
3/95
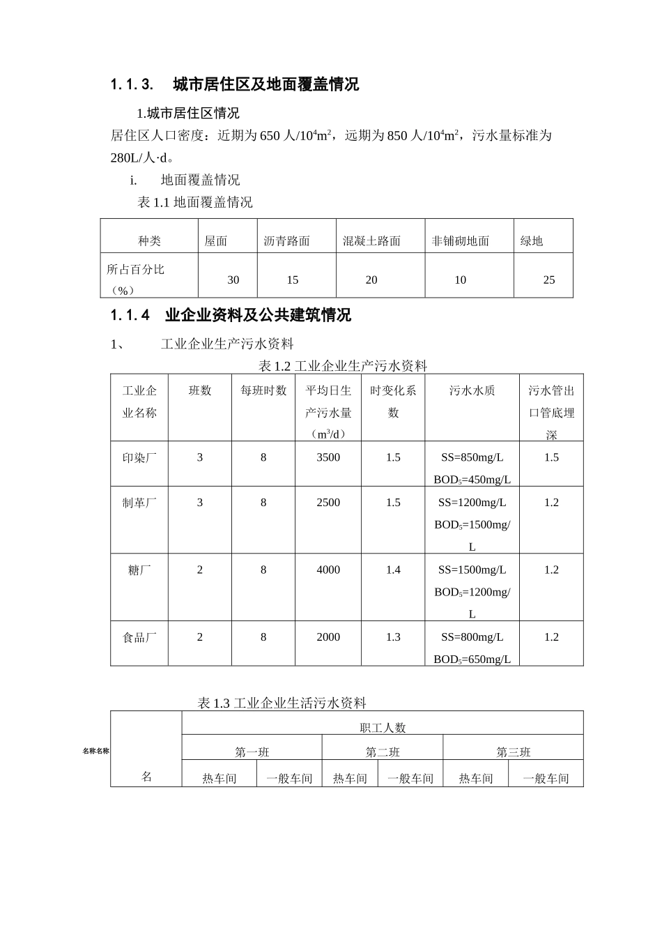
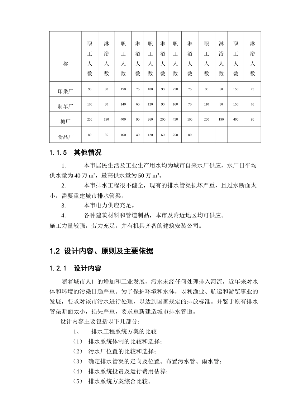
第一部分 **省南部某市排水工程设计说明书第 1 章 概述1.1 设计基础资料1.1.1. 地形及城市概况该市位于**南部的一座新兴城市,水陆交通方便,A 河自西向东穿过该市南郊。城市地形由西北向东南方向倾斜,海拔最高 50.50M。该城有 2 个工业区,工业区Ⅰ主要有棉纺印染厂和制革厂,工业区Ⅱ主要有糖厂和食品厂。今后工业发展主要在城市西南方向。现有该市市区地形图一张,比例为 1:5000,见附录 4 1.1.2. 自然条件1. 地质情况地面表土约 0.6M 厚,表土下层为粘土与砂质粘土,约厚 6M 左右,粘土层以下为含粘土的沙砾石层。地震等级 4~5 级,且地震较早发生。2. 气象资料最高气温 40.8℃,最低气温—6.2℃,历年平均气温 18.2℃,夏季平均气压为992.8 毫巴。全年主导风为东北风,夏季以西南风为主,最大风力 7 级,平均风力 3 级,最大风速 15.2m/s,平均风速 2.3m/s,年最高降雨量 1337mm,最低降雨量435mm,年平均降雨量 725.5mm。暴雨强度公式:q=(L/S*104m2)3. 水文资料A 河宽约 30~40M,河床标高为 24M 左右,河岸线标高为 32.5M 左右。A 河最大流量为 7000m3/s,最小流量为 40m3/s,平均流量为 80m3/s,最高水位30.00M,最低水位 26.00M,平均水位 28.00M,最大流速 2.9m/s,最小流速0.5m/s。河水最高水温为 28℃,最低水温为 7℃,平均水温为 14℃,河水中BOD5WEI 5mg/L,SS 为 40mg/L,DO 为 5.0mg/L,河床水体的耗氧常数为 0.1 日-1,复氧常数为 0.2 日-1。地下水距地表 6M,地下水温 10~16℃,地下水未受污染。1.1.3. 城市居住区及地面覆盖情况1.城市居住区情况 居住区人口密度:近期为 650 人/104m2,远期为 850 人/104m2,污水量标准为280L/人·d。i.地面覆盖情况表 1.1 地面覆盖情况1.1.4 业企业资料及公共建筑情况1、工业企业生产污水资料表 1.2 工业企业生产污水资料工业企业名称班数每班时数平均日生产污水量(m3/d)时变化系数污水水质污水管出口管底埋深印染厂3835001.5SS=850mg/LBOD5=450mg/L1.5制革厂3825001.5SS=1200mg/LBOD5=1500mg/L1.2糖厂2840001.4SS=1500mg/LBOD5=1200mg/L1.2食品厂2820001.3SS=800mg/LBOD5=650mg/L1.2 表 1.3 工业企业生活污水资料名称名称名职工人数第一班第二班第三班热车间一般车间热车间一般车间热车间一般车间种类屋面沥青路面混凝土路面非铺砌地面绿地所占百分比(%)3015201025称职工人数淋浴人数职工人数淋浴人数职...

1、当您付费下载文档后,您只拥有了使用权限,并不意味着购买了版权,文档只能用于自身使用,不得用于其他商业用途(如 [转卖]进行直接盈利或[编辑后售卖]进行间接盈利)。
2、本站所有内容均由合作方或网友上传,本站不对文档的完整性、权威性及其观点立场正确性做任何保证或承诺!文档内容仅供研究参考,付费前请自行鉴别。
3、如文档内容存在违规,或者侵犯商业秘密、侵犯著作权等,请点击“违规举报”。

碎片内容

某省某市排水工程毕业设计说明书

海纳百川+ 关注
实名认证
内容提供者

热爱教学事业,对互联网知识分享很感兴趣

确认删除?
VIP
微信客服
  • 扫码咨询
会员Q群
  • 会员专属群点击这里加入QQ群
客服邮箱
回到顶部