电脑桌面
添加小米粒文库到电脑桌面
安装后可以在桌面快捷访问

模块二典型零件的机械加工VIP免费

模块二典型零件的机械加工_第1页
1/5
模块二典型零件的机械加工_第2页
2/5
模块二典型零件的机械加工_第3页
3/5
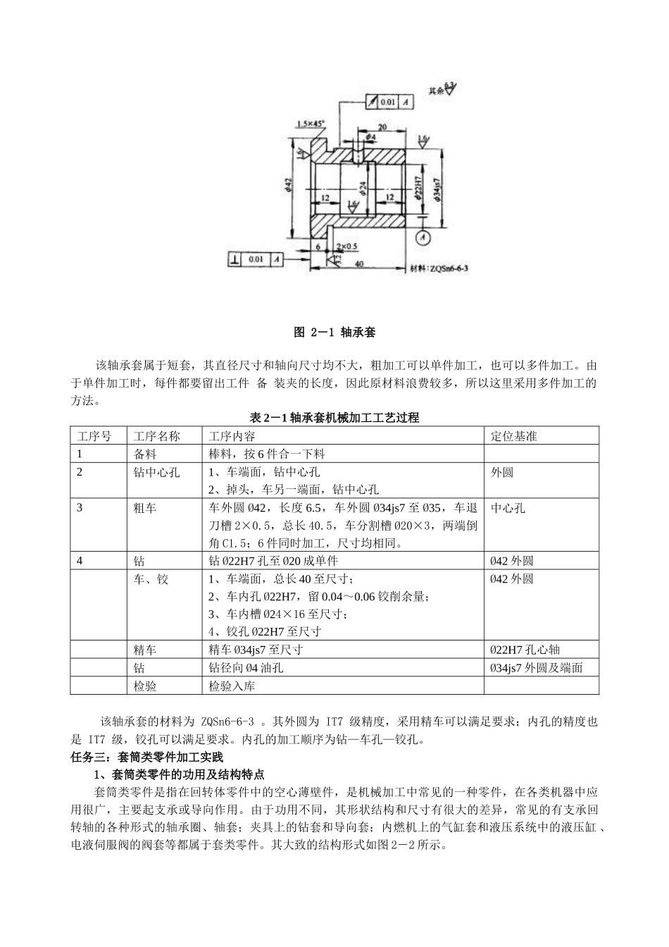
模块二 典型零件的机械加工项目二 套筒类零件加工工作任务 按工艺完成图 2-1 所示套筒类零件加工。图 2-1 轴承套任务分析:套筒类零件是指在回转体零件中的空心薄壁件,是机械加工中常见的一种零件,在各类机器中应用很广,主要起支承或导向作用。套筒类零件的结构与尺寸随其用途不同而异,但其结构一般都具有以下特点: 外圆直径 d 一般小于其长度 L,通常 L/d<5; 内孔与外圆直径之差较小, 故壁薄易变形较小 ;内外圆回转面的同轴度要求较高。任务一:孔加工刀具与机床1、钻床 (1)应用:钻床是用钻头在工件上加工孔的机床。通常用于加工尺寸较小,精度要求不太高的孔。可完成钻孔,扩孔,铰孔及攻螺纹等工作。 (2)运动分析:工件固定,刀具作旋转主运动,同时沿轴向作进给运动。 (3)钻床的主参数:最大钻孔直径 (4)分类: a.立式钻床:适用于中小工件的单件,小批量生产 b.摇臂钻床:适用于加工一些大而重的工件上的孔(工件不动,移动主轴) c.台式钻床:小型钻床,常安装在台桌上,用来加工直径<12mm 的孔。 d.深孔钻床及其他钻床 5.钻削特点:刀具刚性差,排屑困难,切削热不易排出 2、镗床 (1)应用:镗床是一种主要用镗刀在工件上加工孔的机床。通常用于加工尺寸较大,精度要求较高的孔,特别是分布在不同表面上,孔距和位置精度要求较高的孔。如箱体上的孔,还可以进行铣削,钻孔,扩孔,铰孔等工作。 (2)镗削特点:刀具结构简单,通用性达,可粗加工也可半精加工和精加工,适用批量较小的加工,镗孔质量取决于机床精度. (3)运动分析:主运动为镗刀的旋转运动,进给运动为镗刀或工件的移动。 (4)分类: a.卧式镗床 b.坐标镗床:是一种高精度的机床。主要特点:具有坐标位置的精密测量装置。 c.金刚镗床:一种高速精密镗床。主要特点:vc 很高,ap 和 f 很小,加工精度可达 IT5--IT6.Ra 达 0.63--0.08μm 3、孔加工刀具 一类是从实体材料种加工出孔的刀具,如:麻花钻,扁钻,中心钻和深孔钻等。另一类是对工件上已有孔进行再加工的刀具,常用的有扩孔钻,铰刀及镗刀。 ⑴ 麻花钻:是常见的孔加工刀具。一般用于实体材料上的粗加工。钻孔的尺寸精度为 IT11--IT12,Ra 为 50-12.5μm。加工范围为 0.1--80mm,以 φ30mm 以下时最常用。 ⑵ 中心钻:用来加工各种轴类工件的中心孔 ⑶ 深孔钻: 用于加工孔深 L 与孔径 D 之比 L/D≥20-100 的特殊深孔.在加工过程中,必须...

1、当您付费下载文档后,您只拥有了使用权限,并不意味着购买了版权,文档只能用于自身使用,不得用于其他商业用途(如 [转卖]进行直接盈利或[编辑后售卖]进行间接盈利)。
2、本站所有内容均由合作方或网友上传,本站不对文档的完整性、权威性及其观点立场正确性做任何保证或承诺!文档内容仅供研究参考,付费前请自行鉴别。
3、如文档内容存在违规,或者侵犯商业秘密、侵犯著作权等,请点击“违规举报”。

碎片内容

模块二典型零件的机械加工

墨香书阁+ 关注
实名认证
内容提供者

热爱教学事业,对互联网知识分享很感兴趣

确认删除?
VIP
微信客服
  • 扫码咨询
会员Q群
  • 会员专属群点击这里加入QQ群
客服邮箱
回到顶部