电脑桌面
添加小米粒文库到电脑桌面
安装后可以在桌面快捷访问

电力电子 研究生 试题VIP免费

电力电子 研究生 试题_第1页
1/8
电力电子 研究生 试题_第2页
2/8
电力电子 研究生 试题_第3页
3/8
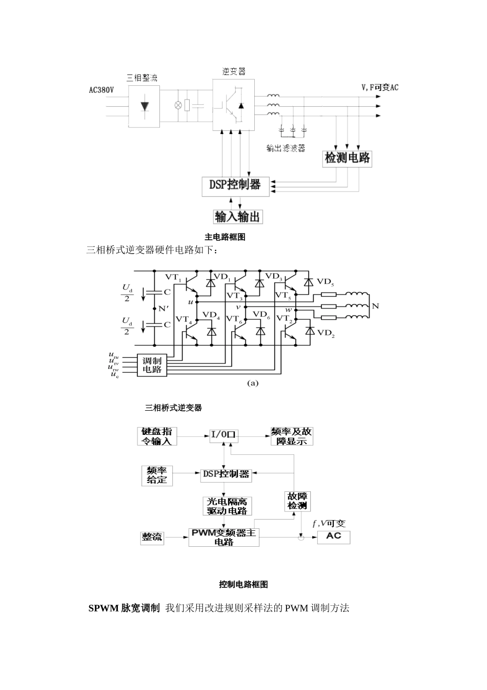
一、试设计采用 IGBT 模块和微机(或 DSP 等)构成的 SPWM 三相逆变系统,要求在 100HZ/150HZ 下调制,输出电压、电流和频率可调,试画出主电路和控制电路的硬件框图和软件流程图,并给出设计思路。并要求画出 u和 uv 的波形。设计思想:本方案以电压型逆变器(VSI)作为主工作电路,该逆变器为基于自关断器件 IGBT 的脉宽调制 SPWM 逆变器。直流端为一大电容,并由三相整流桥为其提供能量,R 为泻放电阻,L 为指示灯。VSI 的输出端接有输出滤波器,以此来滤除开关器件通断造成的高频毛刺,从而获得较为平滑的正弦波。当载波幅值一定时,调制波的幅值改变输出电压幅值(输出电压限值由直流电压决定),载波频率设定为 150Hz,调制波的频率为 100HZ,直接决定输出电压频率。注意事项:(1)必须采用输出滤波器,否则很难得到较为平滑的正弦波; (2)泻放电阻当整流断路器关断时泄放直流侧电容上的能量; (3)为了使输出电压的幅值和频率稳定须采用闭环控制。 主电路框图 三相桥式逆变器硬件电路如下: 三相桥式逆变器控制电路框图SPWM 脉宽调制 我们采用改进规则采样法的 PWM 调制方法 改进规则采样法设三角波的周期为 T,在相邻两个三角波负峰时刻 ti和 ti+T 对调制信号采样而得到 C 点和 D 点,过 C 点和 D 点作一直线和三角波分别交于 A 点和 B 点,在A 点的时刻 t1和 B 点的时刻 t2控制功率开关器件的通断。每个周期的采样时刻ti、三角波的周期 T 和幅值 H 都是确定的,设调制信号在 C 点和 D 点的值分别为 s1和 s2,则线段 CD 的方程为t−tis−s1=Ts2−s1三角波两腰的方程分别为t−tiS+H = T4 Ht−ti−TS+ H =− T4 H 分别联立方程上面三个方程,可解得 t1 和 t2 分别为t 1= T( H +s1)4 H+s1−s2+tit 2= T (3H −s1)4 H +s2−s1+t i这样,就得到了 PWM 控制信号的脉宽数据。然后,将 PWM 脉宽数据以串行通信的方式发送给 DSP,由 DSP 完成 PWM 控制信号的产生功能。 软件程序流程图三相电压输出波形如下:1、初级调压原理初级调压是通过改变闸管在每一个电源周期内的导通角的大小(相位控制)来调节输出电压的大小。电源通过调节变压器初级电压的大小,控制次级输出功率,这种线路形式可有效的减少整流器件损耗,提高设备的效率。线路形式如图 1 所示: 2. 双反星型整流上图为十二脉波二、 试设计一台低压大电流(100kA/6.5V)整流系...

1、当您付费下载文档后,您只拥有了使用权限,并不意味着购买了版权,文档只能用于自身使用,不得用于其他商业用途(如 [转卖]进行直接盈利或[编辑后售卖]进行间接盈利)。
2、本站所有内容均由合作方或网友上传,本站不对文档的完整性、权威性及其观点立场正确性做任何保证或承诺!文档内容仅供研究参考,付费前请自行鉴别。
3、如文档内容存在违规,或者侵犯商业秘密、侵犯著作权等,请点击“违规举报”。

碎片内容

电力电子 研究生 试题

您可能关注的文档

确认删除?
VIP
微信客服
  • 扫码咨询
会员Q群
  • 会员专属群点击这里加入QQ群
客服邮箱
回到顶部