电脑桌面
添加小米粒文库到电脑桌面
安装后可以在桌面快捷访问

电力集团某大型电气配件企业剪切工岗位说明书VIP专享VIP免费

电力集团某大型电气配件企业剪切工岗位说明书_第1页
1/2
电力集团某大型电气配件企业剪切工岗位说明书_第2页
2/2
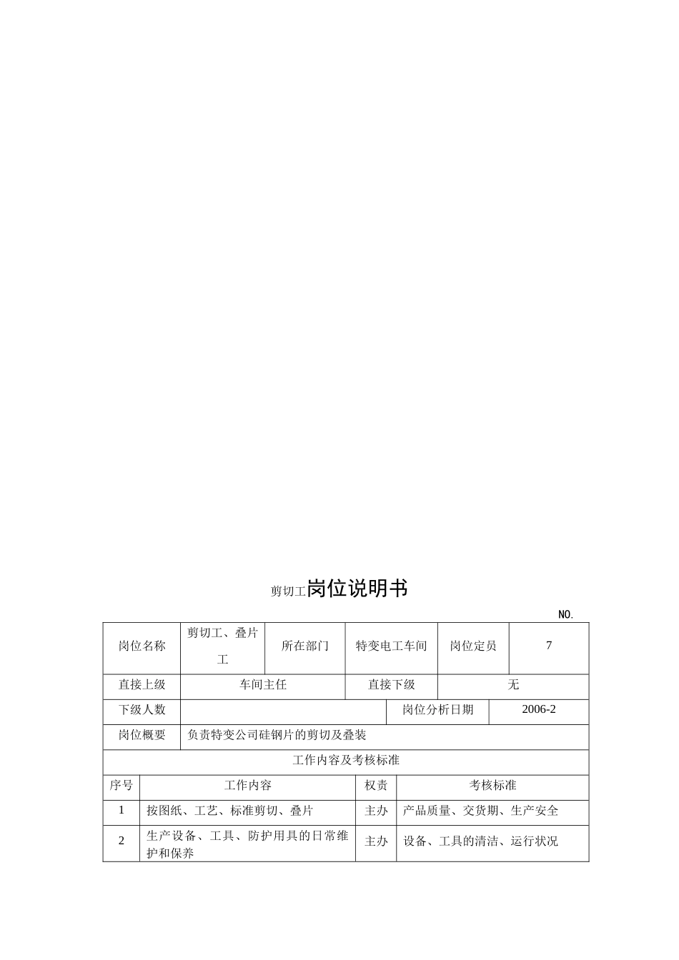
剪切工岗位说明书NO. 岗位名称剪切工、叠片工所在部门特变电工车间岗位定员7直接上级车间主任直接下级无下级人数岗位分析日期2006-2岗位概要负责特变公司硅钢片的剪切及叠装工作内容及考核标准序号工作内容权责考核标准1按图纸、工艺、标准剪切、叠片主办产品质量、交货期、生产安全2生产设备、工具、防护用具的日常维护和保养主办设备、工具的清洁、运行状况3生产场地的清洁主办场地保持清洁、整洁4其他临时交办的工作协办工作态度、及时性工作条件及协调1.工作环境:特变铁心组(接触噪声、粉尘)2.工作时间:随生产任务变化3 . 工 作 中 所 需 设备:乔格线、剪床4.工作协调:内部:叠片组、电工车间任职资格要求1. 知识剪片:中专以上学历,具备一定电气及机械专业基础知识。叠片:初中以上学历,具有剪床操作知识,了解工艺规程。2. 技能剪片:能熟练操作进口铁心横剪线,操作剪床。叠片:熟悉铁心装配图,熟悉铁心装配工艺,具备一定的剪床操作技能,能正确使用设备、工具3. 职业素养有安全、质量意识、认真负责、服从安排4. 工作经验需 1 年以上相关工作经验5. 所需业务、技能培训相关技术、安全、质量培训6. 其它审核: 批准:

1、当您付费下载文档后,您只拥有了使用权限,并不意味着购买了版权,文档只能用于自身使用,不得用于其他商业用途(如 [转卖]进行直接盈利或[编辑后售卖]进行间接盈利)。
2、本站所有内容均由合作方或网友上传,本站不对文档的完整性、权威性及其观点立场正确性做任何保证或承诺!文档内容仅供研究参考,付费前请自行鉴别。
3、如文档内容存在违规,或者侵犯商业秘密、侵犯著作权等,请点击“违规举报”。

碎片内容

电力集团某大型电气配件企业剪切工岗位说明书

墨香书阁+ 关注
实名认证
内容提供者

热爱教学事业,对互联网知识分享很感兴趣

确认删除?
VIP
微信客服
  • 扫码咨询
会员Q群
  • 会员专属群点击这里加入QQ群
客服邮箱
回到顶部