电脑桌面
添加小米粒文库到电脑桌面
安装后可以在桌面快捷访问

标准吊篮施工方案(DOC18页)VIP免费

标准吊篮施工方案(DOC18页)_第1页
1/24
标准吊篮施工方案(DOC18页)_第2页
2/24
标准吊篮施工方案(DOC18页)_第3页
3/24
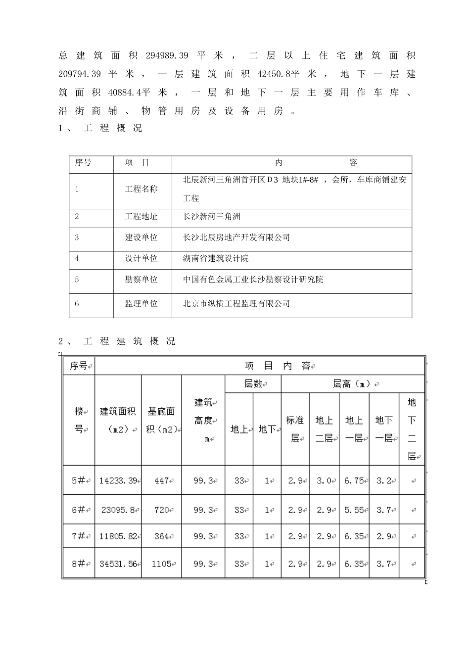
长 沙 新 河 三 角 洲电 动 吊 篮 施 工 方 案编 制 人 : 审 核 人 : 批 准 人 :编 制 时 间 : 2010 年 7 月 5 日目 录一 、 编 制 依 据 … … … … … … … … … … … … …… … … … … … … … … 2二 、 工 程 概 况 … … … … … … … … … … … … …… … … … … … … … … 2三 、 准 备 工 作 … … … … … … … … … … … … …… … … … … … … … … 3四 、 外 墙 施 工 用 电 动 吊 篮 的 型 号 及 说 明 … …… … … … … … … … … 3五 、 电 动 吊 篮 布 置 方 案 … … … … … … … … …… … … … … … … … … 4六 、 电 动 吊 篮 的 安 装 、 移 位 和 拆 除 方 案 … …… … … … … … … … … 4七 、 安 全 操 作 规 程 及 注 意 事 项 … … … … … … …… … … … … … … 8八 、 季 节 性 施 工 措 施 … … … … … … … … … … …… … … … … … … … 13九 、 验 算 、 验 收 … … … … … … … … … … … …… … … … … … … … … 13十 、 培 训 … … … … … … … … … … … … … … …… … … … … … … … … 16十 一 、 维 护 、 保 养 … … … … … … … … … … …… … … … … … … … … 17十 二 、 吊 篮 的 布 置 平 面 图 … … … … … … … …… … … … … … … … … 17电 动 吊 篮 施 工 方 案一 、 编 制 依 据 :1 、 长 沙 新 河 三 角 洲 建 筑 工 程 图 纸 ;2 、 长 沙 市 建 筑 工 程 施 工 安 全 操 作 规 程 ;3 、中华人民共和国高处作业吊篮标准GB19155-2003 ;4 、 机 械 设 计 手 册 ( 第 四 版 ) 。二 、 工 程 概 况 : 北 辰 新 河 三 角 洲 首 开 区 D 3 地 块 1#-8# , 会 所 ,车 库 商 铺 建 安 工 程 是 由 长 沙 北 辰 房 地 产 开 发 有 限 公司 投 资 兴 建 的 高 档 住...

1、当您付费下载文档后,您只拥有了使用权限,并不意味着购买了版权,文档只能用于自身使用,不得用于其他商业用途(如 [转卖]进行直接盈利或[编辑后售卖]进行间接盈利)。
2、本站所有内容均由合作方或网友上传,本站不对文档的完整性、权威性及其观点立场正确性做任何保证或承诺!文档内容仅供研究参考,付费前请自行鉴别。
3、如文档内容存在违规,或者侵犯商业秘密、侵犯著作权等,请点击“违规举报”。

碎片内容

标准吊篮施工方案(DOC18页)

您可能关注的文档

确认删除?
VIP
微信客服
  • 扫码咨询
会员Q群
  • 会员专属群点击这里加入QQ群
客服邮箱
回到顶部