电脑桌面
添加小米粒文库到电脑桌面
安装后可以在桌面快捷访问

FANUC0i系统数控车床概述VIP免费

FANUC0i系统数控车床概述_第1页
1/6
FANUC0i系统数控车床概述_第2页
2/6
FANUC0i系统数控车床概述_第3页
3/6
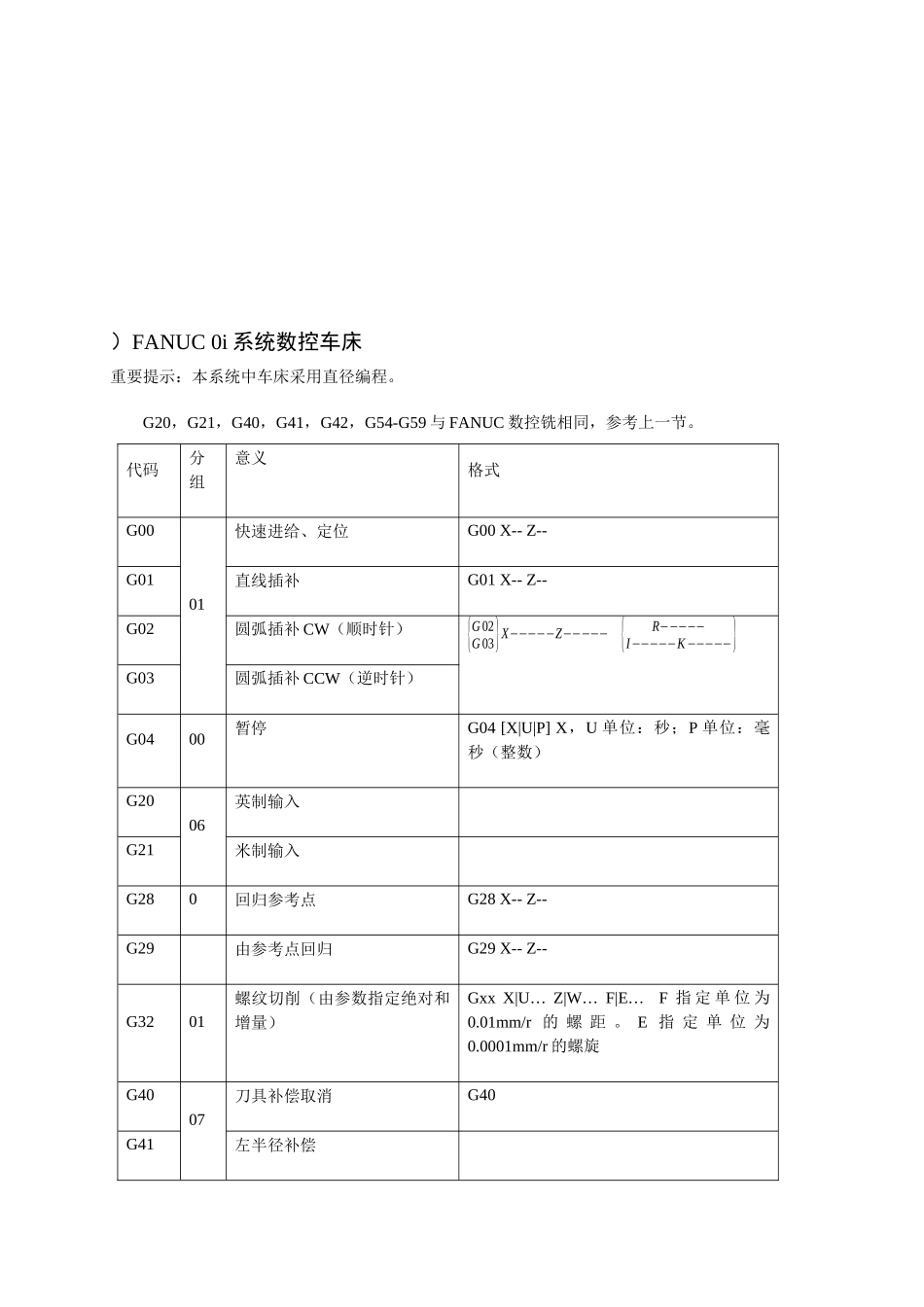
)FANUC 0i 系统数控车床重要提示:本系统中车床采用直径编程。G20,G21,G40,G41,G42,G54-G59 与 FANUC 数控铣相同,参考上一节。代码分组意义格式G0001快速进给、定位G00 X-- Z--G01直线插补G01 X-- Z--G02圆弧插补 CW(顺时针){G02G03}X−−−−−Z−−−−− {R−−−−−I−−−−−K−−−−−}G03圆弧插补 CCW(逆时针)G0400暂停G04 [X|U|P] X,U 单位:秒;P 单位:毫秒(整数)G2006英制输入G21米制输入G280回归参考点G28 X-- Z--G29由参考点回归G29 X-- Z--G3201螺纹切削(由参数指定绝对和增量)Gxx X|U… Z|W… F|E… F 指 定 单 位 为0.01mm/r 的 螺 距 。 E 指 定 单 位 为0.0001mm/r 的螺旋G4007刀具补偿取消G40G41左半径补偿{G41G42}DnnG42右半径补偿G5000设定工件坐标系:G50 X Z偏移工件坐标系:G50 U WG53机械坐标系选择G53 X-- Z--G5412选择工作坐标系 1GXXG55选择工作坐标系 2G56选择工作坐标系 3G57选择工作坐标系 4G58选择工作坐标系 5G59选择工作坐标系 6G7000精加工循环G70 Pns QnfG71外园粗车循环G71 UΔd Re G71 Pns Qnf UΔu WΔw Ff G72端面粗切削循环G72 W(Δd) R(e)G72 P(ns) Q(nf) U(Δu) W(Δw) F(f) S(s) T(t)Δd:切深量e:退刀量ns:精加工形状的程序段组的第一个程序段的顺序号nf:精加工形状的程序段组的最后程序段的顺序号Δu:X 方向精加工余量的距离及方向Δw:Z 方向精加工余量的距离及方向G73封闭切削循环G73 Ui WΔk RdG73 Pns Qnf UΔu WΔw FfG74端面切断循环G74 R(e)G74 X(U)_Z(W)_P(Δi)Q(Δk)R(Δd)F(f)e:返回量Δi:X 方向的移动量Δk:Z 方向的切深量Δd:孔底的退刀量f:进给速度G75内径/外径切断循环G75 R(e)G75 X(U)_Z(W)_P(Δi)Q(Δk)R(Δd)F(f)G76复合形螺纹切削循环G76 P(m) (r) (a) Q(Δdmin) R(d)G76 X(u)_Z(W)_R(i) P(k)Q(Δd)F(l)m:最终精加工重复次数为 1—99r:螺纹的精加工量(倒角量)a:刀尖的角度(螺牙的角度)可选择80,60,55,30,29,0 六个种类m,r,a;同用地址 P 一次指定Δdmin:最小切深度i:螺纹部分的半径差k:螺牙的高度Δd:第一次的切深量l:螺纹导程G9001直线车削循环加工G90 X(U)--- Z(W)--- F---G90 X(U)--- Z(W)--- R--- F---G92螺纹车削循环G92 X(U)--- Z(W)--- F---G92 X(U)--- Z(W)--- R--- F---G94端面车...

1、当您付费下载文档后,您只拥有了使用权限,并不意味着购买了版权,文档只能用于自身使用,不得用于其他商业用途(如 [转卖]进行直接盈利或[编辑后售卖]进行间接盈利)。
2、本站所有内容均由合作方或网友上传,本站不对文档的完整性、权威性及其观点立场正确性做任何保证或承诺!文档内容仅供研究参考,付费前请自行鉴别。
3、如文档内容存在违规,或者侵犯商业秘密、侵犯著作权等,请点击“违规举报”。

碎片内容

FANUC0i系统数控车床概述

确认删除?
VIP
微信客服
  • 扫码咨询
会员Q群
  • 会员专属群点击这里加入QQ群
客服邮箱
回到顶部