电脑桌面
添加小米粒文库到电脑桌面
安装后可以在桌面快捷访问

电力集团某大型电气配件企业技术开发员岗位说明书VIP免费

电力集团某大型电气配件企业技术开发员岗位说明书_第1页
1/2
电力集团某大型电气配件企业技术开发员岗位说明书_第2页
2/2
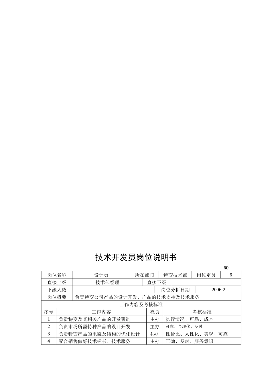
技术开发员岗位说明书NO. 岗位名称设计员所在部门特变技术部岗位定员6直接上级技术部经理直接下级下级人数岗位分析日期2006-2岗位概要负责特变公司产品的设计开发、产品的技术支持及技术服务工作内容及考核标准序号工作内容权责考核标准1负责特变及其相关产品的开发研制主办执行情况、可靠、成本2负责市场所需特种产品的设计开发主办可靠、合理化、及时3负责特变产品的电磁及结构的优化设计主办性价比、人性化、美观、可靠4配合销售做好技术标书、技术服务主办正确、及时、服务意识5协助工艺员做好工艺工作协办协作情况、态度、服务意识6参与产品的质量分析及试验协办安全、规范、正确、及时7做好特变技术标准化工作主办规范、正确、理解8负责编制技术相关的质量记录主办规范]、正确、及时9负责技术资料的搜集、整理主办规范、正确10其他临时交办的工作任务协办工作态度、积极性工作条件及协调1.工作环境:电磁辐射2.工作时间:随生产任务、销售情况、市场情况、工作量变化3 . 工 作 中 所 需 设备:计算机、打印机4.工作协调:内部:综合部、生产部、车间、营销部; 油变 任职资格要求1. 知识大专以上学历;电气、机械、电机等专业2. 技能有分析判断、沟通协调、创新能力,会计算机 CAD 绘图3. 职业素养原则性、责任感、质量、服务意识4. 工作经验有相关工作经验优先5. 所需业务、技能培训变压器理论,产品专业知识6. 其它能运用计算机进行辅助设计,具有贯彻理解执行国家标准的能力,贯彻质量体系在个环节的运用审核: 批准:

1、当您付费下载文档后,您只拥有了使用权限,并不意味着购买了版权,文档只能用于自身使用,不得用于其他商业用途(如 [转卖]进行直接盈利或[编辑后售卖]进行间接盈利)。
2、本站所有内容均由合作方或网友上传,本站不对文档的完整性、权威性及其观点立场正确性做任何保证或承诺!文档内容仅供研究参考,付费前请自行鉴别。
3、如文档内容存在违规,或者侵犯商业秘密、侵犯著作权等,请点击“违规举报”。

碎片内容

电力集团某大型电气配件企业技术开发员岗位说明书

您可能关注的文档

确认删除?
VIP
微信客服
  • 扫码咨询
会员Q群
  • 会员专属群点击这里加入QQ群
客服邮箱
回到顶部