电脑桌面
添加小米粒文库到电脑桌面
安装后可以在桌面快捷访问

机房建设配置清单VIP免费

机房建设配置清单_第1页
1/32
机房建设配置清单_第2页
2/32
机房建设配置清单_第3页
3/32
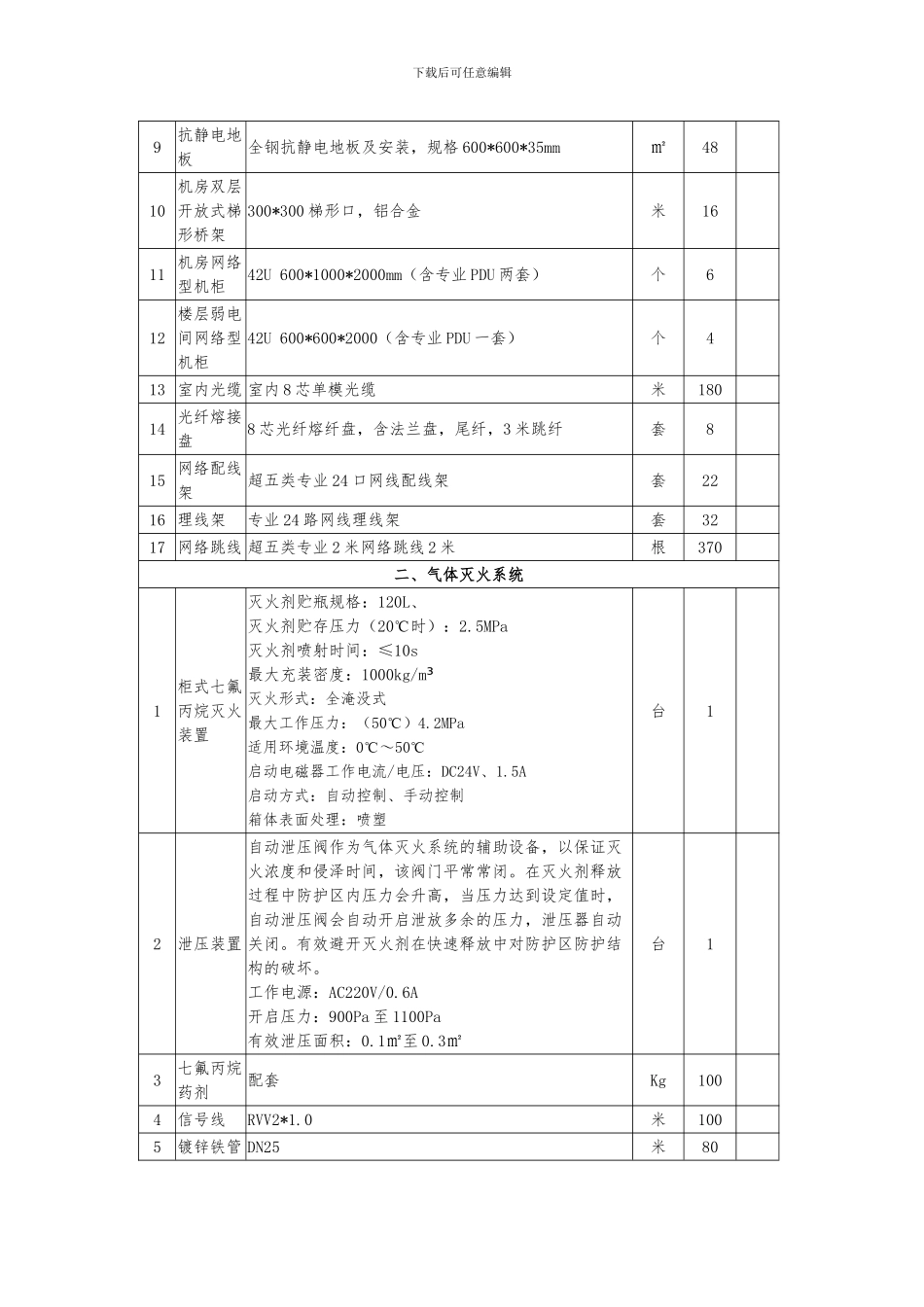
下载后可任意编辑机房建设配置清单序号 产品名称参数单位数量备注一、UPS 电源系统1UPS 主机1、UPS 容量为 20 KVA,数量 1 套。2、采纳工频在线 UPS 电源; 3、▲UPS 必须采纳先进的 PFC 整流技术,输入功率因数≥0.94,无需加谐波滤波器4、▲UPS 必须采纳工频在线式,必须标配输出隔离变压器。5、UPS 标配 EPO 紧急关机功能,紧急情况下一键关闭UPS 系统;6、UPS 具有智能风扇调速,节约能源;7、大屏幕中英文 LCD 显示可选设计,可实时显示 UPS的运行参数和运行状态,方便日常管理和维护;8、▲UPS 内部必须采纳双充电板设计,两充电板一主一备或同时工作,不接受外加充电板,以提高系统的充电能力及可靠性9、智能化充电器,具有自动均浮充转换,充电电流可调,6/8/10/12A 随便选择;10、UPS 具有并机功能,并且可以共用电池组;11、▲UPS 主要指标要求: 输入功率因素 ≥0.94 额定电压 : 380Vac 输入电压范围 : 380±25% 额定频率 : 50/60Hz(可设定) 输入频率范围 : 40~70HZ 标称电池电压 : 192VDC 功率因素 : 0.8 相数 : 单相三线(1Φ+N+PE) 标称电压:220Vac 标称频率: 50HZ/60HZ(可设定) 过载能力: 105%~125%负载时 10min ;125%~150%负载时 1min;>150%负载时 1s 系统显示: LED+LCD12、以上技术指标需提供 UPS 彩页原件及第三方泰尔检测报告并加盖 UPS 原厂公章予以证明; 台1 2电池组1、UPS 采纳 12V/100ah 免维护铅酸蓄电池,,满载延时要求 2 小时,蓄电池设计寿命 7-10 年以上。2、▲蓄电池产品必须提供国内权威的泰尔、抗震证书以及检测报告,为保证售后与服务一致,确保产品质量,拒绝贴牌或 OEM 生产的电池,提供蓄电池工业生产许可证,并加盖厂商公章予以证明。3、为便于后期维护,要求蓄电池与主机必须为同一品台32 下载后可任意编辑牌3电池柜专用定制加厚型节2 4电池间连接缆线成品线缆根32 5电池配电柜连接线缆BVR25㎡米68 6安装调试 含搬运、安装、调试等项1 二、配电系统1UPS 配电柜380V/220V 20KW套1 2弱电间UPS 配电柜220V/3KW套4 3UPS 配电柜引入电缆铜缆芯数 4,导体直径 6.4mm,绝缘厚度 1.2mm,护套厚度 1.8mm,电缆近似外径 27.3mm。米20 4弱电间连接电缆铜缆芯数 3,导体直径 2.57mm,绝缘厚度 1.0mm,护套厚度 1.8mm,电缆近似外径 17.0mm。米170 机房辅助建设配置清单序号 产品名称参数单...

1、当您付费下载文档后,您只拥有了使用权限,并不意味着购买了版权,文档只能用于自身使用,不得用于其他商业用途(如 [转卖]进行直接盈利或[编辑后售卖]进行间接盈利)。
2、本站所有内容均由合作方或网友上传,本站不对文档的完整性、权威性及其观点立场正确性做任何保证或承诺!文档内容仅供研究参考,付费前请自行鉴别。
3、如文档内容存在违规,或者侵犯商业秘密、侵犯著作权等,请点击“违规举报”。

碎片内容

机房建设配置清单

您可能关注的文档

确认删除?
VIP
微信客服
  • 扫码咨询
会员Q群
  • 会员专属群点击这里加入QQ群
客服邮箱
回到顶部