电脑桌面
添加小米粒文库到电脑桌面
安装后可以在桌面快捷访问

机械与包装工程实验教学中心材料力学多功能实验装置...VIP免费

机械与包装工程实验教学中心材料力学多功能实验装置..._第1页
1/6
机械与包装工程实验教学中心材料力学多功能实验装置..._第2页
2/6
机械与包装工程实验教学中心材料力学多功能实验装置..._第3页
3/6
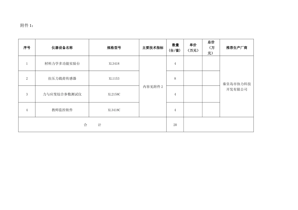
机械与包装工程实验教学中心“材料力学多功能实验装置”购置招标书为满足我校机械与包装工程实验教学中心教学科研工作需要,现需购置相关专业设备及软件,特面向社会公开招标,并将需求等情况作如下说明,欢迎相关企业参加投标。一、设备需求本次招标所需设备及软件:材料力学多功能实验台、拉压力载荷传感器、力与应变综合参数测试仪、教师监控软件等,具体需求见附件。二、资质要求1、具有独立法人资格、经过年审的有效工商营业执照和税务登记证。2、具有所投标设备生产厂家的销售授权和服务资质。3、在市内拥有固定的经营场所或售后服务常驻机构。4、企业具有良好的商业信誉和健全的财务会计制度。三、产品质量及服务要求1、所有产品必须符合国家相关法律法规要求,同时为原装正品。2、保质期内发生的质量问题由供货商免费负责解决。3、终身上门维护,保质期外不收上门费,只收取零配件费(并给出适当优惠)。4、产品质保期总体不得低于三年(生产厂商已注明保质期的除外)。5、供应商须在投标书中单独提供一份切实可行的售后服务承诺书。确保能够提供符合招标要求的合格产品,有稳定、强有力的技术维修队伍,能够提供及时、良好的售后服务及必要的人员培训。四、投标须知1、领取标书:2009 年 10 月 15 日- 10 月 22 日。投标单位在重庆市政府采购网上直接下载标书(网址:http://www.cqgp.gov.cn),也可在重庆工商大学国有资产管理处网页上下载标书(网址:http://gzchu.ctbu.edu.cn/)。2、投标时间:2009 年 10 月 23 日(周五)11︰00 前。投标地点:重庆工商大学纪委监察处(厚德楼 6012 室,电话:62769042)。3、投标书一式两份,密封后加盖单位公章,封面注明投标单位名称、联系人及联系电话。4、是否应标,完全自愿。5、不符合招标书要求的标书视为废标。五、标书内容1、投标单位简介(包括联系方式)、营业执照、各类资质(复印件)、信誉、业绩等。2、投标书的报价(应包括单价、总价及各项费用)。投标单位如有漏报、错报、开标后一律不补;若提供优惠,请在投标文件中明确。3、产品的最短供货期,安装竣工日期。4、本投标项目的授权委托书。5、质量及售后服务承诺(可分产品一一列出)。6、投标书中需加附页表明对我方招标书内容是否认同,若有异议的请作详细说明。六、开标、评标1、评标办法:由学校评标小组根据企业资质、投标方案、品牌、技术指标、报价、售后服务、交货时间等综合因素确定中标单位。2、由...

1、当您付费下载文档后,您只拥有了使用权限,并不意味着购买了版权,文档只能用于自身使用,不得用于其他商业用途(如 [转卖]进行直接盈利或[编辑后售卖]进行间接盈利)。
2、本站所有内容均由合作方或网友上传,本站不对文档的完整性、权威性及其观点立场正确性做任何保证或承诺!文档内容仅供研究参考,付费前请自行鉴别。
3、如文档内容存在违规,或者侵犯商业秘密、侵犯著作权等,请点击“违规举报”。

碎片内容

机械与包装工程实验教学中心材料力学多功能实验装置...

您可能关注的文档

确认删除?
VIP
微信客服
  • 扫码咨询
会员Q群
  • 会员专属群点击这里加入QQ群
客服邮箱
回到顶部