电脑桌面
添加小米粒文库到电脑桌面
安装后可以在桌面快捷访问

设施损坏赔偿标准-遂宁市城市道路占用挖掘及市政、园林、照VIP免费

设施损坏赔偿标准-遂宁市城市道路占用挖掘及市政、园林、照_第1页
1/14
设施损坏赔偿标准-遂宁市城市道路占用挖掘及市政、园林、照_第2页
2/14
设施损坏赔偿标准-遂宁市城市道路占用挖掘及市政、园林、照_第3页
3/14
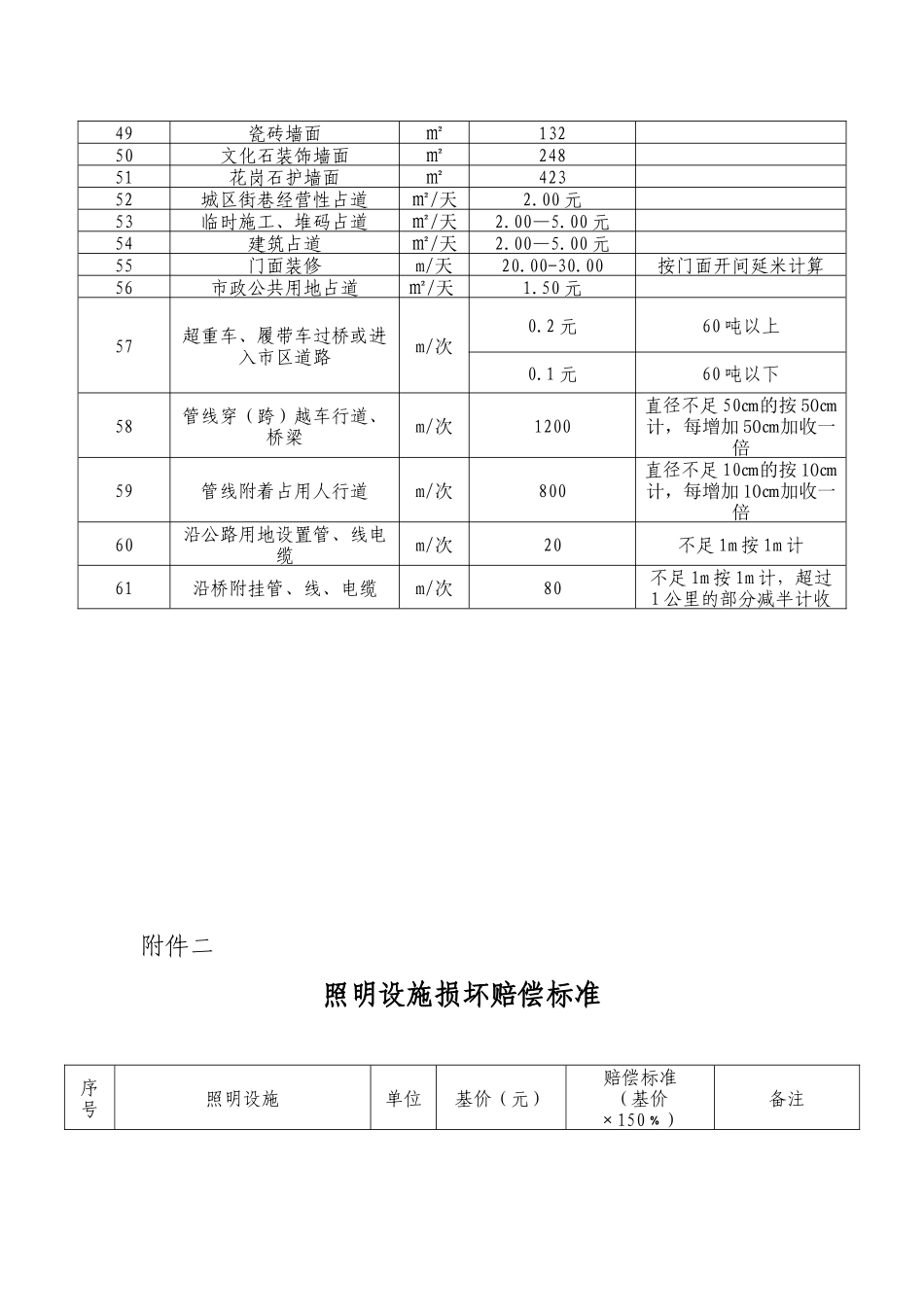
附件一道路占用挖掘及市政设施损坏赔偿标准序号项目单位赔偿标准备注1水泥砼路面㎡360面积按整箱计算,挖掘深度超过 1.5m,每超过0.5m 增收 20%,不足0.5m 的按 0.5m 计算2普通沥青砼路面㎡330挖掘深度超过 1.5m,每超过 0.5m 增收 20%,不足 0.5m 的按 0.5m 计算3改性沥青砼路面㎡459挖掘深度超过 1.5m,每超过 0.5m 增收 20%,不足 0.5m 的按 0.5m 计算4花岗岩石车道路面㎡590挖掘深度超过 1.5m,每超过 0.5m 增收 20%,不足 0.5m 的按 0.5m 计算5广场砖车道路面㎡327挖掘深度超过 1.5m,每超过 0.5m 增收 20%,不足 0.5m 的按 0.5m 计算6青石板车道路面㎡498挖掘深度超过 1.5m,每超过 0.5m 增收 20%,不足 0.5m 的按 0.5m 计算7水泥砼人行道㎡140面积按松动面计,不足1㎡按 1㎡计8彩色方块人行道㎡186面积按松动面计,不足1㎡按 1㎡计9彩色水磨石方块人行道㎡245面积按松动面计,不足1㎡按 1㎡计10花岗岩石人行道㎡441面积按松动面计,不足1㎡按 1㎡计11青石板人行道㎡366面积按松动面计,不足1㎡按 1㎡计12压印砼人行道㎡27913透水砖人行道㎡240面积按松动面计,不足1㎡按 1㎡计14仿花岗石人行道㎡383面积按松动面计,不足1㎡按 1㎡计15条形人行道㎡245面积按松动面计,不足1㎡按 1㎡计16花岗石盲道人行道㎡520面积按松动面计,不足1㎡按 1㎡计17300㎜水泥砼路沿石m7818350㎜水泥砼路沿石m9919400㎜水泥砼路沿石m14720彩色水泥砼路沿石m14721花岗石路沿石m25722青石路沿石m13523青石植树框m13524花岗石植树框m25725条石堡坎、护面墙m57626水泥砼堡坎、护面墙m125027花岗石隔离墩个2025带有装饰性28道路隔离墩个48829PVC 人行道护栏m60030PVC 交通隔离护栏m60031不锈钢护栏m64432铸铁工艺护栏m73433桥梁钢筋砼护栏m138534Φ700 钢筋砼窖井座1803井深超过 2m,每增 0.5m增收 10%,不足 0.5m 按0.5m 计,只损井盖按此标准的 20%计取35Φ700 铸铁窖井座2040井深超过 2m,每增 0.5m增收 10%,不足 0.5m 按0.5m 计,只损井盖按此标准的 20%计取36Φ700 复合井盖座1217井深超过 2m,每增 0.5m增收 10%,不足 0.5m 按0.5m 计,只损井盖按此标准的 20%计取37铸铁雨水蓖座1822只损井盖按此标准的20%计取38钢筋砼雨水蓖座1197只损井盖按此标准的20%计取39复合材料雨水蓖座1197只损井盖按此标准的20%计取40Φ500 以内钢筋砼管沟米417埋深按 2m 计,超过 2m每增 0....

1、当您付费下载文档后,您只拥有了使用权限,并不意味着购买了版权,文档只能用于自身使用,不得用于其他商业用途(如 [转卖]进行直接盈利或[编辑后售卖]进行间接盈利)。
2、本站所有内容均由合作方或网友上传,本站不对文档的完整性、权威性及其观点立场正确性做任何保证或承诺!文档内容仅供研究参考,付费前请自行鉴别。
3、如文档内容存在违规,或者侵犯商业秘密、侵犯著作权等,请点击“违规举报”。

碎片内容

设施损坏赔偿标准-遂宁市城市道路占用挖掘及市政、园林、照

您可能关注的文档

确认删除?
VIP
微信客服
  • 扫码咨询
会员Q群
  • 会员专属群点击这里加入QQ群
客服邮箱
回到顶部