电脑桌面
添加小米粒文库到电脑桌面
安装后可以在桌面快捷访问

科研实验大楼施工组织设计方案范本(DOC99页)VIP专享VIP免费

科研实验大楼施工组织设计方案范本(DOC99页)_第1页
1/79
科研实验大楼施工组织设计方案范本(DOC99页)_第2页
2/79
科研实验大楼施工组织设计方案范本(DOC99页)_第3页
3/79
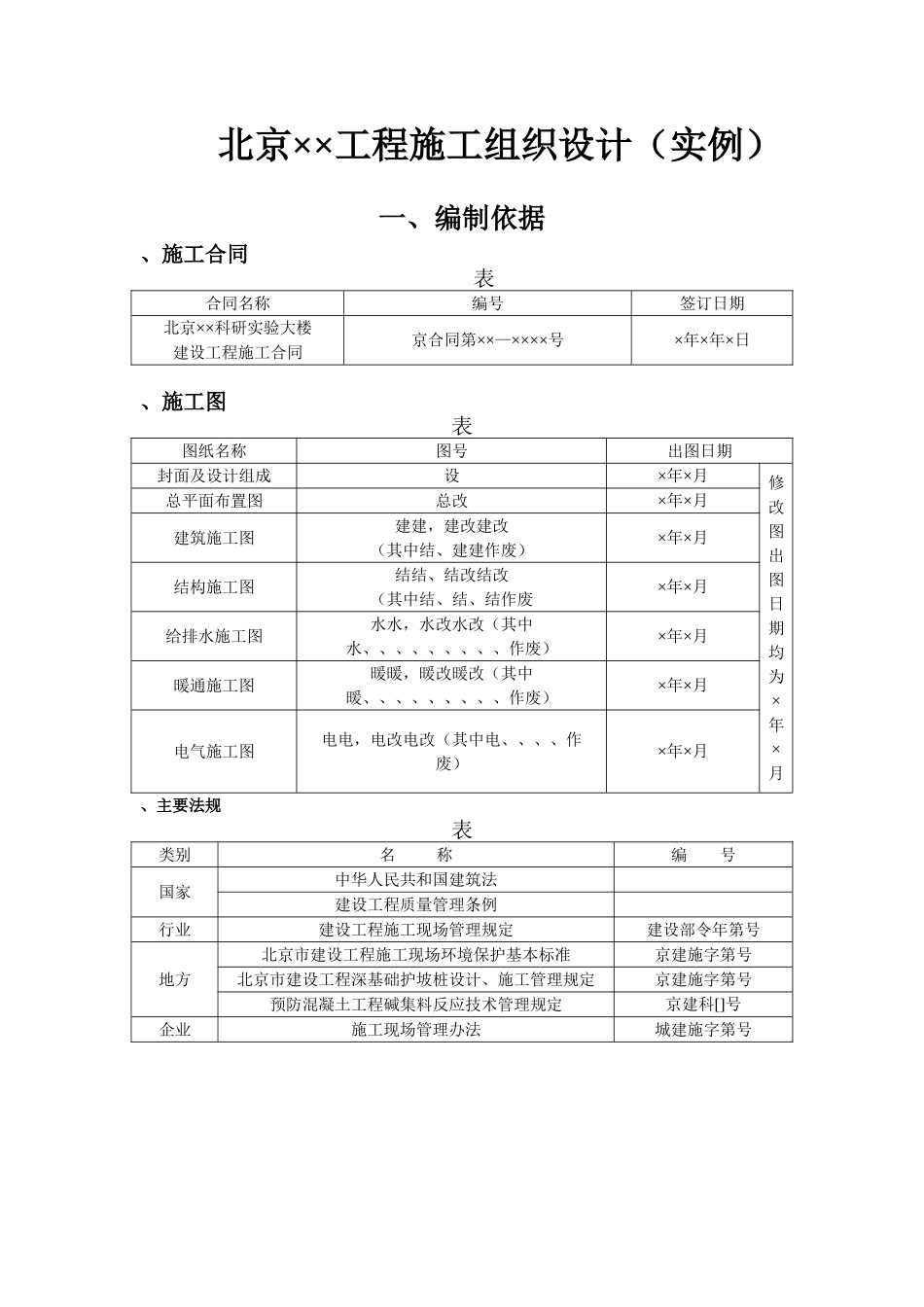
北京××工程施工组织设计(实例)一、编制依据、施工合同表合同名称编号签订日期北京××科研实验大楼建设工程施工合同京合同第××—××××号×年×年×日、施工图表图纸名称图号出图日期封面及设计组成设×年×月修改图出图日期均为×年×月总平面布置图总改×年×月建筑施工图建建,建改建改(其中结、建建作废)×年×月结构施工图结结、结改结改(其中结、结、结作废×年×月给排水施工图水水,水改水改(其中水、、、、、、、、、作废)×年×月暖通施工图暖暖,暖改暖改(其中暖、、、、、、、、、作废)×年×月电气施工图电电,电改电改(其中电、、、、作废)×年×月、主要法规表类别名 称编 号国家中华人民共和国建筑法建设工程质量管理条例行业建设工程施工现场管理规定建设部令年第号地方北京市建设工程施工现场环境保护基本标准京建施字第号北京市建设工程深基础护坡桩设计、施工管理规定京建施字第号预防混凝土工程碱集料反应技术管理规定京建科[]号企业施工现场管理办法城建施字第号、主要规程、规范类别名称编号国家混凝土结构工程施工质量难收规范工程测量规范锚杆喷射混凝土支护技术规范地基与基础工程施工质量验收规范屋面工程施工质量难收规范地下工程防水技术规范地下防水工程施工质量验收规范人防工程施工及验收规范钢筋混凝土用热轧带肋钢筋硅酸盐水泥、普通硅酸盐水泥矿渣硅酸盐水泥、火山灰质硅酸盐水泥、粉煤灰硅酸盐水泥混凝土外加剂预拌混凝土混凝土外加剂应用技术规范混凝土结构设计规范建筑抗震设计规范建筑给排水及采暖工程施工质量验收规范通风与空调工程施工质量验收规范火灾自动报警系统施工及验收规范电梯工程施工质量验收规范建筑电气工程施工质量验收规范自动喷水灭火系统施工及验收规范建设工程施工现场供用电安全规范塔式起重机安全规程行业建筑变形测量规程建筑地基处理技术规范高层建筑混凝土结构技术规程钢筋机械连接通用技术规程钢筋锥螺纹接头技术规程带肋钢筋套筒挤压连接技术规程冷轧带肋钢筋混凝土结构技术规程普通混凝土用砂普通混凝土用碎石和卵石普通混凝土拌和用水普通混凝土配合比及设计规程混凝土泵送施工技术规程混凝土冬期施工技术规程块体基础大体积混凝土施工技术规程回弹法检测混凝土抗压强度技术规程建筑施工高处作业安全技术规范建筑机械使用安全技术规程施工现场临时用电安全技术规范地方建筑工程资料管理规程、主要图集表类别名 称编 号国家混凝土结构施工图平面整体表示...

1、当您付费下载文档后,您只拥有了使用权限,并不意味着购买了版权,文档只能用于自身使用,不得用于其他商业用途(如 [转卖]进行直接盈利或[编辑后售卖]进行间接盈利)。
2、本站所有内容均由合作方或网友上传,本站不对文档的完整性、权威性及其观点立场正确性做任何保证或承诺!文档内容仅供研究参考,付费前请自行鉴别。
3、如文档内容存在违规,或者侵犯商业秘密、侵犯著作权等,请点击“违规举报”。

碎片内容

科研实验大楼施工组织设计方案范本(DOC99页)

确认删除?
VIP
微信客服
  • 扫码咨询
会员Q群
  • 会员专属群点击这里加入QQ群
客服邮箱
回到顶部