电脑桌面
添加小米粒文库到电脑桌面
安装后可以在桌面快捷访问

给排水资料表格VIP免费

给排水资料表格_第1页
1/85
给排水资料表格_第2页
2/85
给排水资料表格_第3页
3/85
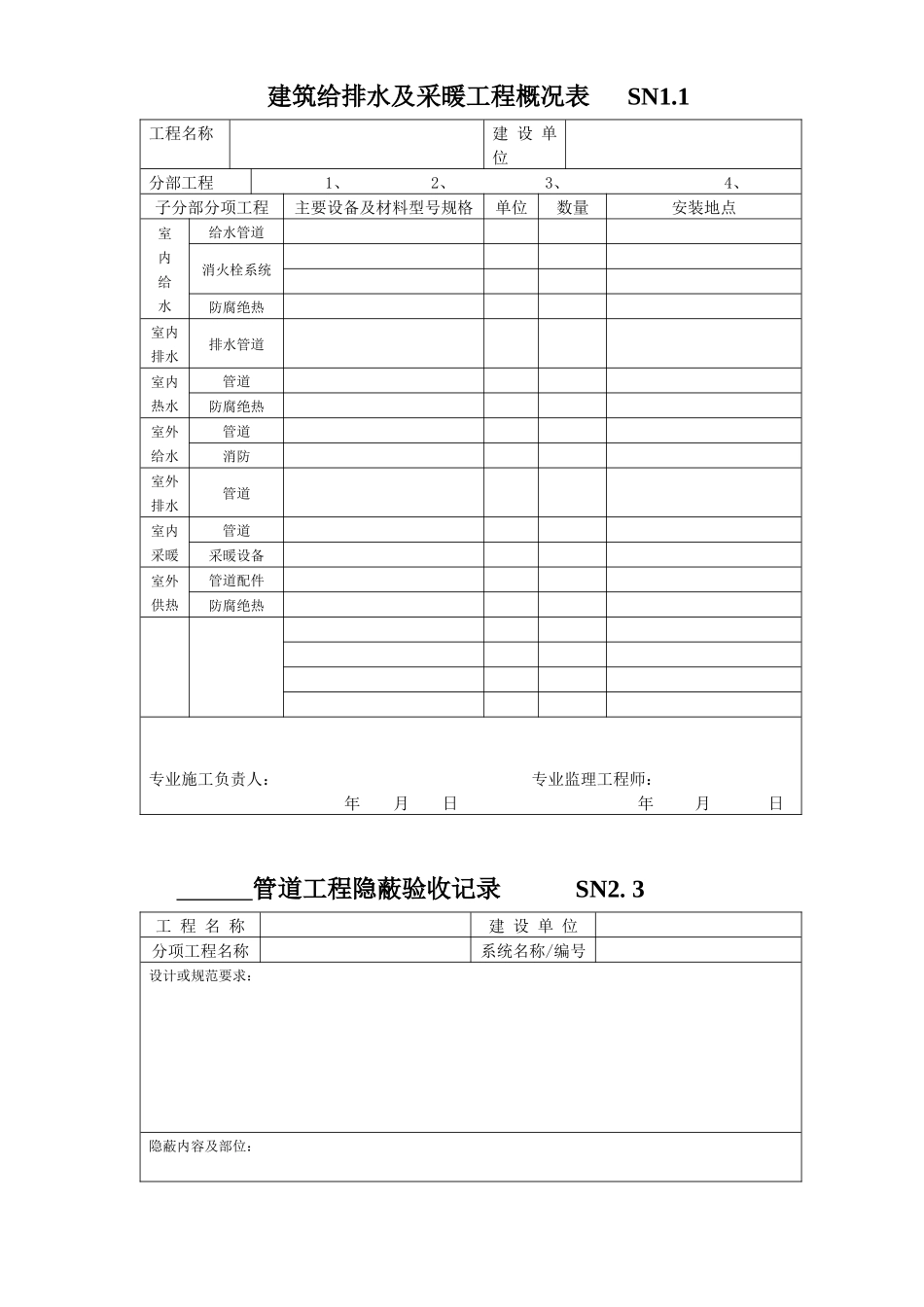
建筑给排水及采暖工程概况表 SN1.1工程名称建 设 单位分部工程1、 2、 3、 4、子分部分项工程主要设备及材料型号规格单位数量安装地点室内给水给水管道消火栓系统防腐绝热室内排水排水管道室内热水管道防腐绝热室外给水管道消防室外排水管道室内采暖管道采暖设备室外供热管道配件防腐绝热专业施工负责人: 专业监理工程师:年 月 日 年 月 日 管道工程隐蔽验收记录 SN2.3工 程 名 称建 设 单 位分项工程名称系统名称/编号设计或规范要求:隐蔽内容及部位:检查结果: 检查人:验收意见:验收人:专业施工负责人:施工单位项目经理: 月 日专业监理工程师:(建设单位项目负责人) ; 2007 年 月 日建筑给水排水及采暖工程施工现场质量管理记录 SN1.1工程名称施工许可证号建设单位项目负责人设计单位项目负责人监理单位施工单位主 要 工 种姓 名工 种持证名称证 号发证部门现场管理制度质量检查制度施工图审查情况施工组织设计及方案审批人现场使用主要设备仪器、仪表名 称型 号 规 格单 位数 量说 明专业施工负责人: 2007 年 月 日专业监理工程师:2007 年 月 日建筑给水排水及采暖分部工程质量验收记录 SN1.2工程名称层数/建筑面积施工单位开/竣工日期项目经理/证号专业技术负责人/证号项目专业技术负责人/证号序号项 目验 收 内 容验 收 结 论1子分部工程质量验收工 子分部,经查 子分部; 符合规范及设计要求 子分部2质量管理资料核查共 项,经审查符合要求 项; 经核定符合规范要求 项3安全、卫生和主要使用功能核查抽查结果 共抽查 项,符合要求 项; 经返工处理符合要求 项4观感质量验收共抽查 项,符合要求 项;不符合要求 项5综合验收结论参加施工单位设计单位监理单位建设单位(公章)(公章)(公章)(公章)验收单位单位(项目)负责人:2007 年 月 日单位(项目)负责人: 2007 年 月 日单位(项目)负责人: 2007 年 月 日单位(项目)负责人: 2007 年 月 日建筑给水排水及采暖子分部质量管理记录 SN1.3(统表 1) 建筑给水排水及采暖分项工程质量验收记录 SN1.4(统表 2)工程名称结构类型层 数施工单位技术部门负责人质量部门负责人分包单位分包单位 负责人分包技术 负责人序号分 项 工 程 名 称检验 批数施 工 单 位 检 查 评 定验 收 意 见1234567 891011质量控制资料应查项数 项核查结果安全和功能检查...

1、当您付费下载文档后,您只拥有了使用权限,并不意味着购买了版权,文档只能用于自身使用,不得用于其他商业用途(如 [转卖]进行直接盈利或[编辑后售卖]进行间接盈利)。
2、本站所有内容均由合作方或网友上传,本站不对文档的完整性、权威性及其观点立场正确性做任何保证或承诺!文档内容仅供研究参考,付费前请自行鉴别。
3、如文档内容存在违规,或者侵犯商业秘密、侵犯著作权等,请点击“违规举报”。

碎片内容

给排水资料表格

您可能关注的文档

确认删除?
VIP
微信客服
  • 扫码咨询
会员Q群
  • 会员专属群点击这里加入QQ群
客服邮箱
回到顶部