电脑桌面
添加小米粒文库到电脑桌面
安装后可以在桌面快捷访问

某大厦工程质量目标及创优措施VIP专享VIP免费

某大厦工程质量目标及创优措施_第1页
1/35
某大厦工程质量目标及创优措施_第2页
2/35
某大厦工程质量目标及创优措施_第3页
3/35
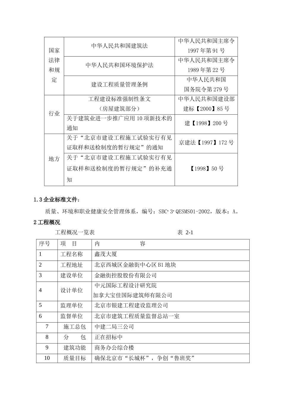
1 编制依据 1. 1 经过有关部门审批的有效鑫茂大厦工程施工图:建施图 Q158G1-JS020-M1001~1002、S1001~1003、F1001~1020、1001~1073;结施图 Q158G1-GS020-M1001~1006、S1001~1003、1001~1136;1. 2 工程所涉及的主要的国家或行业规范、规程、标准、法规,地方法规、图集 规范、文件、图集一览表 表 1.2-1类别名 称编号或文号规范建筑地基基础施工质量验收规范GB50202-2002砌体工程施工质量验收规范GB50203-2002混凝土结构工程施工质量验收规范GB50204-2002建筑工程施工质量验收统一规范GB50300-2001工程测量规范GB50026-93地下防水工程施工质量验收规范GB50208-2002行业标准、图集一览表 表 1.2-2类别名 称编号或文号行标钢筋焊接和验收规程JGJ18-96钢筋机械连接通用技术规程JGJ107-96混凝土泵送施工技术规程JGJ/T10-95钢筋等强度剥肋滚压直螺纹连接技术规程Q/JY16-1999图集构造图集88J 及 88JX 系列地标预防混凝土工程碱集料反应技术管理规定京 TY5-99建筑安装工程资料管理规程DBJ01-51-2000 标准一览表 表 1.2-3类别名 称编号或文号标准民用建筑工程室内环境污染控制规范GB50325-2001混凝土质量控制标准GB50164-92混凝土强度检验评定标准GBJ107-87 主要法规一览表 表 1.2-4类别名 称编 号国家法律和规定中华人民共和国建筑法中华人民共和国主席令1997 年第 91 号中华人民共和国环境保护法中华人民共和国主席令1989 年第 22 号建设工程质量管理条例中华人民共和国国务院令第 279 号行业工程建设标准强制性条文(房屋建筑部分)中华人民共和国建设部建标【2000】85 号关于建筑业进一步推广应用 10 项新技术的通知建【1998】200 号地方关于“北京市建设工程施工试验实行有见证取样和送检制度的暂行规定”的通知京建法【1997】172 号关于“北京市建设工程施工试验实行有见证取样和送检制度的暂行规定”的补充通知【1998】50 号1.3 企业标准文件: 质量、环境和职业健康安全管理体系,编号:SBC.3.QESMS01-2002,版本:A。2 工程概况 工程概况一览表 表 2-1序号项 目内 容1工程名称鑫茂大厦2工程地址北京西城区金融街中心区 B1 地块3建设单位金融街控股股份有限公司4设计单位中元国际工程设计研究院 加拿大宝佳国际建筑师有限公司5监理单位北京市银建工程建设监理公司6监督单位北京市建筑工程质量监督总站一室7施工总包中建二局三公司8分 包正在招标中9建筑功能商务办公综合楼10质量目...

1、当您付费下载文档后,您只拥有了使用权限,并不意味着购买了版权,文档只能用于自身使用,不得用于其他商业用途(如 [转卖]进行直接盈利或[编辑后售卖]进行间接盈利)。
2、本站所有内容均由合作方或网友上传,本站不对文档的完整性、权威性及其观点立场正确性做任何保证或承诺!文档内容仅供研究参考,付费前请自行鉴别。
3、如文档内容存在违规,或者侵犯商业秘密、侵犯著作权等,请点击“违规举报”。

碎片内容

某大厦工程质量目标及创优措施

确认删除?
VIP
微信客服
  • 扫码咨询
会员Q群
  • 会员专属群点击这里加入QQ群
客服邮箱
回到顶部