电脑桌面
添加小米粒文库到电脑桌面
安装后可以在桌面快捷访问

矿井通风设计(DOC30页)VIP免费

矿井通风设计(DOC30页)_第1页
1/29
矿井通风设计(DOC30页)_第2页
2/29
矿井通风设计(DOC30页)_第3页
3/29
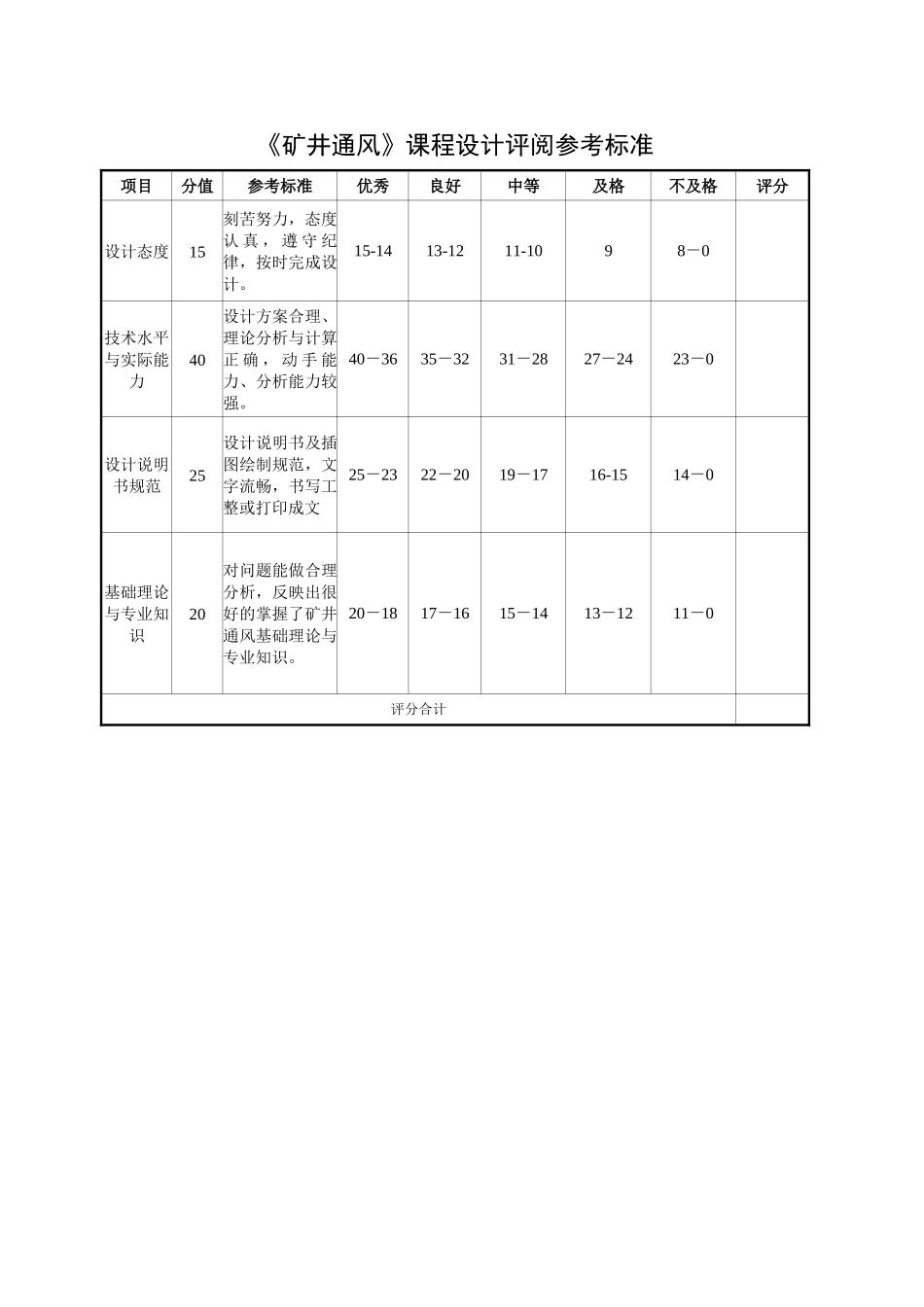
河南理工大学采矿工程专业(本科)矿井通风课程设计说明书姓 名:张志巍 学 号:311402010526学 院:能源科学与工程学院班 级:1405指导教师:王明中职 称:讲师二〇二五二〇二五年三月《矿井通风》课程设计评阅参考标准项目分值参考标准优秀良好中等及格不及格评分设计态度15刻苦努力,态度认 真 , 遵 守 纪律,按时完成设计。15-1413-1211-1098-0技术水平与实际能力40设计方案合理、理论分析与计算正 确 , 动 手 能力、分析能力较强。40-3635-3231-2827-2423-0设计说明书规范25设计说明书及插图绘制规范,文字流畅,书写工整或打印成文25-2322-2019-1716-1514-0基础理论与专业知识20对问题能做合理分析,反映出很好的掌握了矿井通风基础理论与专业知识。20-1817-1615-1413-1211-0评分合计目录目录......................................................................................................................................................0摘要......................................................................................................................................................11 矿井基本概况...................................................................................................................................21.1 煤层地质情况.......................................................................................................................21.2 井田范围...............................................................................................................................21.3 矿井生产任务.......................................................................................................................21.4 矿井开拓与开采...................................................................................................................21.5 自然风压...............................................................................................................................21.6 部分井巷尺寸及支护情况...................................................................................................21.7 采区分布图................................

1、当您付费下载文档后,您只拥有了使用权限,并不意味着购买了版权,文档只能用于自身使用,不得用于其他商业用途(如 [转卖]进行直接盈利或[编辑后售卖]进行间接盈利)。
2、本站所有内容均由合作方或网友上传,本站不对文档的完整性、权威性及其观点立场正确性做任何保证或承诺!文档内容仅供研究参考,付费前请自行鉴别。
3、如文档内容存在违规,或者侵犯商业秘密、侵犯著作权等,请点击“违规举报”。

碎片内容

矿井通风设计(DOC30页)

确认删除?
VIP
微信客服
  • 扫码咨询
会员Q群
  • 会员专属群点击这里加入QQ群
客服邮箱
回到顶部