电脑桌面
添加小米粒文库到电脑桌面
安装后可以在桌面快捷访问

初中化学实验技能考查方案VIP免费

初中化学实验技能考查方案_第1页
1/9
初中化学实验技能考查方案_第2页
2/9
初中化学实验技能考查方案_第3页
3/9
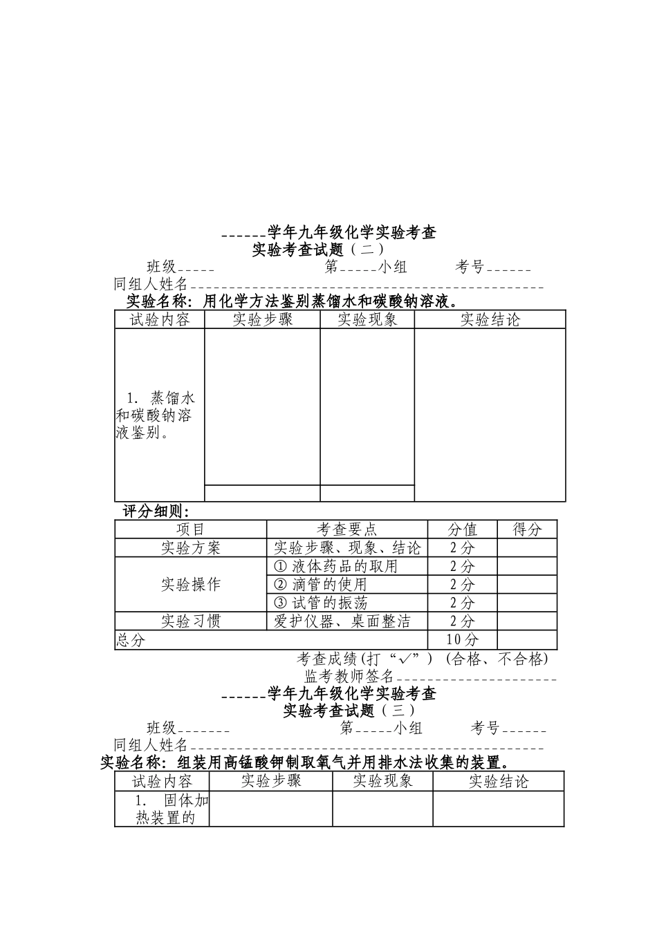
初中化学实验技能考查方案______学年九年级化学实验考查实验考查试题(一)班级______第_____小组考号______同组人姓名______________________________________________实验名称:酒精灯火焰各层温度的比较、镁条燃烧试验内容实验步骤实验现象实验结论1.比较酒精灯火焰各层温度。2.镁在空气中燃烧。说明:为了实验安全,用酒精灯火焰点燃镁条评分细则:项目考查要点分值得分实验方案实验步骤、现象、结论2分实验操作①比较火焰各层温度2分②坩埚钳的使用2分③石棉网的使用2分实验习惯爱护仪器、桌面整洁2分总分10分考查成绩(打“√”)(合格、不合格)教师签名___________________________学年九年级化学实验考查实验考查试题(二)班级_____第_____小组考号______同组人姓名______________________________________________实验名称:用化学方法鉴别蒸馏水和碳酸钠溶液。试验内容实验步骤实验现象实验结论1.蒸馏水和碳酸钠溶液鉴别。评分细则:项目考查要点分值得分实验方案实验步骤、现象、结论2分实验操作①液体药品的取用2分②滴管的使用2分③试管的振荡2分实验习惯爱护仪器、桌面整洁2分总分10分考查成绩(打“√”)(合格、不合格)监考教师签名___________________________学年九年级化学实验考查实验考查试题(三)班级_______第_____小组考号______同组人姓名______________________________________________实验名称:组装用高锰酸钾制取氧气并用排水法收集的装置。试验内容实验步骤实验现象实验结论1.固体加热装置的组装2.收集装置以及仪器连接。3.气密性检查。评分细则:项目考查要点分值得分实验方案实验步骤、现象、结论2分实验操作①铁架台的使用2分②仪器的连接2分③气密性检查2分实验习惯爱护仪器、桌面整洁2分总分10分考查成绩(打“√”)(合格、不合格)监考教师签____________________学年九年级化学实验考查实验考查试题(四)班级_______第_____小组考号______同组人姓名______________________________________________实验名称:用两种方法比较铁、铜的金属活动性顺序试验内容实验步骤现象结论1.用稀盐酸比较铁、铜的金属活动性顺序。2.用硫酸铜溶液比较铁、铜的金属活动性顺序。评分细则:项目考查要点分值得分实验方案实验步骤、现象、结论4分实验操作①液体药品的取用2分②固体药品的取用2分实验习惯爱护仪器、桌面整洁2分总分10分考查成绩(打“√”)(合格、不合格)监考教师签名___________________________学年九年级化学实验考查实验考查试题(五)班级__________第_____小组考号______同组人姓名______________________________________________实验名称:实验室制取并检验二氧化碳试验内容实验步骤实验现象实验结论1.用己备好的简单装置(气密性良好),制取二氧化碳气体。2.证明所制的气体是二氧化碳。说明:由于实验时间有限,不一定要收集满瓶二氧化碳气体。评分细则:项目考查要点分值得分实验方案实验步骤、现象、结论2分实验操作①固体、液体药品取用2分②仪器固定,气体收集2分③气体的证明2分实验习惯爱护仪器、桌面整洁2分总分10分考查成绩(打“√”)(合格、不合格)监考教师签名___________________________学年九年级化学实验考查实验考查试题(六)班级________第_____小组考号______同组人姓名______________________________________________实验名称:配制20g5%的氯化钠溶液1.计算:配制20g5%的氯化钠溶液,需称取_____g氯化钠,量取______mL水。2.实验:试验内容实验步骤实验现象实验结论(1)配制20g5%的氯化钠溶液实验。(2)配制溶液回收将所配制的溶液倒装入指定的细口瓶。评分细则:项目考查要点分值得分实验方案计算、操作、现象、结论2分实验操作①托盘天平使用2分②量筒选择和使用2分③固体物质溶解2分实验习惯爱护仪器、桌面整洁2分总分10分考查成绩(打“√”)(合格、不合格)监考教师签名___________________________学年九年级化学实验考查实验考查试题(七)班级___________第_____小组考号______同组人姓名______________________________________________实验名称:浑浊泥水的过滤试验内容实验步骤实验现象实验结论1.过滤器的准...

1、当您付费下载文档后,您只拥有了使用权限,并不意味着购买了版权,文档只能用于自身使用,不得用于其他商业用途(如 [转卖]进行直接盈利或[编辑后售卖]进行间接盈利)。
2、本站所有内容均由合作方或网友上传,本站不对文档的完整性、权威性及其观点立场正确性做任何保证或承诺!文档内容仅供研究参考,付费前请自行鉴别。
3、如文档内容存在违规,或者侵犯商业秘密、侵犯著作权等,请点击“违规举报”。

碎片内容

初中化学实验技能考查方案

确认删除?
VIP
微信客服
  • 扫码咨询
会员Q群
  • 会员专属群点击这里加入QQ群
客服邮箱
回到顶部