电脑桌面
添加小米粒文库到电脑桌面
安装后可以在桌面快捷访问

冲压模具实例VIP免费

冲压模具实例_第1页
1/20
冲压模具实例_第2页
2/20
冲压模具实例_第3页
3/20
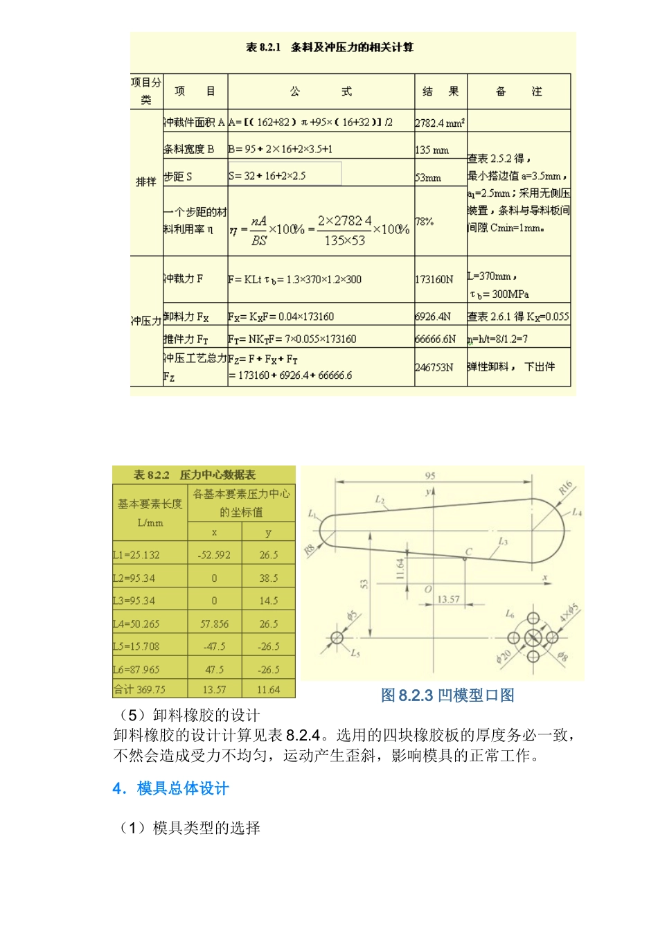
冲压模具实例例 8.2.1 冲裁模设计与制造实例工件名称:手柄工件简图:如图 8.2.1 所示。生产批量:中批量材料:Q235-A 钢材料厚度:1.2mm1.冲压件工艺性分析 此工件只有落料和冲孔两个工序。 材料为 Q235-A 钢,具有良好的冲压性能,适合冲裁。工件结构相对简单,有一个 φ8mm 的孔和 5 个φ5mm 的孔;孔与孔、孔与边缘之间的距离也满足要求,最小壁厚为3.5mm(大端 4 个 φ5mm 的孔与 φ8mm 孔、φ5mm 的孔与 R16mm外圆之间的壁厚)。工件的尺寸全部为自由公差,可看作 IT14 级,尺寸精度较低,普通冲裁完全能满足要求。2.冲压工艺方案的确定 该工件包括落料、冲孔两个基本工序,可有以下三种工艺方案:方案一:先落料,后冲孔。采用单工序模生产。方案二:落料-冲孔复合冲压。采用复合模生产。方案三:冲孔-落料级进冲压。采用级进模生产。方案一模具结构简单,但需两道工序两副模具,成本高而生产效率低,难以满足中批量生产要求。方案二只需一副模具,工件的精度及生产效率都较高,但工件最小壁厚 3.5mm 接近凸凹模许用最小壁厚3.2mm,模具强度较差,制造难度大,并且冲压后成品件留在模具上,在清理模具上的物料时会影响冲压速度,操作不方便。方案三也只需一副模具,生产效率高,操作方便,工件精度也能满足要求。通过对上述三种方案的分析比较,该件的冲压生产采用方案三为佳。3.主要设计计算(1)排样方式的确定及其计算设计级进模,首先要设计条料排样图。手柄的形状具有一头大一头小的特点,直排时材料利用率低,应采用直对排,如图 8.2.2 所示的排样方法,设计成隔位冲压,可显著地减少废料。隔位冲压就是将第一遍冲压以后的条料水平方向旋转 180°,再冲第二遍,在第一次冲裁的间隔中冲裁出第二部分工件。搭边值取 2.5mm 和 3.5mm,条料宽度为135mm,步距离为 53 mm,一个步距的材料利用率为 78%(计算见表8.2.1)。查板材标准,宜选 950mm×1500mm 的钢板,每张钢板可剪裁为 7 张条料(135mm×1500mm),每张条料可冲 56 个工件,故每张钢板的材料利用率为 76%。图 8.2.1 手柄工件简图图 8.2.2 手柄排样图(2)冲压力的计算该模具采用级进模,拟选择弹性卸料、下出件。冲压力的相关计算见表8.2.1。 根据计算结果,冲压设备拟选 J23-25。(3)压力中心的确定及相关计算计算压力中心时,先画出凹模型口图,如图 8.2.3 所示。在图中将 xoy坐标系建立在图示的对称中心线上,...

1、当您付费下载文档后,您只拥有了使用权限,并不意味着购买了版权,文档只能用于自身使用,不得用于其他商业用途(如 [转卖]进行直接盈利或[编辑后售卖]进行间接盈利)。
2、本站所有内容均由合作方或网友上传,本站不对文档的完整性、权威性及其观点立场正确性做任何保证或承诺!文档内容仅供研究参考,付费前请自行鉴别。
3、如文档内容存在违规,或者侵犯商业秘密、侵犯著作权等,请点击“违规举报”。

碎片内容

冲压模具实例

确认删除?
VIP
微信客服
  • 扫码咨询
会员Q群
  • 会员专属群点击这里加入QQ群
客服邮箱
回到顶部