电脑桌面
添加小米粒文库到电脑桌面
安装后可以在桌面快捷访问

上海市电力公司市区供电公司变电专职行为规范考评表VIP免费

上海市电力公司市区供电公司变电专职行为规范考评表_第1页
1/7
上海市电力公司市区供电公司变电专职行为规范考评表_第2页
2/7
上海市电力公司市区供电公司变电专职行为规范考评表_第3页
3/7
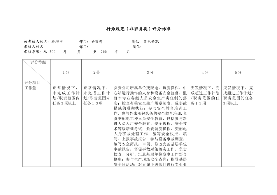
上海市电力公司市区供电公司变电专职行为规范考评表2004 年 10 月行为规范(非班员类)评分标准被考核人姓名:蔡培中部门:安监部 岗位:变电专职 考核人姓名: 部门: 岗位:考核期限:从 200 年 月 至 200 年 月 评分等级评分项目1 分2 分3 分4 分5 分工作量正 常 情 况 下 ,未 完 成 工 作 计划/职责范围内任务 3 项以上正 常 情 况 下 ,未 完 成 工 作 计划/职责范围内任务 1-3 项负责公司所属单位变配电、调度操作、中心站运行操作的人身和设备安全监督。监督本专业各级人员安全生产责任制的落实;检查有关安全生产规章制度、反事故措施的贯彻执行;参与安全教育培训工作,参与外来承包队伍的安全教育培训,负责变配电工种人员安全教育,包括参与新进人员入厂安全教育,安全规程、安全技术等级培训考试;负责调度操作、变配电人身事故处理工作,编写安全快报、填写、上报事故报告;参与设备事故调查。编写安全简报,审阅、修改完善基层单位事故报告,督促事故对策落实工作。负责检查、分析、汇总基层单位变电工作票合格率;参与生产现场安全查岗;指导基层安全日活动;对直属下级部门进行专业业突发情况下,完成超过工作计划/职责范围的任务 1-3 项突发情况下,完成超过工作计划/职责范围的任务3 项以上务指导和监督检查;组织或参与安全大检查和专项安全检查活动,参与指导基层安全日活动。负责监督用电监察人员对用户变配电设备的安全运行开展监察管理工作,防止用户影响系统事故;编写《安全信息》。 完成工作及时性不 能 在 规 定 的时 限 内 完 成 工作计划/职责范围内的任务 2 次及 以 上 , 或 发生 1 次且延误下道 工 序 或 造 成不良后果不 能 在 规 定 的时 限 内 完 成 工作计划/职责范围 内 的 任 务 1次 , 但 未 造 成不良后果正常情况下,在规定的时限内完成工作计划、职责范围内的所有任务。在按时完成各类统计报表的基础上,各项任务均能提前 1-2 天完成在按时完成各类统计报表的基础上,各项任务均能提前 3 天及以上完成工作效果有效性发生工作计划/职 责 范 围 内 任务 完 成 质 量 未达到要求 1 次以上或发生 1 次并造成不良后果发生工作计划/职 责 范 围 内 任务 完 成 质 量 未达到要求 1 次职责范围内安全监督工作富有成效,能保障变电专业现场施工安全和基层单位实现安全生产目标;安...

1、当您付费下载文档后,您只拥有了使用权限,并不意味着购买了版权,文档只能用于自身使用,不得用于其他商业用途(如 [转卖]进行直接盈利或[编辑后售卖]进行间接盈利)。
2、本站所有内容均由合作方或网友上传,本站不对文档的完整性、权威性及其观点立场正确性做任何保证或承诺!文档内容仅供研究参考,付费前请自行鉴别。
3、如文档内容存在违规,或者侵犯商业秘密、侵犯著作权等,请点击“违规举报”。

碎片内容

上海市电力公司市区供电公司变电专职行为规范考评表

确认删除?
VIP
微信客服
  • 扫码咨询
会员Q群
  • 会员专属群点击这里加入QQ群
客服邮箱
回到顶部