电脑桌面
添加小米粒文库到电脑桌面
安装后可以在桌面快捷访问

4施工管理组织机构(DOC6页)VIP免费

4施工管理组织机构(DOC6页)_第1页
1/6
4施工管理组织机构(DOC6页)_第2页
2/6
4施工管理组织机构(DOC6页)_第3页
3/6
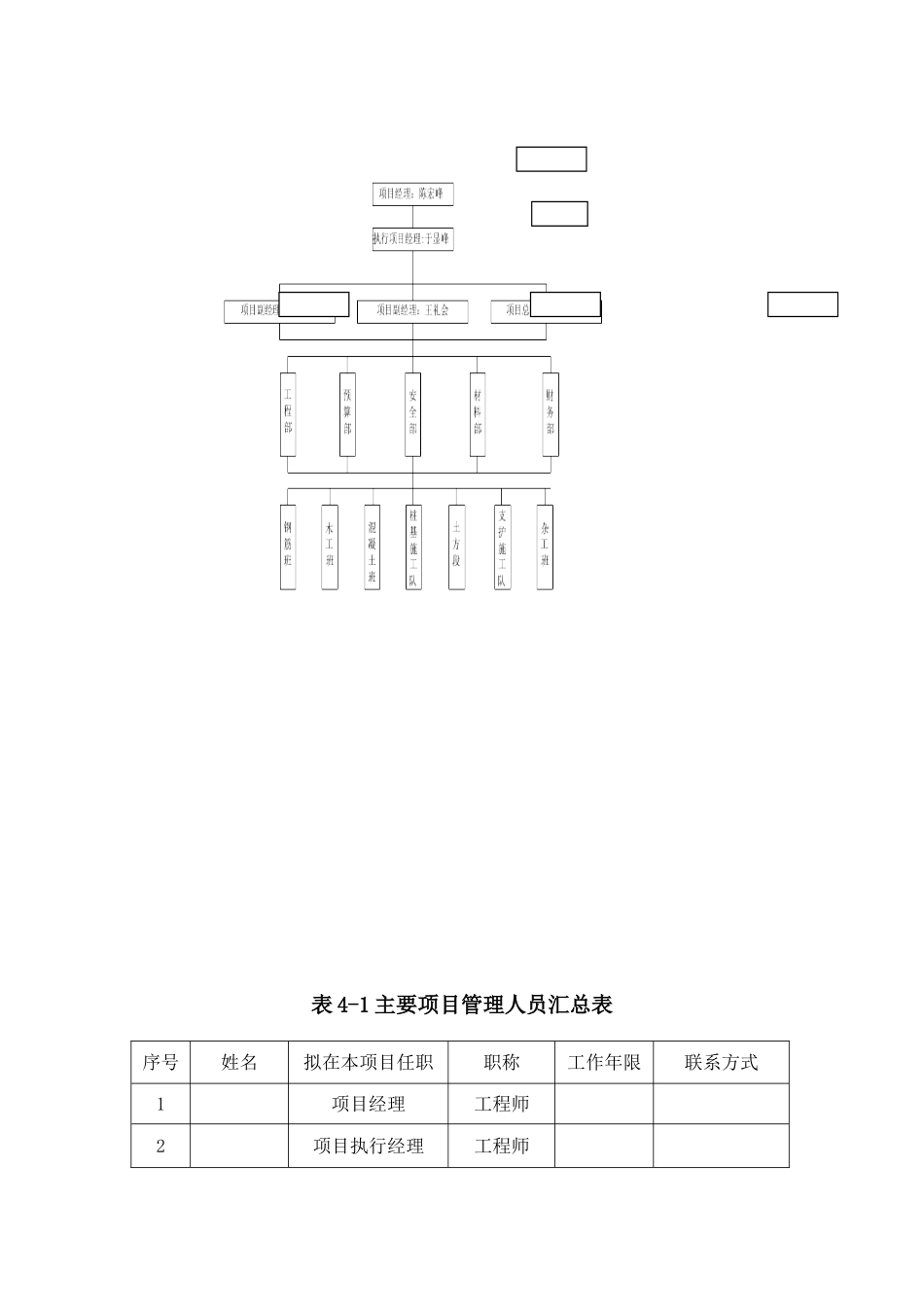
4 施工管理组织机构4.1 概述我公司按项目法组织施工,以确保本工程安全、优质、高效地完成。4.1.1 组建精干高效的项目管理机构(项目经理部),选配有类似工程管理经验,工作能力强、办事效率高、能团结和带领广大职工顽强拼搏的同志组成经理部领导班子,以形成对整个管理强有力的、有绝对权威的领导指挥。项目经理部设项目经理、执行项目经理、项目副经理、项目总工程师。其中项目副经理为二人,其余各为一人,下设工程部、质量部、安全部、财务部、计划经营部、材料设备部及综合部。下设各专业施工队。各部门选配经验成熟丰富、技术业务精湛、事业心和责任感强的专业人员,使得整个经理部管理层人员精干、协调能力强、工作效率高、综合素质好。项目经理部职责为:综合集中、统一指挥、内外协调、全面负责和加强对该工程的生产指挥调度和技术管理工作。4.1.2 按照本工程的实际需要,调遣施工力量强、队伍素质高的相应作业施工队投入全部工程施工。各施工队根据各自工作段和单位工程项目的进度安排,配置生产所需的各种机械、设备和相关人员。各作业队特殊工种人员应事先经过严格的考查,合格后持证上岗。为确保完满的完成此工程项目。我公司决定必要时所有技术人员和现场施工人员都按两班人数进行配置,不分昼夜,以保证工程按时完工。各作业队之间应根据总体工程进度安排和现场的施工条件,密切协作,相互支持形成分工合作、全线一盘棋、平面流水、交叉高效运作的大会战场面,确保工程按期、按质、顺利完成。4.2 项目管理组织机构图表 4-1 主要项目管理人员汇总表序号姓名拟在本项目任职职称工作年限联系方式1项目经理工程师2项目执行经理工程师3项目副经理4项目副经理工程师5项目技术负责人工程师6质检工程师工程师7测量工程师工程师8质检工程师兼资料员助理工程师9预算工程师工程师10现场工程师工程师11安全主管工程师12材料员工程师13材料员工程师14财务主管工程师4.3 主要人员及部门岗位职责人员或部门主要职责项目经理 1、项目经理是施工企业法人代表的代理人,代表企业对工程项目全面负责。 2、遵守国家和地方政府的政策、法规,执行有关规章制度和上级指令,代表企业履行与业主签订的工程承包合同。 3、组织和调配精干高效的项目管理班子,确定项目经理部各部门和机构的职责权限。 4、主持制定项目的施工组织设计和质量保证体系,主持制定项目总体进度计划和季、月度施工进度计划。 5、按照合同要求和上级的指令,保证施工人...

1、当您付费下载文档后,您只拥有了使用权限,并不意味着购买了版权,文档只能用于自身使用,不得用于其他商业用途(如 [转卖]进行直接盈利或[编辑后售卖]进行间接盈利)。
2、本站所有内容均由合作方或网友上传,本站不对文档的完整性、权威性及其观点立场正确性做任何保证或承诺!文档内容仅供研究参考,付费前请自行鉴别。
3、如文档内容存在违规,或者侵犯商业秘密、侵犯著作权等,请点击“违规举报”。

碎片内容

4施工管理组织机构(DOC6页)

您可能关注的文档

确认删除?
VIP
微信客服
  • 扫码咨询
会员Q群
  • 会员专属群点击这里加入QQ群
客服邮箱
回到顶部