电脑桌面
添加小米粒文库到电脑桌面
安装后可以在桌面快捷访问

一厂包装质量检查岗VIP免费

一厂包装质量检查岗_第1页
1/3
一厂包装质量检查岗_第2页
2/3
一厂包装质量检查岗_第3页
3/3
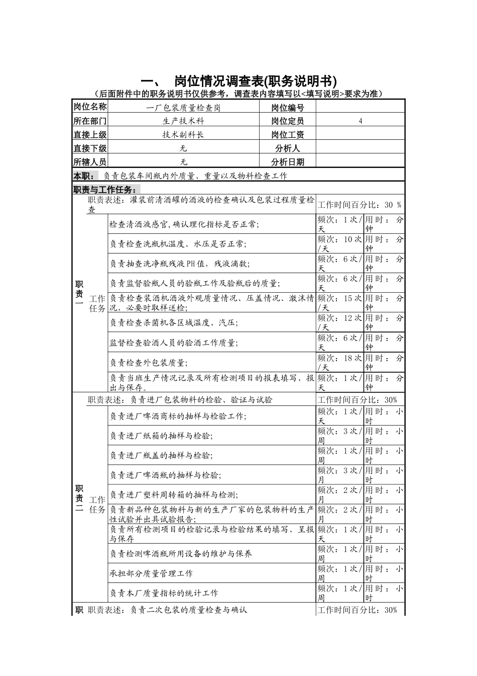
一、 岗位情况调查表(职务说明书)(后面附件中的职务说明书仅供参考,调查表内容填写以<填写说明>要求为准)岗位名称一厂包装质量检查岗岗位编号所在部门生产技术科岗位定员4直接上级技术副科长岗位工资直接下级无分析人 所辖人员无分析日期本职: 负责包装车间瓶内外质量、重量以及物料检查工作职责与工作任务:职责一职责表述:灌装前清酒罐的酒液的检查确认及包装过程质量检查工作时间百分比:30 %工作任务检查清酒液感官,确认理化指标是否正常;频次:1 次/天 用 时 : 分钟负责检查洗瓶机温度、水压是否正常;频次:10 次/天 用 时 : 分钟负责抽查洗净瓶残液 PH 值,残液滴数;频次:6 次/天用 时 : 分钟负责监督验瓶人员的验瓶工作及验瓶后的质量;频次:6 次/天用 时 : 分钟负责检查装酒机酒液外观质量情况、压盖情况、激沫情况,必要时取样送检;频次:15 次/天用 时 : 分钟负责检查杀菌机各区域温度、汽压;频次:12 次/天用 时 : 分钟监督检查验酒人员的验酒工作质量;频次:6 次/天用 时 : 分钟负责检查外包装质量;频次:18 次/天 用 时 : 分钟负责当班生产情况记录及所有检测项目的报表填写、报出与保存。频次:1 次/天 用 时 : 分钟职责二职责表述:负责进厂包装物料的检验、验证与试验工作时间百分比:30%工作任务负责进厂啤酒商标的抽样与检验工作;频次:1 次/天 用 时 : 小时负责进厂纸箱的抽样与检验;频次:3 次/周用 时 : 小时负责进厂瓶盖的抽样与检验;频次:1 次/周 用 时 : 小时负责进厂啤酒瓶的抽样与检验;频次:3 次/月用 时 : 小时负责进厂塑料周转箱的抽样与检测;频次:2 次/月 用 时 : 小时负责新品种包装物料与新的生产厂家的包装物料的生产性试验并出具试验报告;频次:2 次/月 用 时 : 小时负责所有检测项目的检验记录与检验结果的填写、呈报与保存频次:1 次/天 用 时 : 小时负责检测啤酒瓶所用设备的维护与保养频次:1 次/周 用 时 : 小时承担部分质量管理工作频次:1 次/周 用 时 : 小时负责本厂质量指标的统计工作频次:1 次/周 用 时 : 小时职 职责表述:负责二次包装的质量检查与确认工作时间百分比:30%责三工作任务监督、检查二次包装的钉箱及封箱质量;频次:1 次/天 用时:小时对装箱过程进行质量监督; 频次:1 次/天用时:小时对每批纸箱成品酒进行抽样检查并出具检验报告单...

1、当您付费下载文档后,您只拥有了使用权限,并不意味着购买了版权,文档只能用于自身使用,不得用于其他商业用途(如 [转卖]进行直接盈利或[编辑后售卖]进行间接盈利)。
2、本站所有内容均由合作方或网友上传,本站不对文档的完整性、权威性及其观点立场正确性做任何保证或承诺!文档内容仅供研究参考,付费前请自行鉴别。
3、如文档内容存在违规,或者侵犯商业秘密、侵犯著作权等,请点击“违规举报”。

碎片内容

一厂包装质量检查岗

您可能关注的文档

确认删除?
VIP
微信客服
  • 扫码咨询
会员Q群
  • 会员专属群点击这里加入QQ群
客服邮箱
回到顶部