电脑桌面
添加小米粒文库到电脑桌面
安装后可以在桌面快捷访问

机械工程师资格考试指导书VIP免费

机械工程师资格考试指导书_第1页
1/108
机械工程师资格考试指导书_第2页
2/108
机械工程师资格考试指导书_第3页
3/108
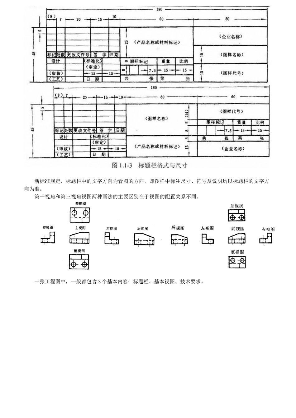
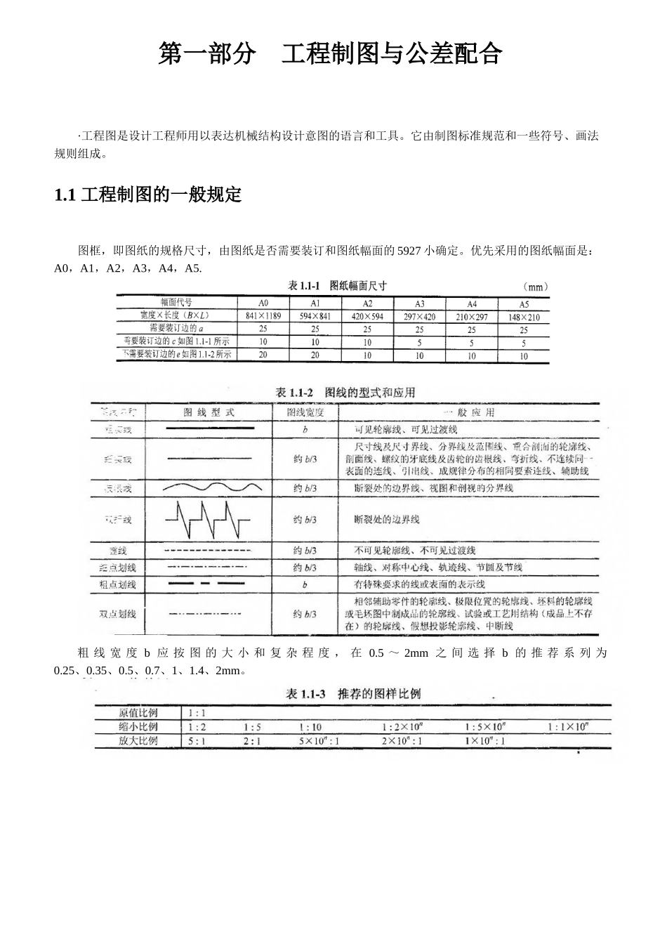
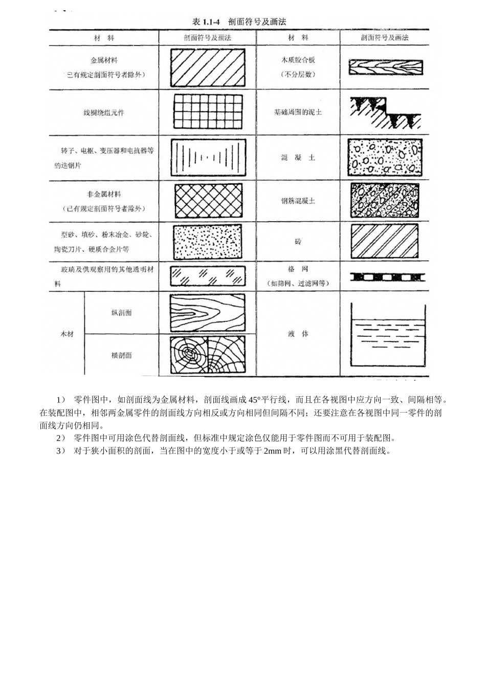
第一部分 工程制图与公差配合·工程图是设计工程师用以表达机械结构设计意图的语言和工具。它由制图标准规范和一些符号、画法规则组成。1.1 工程制图的一般规定图框,即图纸的规格尺寸,由图纸是否需要装订和图纸幅面的 5927 小确定。优先采用的图纸幅面是:A0,A1,A2,A3,A4,A5.粗 线 宽 度 b 应 按 图 的 大 小 和 复 杂 程 度 , 在 0.5 ~ 2mm 之 间 选 择 b 的 推 荐 系 列 为0.25、0.35、0.5、0.7、1、1.4、2mm。新标准规定,标题栏中的文字方向为看图的方向,即图样中标注尺寸、符号及说明均以标题栏的文字方向为准。第一视角和第三视角视图两种画法的主要区别在于视图的配置关系不同。一张工程图中,一般都包含 3 个基本内容:标题栏、基本视图、技术要求。1) 零件图中,如剖面线为金属材料,剖面线画成 45°平行线,而且在各视图中应方向一致、间隔相等。在装配图中,相邻两金属零件的剖面线方向相反或方向相同但间隔不同;还要注意在各视图中同一零件的剖面线方向仍相同。2) 零件图中可用涂色代替剖面线,但标准中规定涂色仅能用于零件图而不可用于装配图。3) 对于狭小面积的剖面,当在图中的宽度小于或等于 2mm 时,可以用涂黑代替剖面线。1.2 机械、液压、气动系统图的示意画法能认识、绘制机械、液压、气动系统的原理图,并能运用原理图进行方案设计和分析。1.5 尺寸、公差、配合与形位公差标注基孔制配合是基本偏差为一定的孔的公差带,选择改变轴的公差带获得所需配合(状态)的一种装配制度。基轴制配合是基本偏差为一定的轴的公差带,选择改变孔的公差带获得所需配合(状态)的另一种装配制度。根据 GB/T 1800.2-1998 规定,标准公差采用国际标准公差代号 IT 表示。标准公差等级分为 01, 0, 1, 2, 3,…,18 共 20 级,分别标记为 IT01,…,IT18.标准推荐,基孔制的间隙配合、轴的基本偏差用 a,b,c,d,e,f,g,h;过渡配合用 js,k,m,n;过盈配合用 p,r,s,t,u,v, x,y,z。零件单一实际要素(指构成零件几何特征实际存在的点、线、面)形状所允许的变动全量称为形状公差。关联实际要素(指对其他要素有功能关系的实际要素)的位置对基准所允许的变动全量称为位置公差。形状和位置公差简称为形位公差。表而粗糙度指已加工表面波距在 lmm 以下的微观几何形状误差。表面粗糙度由加工过程中的残留面积塑性变形、积屑瘤、鳞刺以及工艺系统的...

1、当您付费下载文档后,您只拥有了使用权限,并不意味着购买了版权,文档只能用于自身使用,不得用于其他商业用途(如 [转卖]进行直接盈利或[编辑后售卖]进行间接盈利)。
2、本站所有内容均由合作方或网友上传,本站不对文档的完整性、权威性及其观点立场正确性做任何保证或承诺!文档内容仅供研究参考,付费前请自行鉴别。
3、如文档内容存在违规,或者侵犯商业秘密、侵犯著作权等,请点击“违规举报”。

碎片内容

机械工程师资格考试指导书

您可能关注的文档

黄金阁书苑+ 关注
实名认证
内容提供者

热爱教学事业,对互联网知识分享很感兴趣

相关文档

确认删除?
VIP
微信客服
  • 扫码咨询
会员Q群
  • 会员专属群点击这里加入QQ群
客服邮箱
回到顶部