电脑桌面
添加小米粒文库到电脑桌面
安装后可以在桌面快捷访问

论室内给水塑料管的施工与应用VIP免费

论室内给水塑料管的施工与应用_第1页
1/9
论室内给水塑料管的施工与应用_第2页
2/9
论室内给水塑料管的施工与应用_第3页
3/9
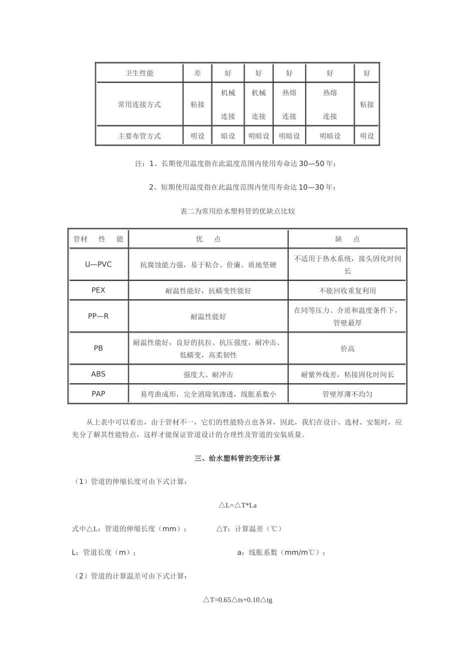
论室内给水塑料管的施工与应用论文上传:jsrg-zxl 留言论文作者:jsrg-zxl摘要:随着我国建筑业的迅猛发展,建筑材料也在不断地更新换代。给水塑料管作为一种新型化学管材,在全国已被广泛地推广应用,加快了民用建筑“以塑代钢”的步伐,它具有耐腐蚀、不结垢、无污染、安装方便、使用寿命长的特点,解决了水质的二次污染,是建筑给水理想的优质管材。 关键词:给水塑料管 硬聚氯乙烯管 U-PVC HDPE一、综述随着我国建筑业的迅猛发展,建筑材料也在不断地更新换代。给水塑料管作为一种新型化学管材,在全国已被广泛地推广应用,加快了民用建筑“以塑代钢”的步伐,它具有耐腐蚀、不结垢、无污染、安装方便、使用寿命长的特点,解决了水质的二次污染,是建筑给水理想的优质管材。目前,用于室内安装的建筑给水塑料管有:硬聚氯乙烯管(U-PVC)、高密度聚乙烯(HDPE)、交联聚乙烯(PEX)、铝塑复合管(PAP)、改性聚丙烯管(PP-R)、聚丁烯(PB)、丙烯腈—丁二烯—苯乙烯(ABS)、钢塑复合管等。二、给水塑料管的性能和特点表一为常用给水塑料管的机理性能特点比较管材性能U-PVCPEXPAPPP-RPBABS长期使用温度(℃)≤40≤90≤60≤60≤90≤60短期使用温度(℃)——≤95≤90≤90≤95≤80维卡软化温度(℃)9013313314012490耐压力性能(Mpa)1.61.0/95℃1.6/常温1.01.0/70℃1.6/常温1.6—2.5/冷水1.0/热水1.0导热系数/w/(m*k)(20℃)0.160.350.450.240.380.26抗拉强度/N/mm2(20℃)——19—26——203341线胀系数(mm/m℃)0.070.150.0250.160.130.10卫生性能差好好好好好常用连接方式粘接机械连接机械连接热熔连接热熔连接粘接主要布管方式明设暗设明暗设明暗设明暗设明设注:1、长期使用温度指在此温度范围内使用寿命达 30—50 年; 2、短期使用温度指在此温度范围内使用寿命达 10—30 年;表二为常用给水塑料管的优缺点比较管材 性 能优 点缺 点U—PVC抗腐蚀能力强,易于粘合、价廉、质地坚硬不适用于热水系统,接头固化时间长PEX耐温性能好,抗蠕变性能好不能回收重复利用PP—R耐温性能好在同等压力、介质和温度条件下,管壁最厚PB耐温性能好,良好的抗拉、抗压强度,耐冲击、低蠕变,高柔韧性价高ABS强度大、耐冲击耐紫外线差,粘接固化时间长PAP易弯曲成形,完全消除氧渗透,线胀系数小管壁厚薄不均匀从上表中可以看出,由于管材不一,它们的性能特点也各异,因此,我们在设计、选材、安装时,应充分了解其性能特点,这样才...

1、当您付费下载文档后,您只拥有了使用权限,并不意味着购买了版权,文档只能用于自身使用,不得用于其他商业用途(如 [转卖]进行直接盈利或[编辑后售卖]进行间接盈利)。
2、本站所有内容均由合作方或网友上传,本站不对文档的完整性、权威性及其观点立场正确性做任何保证或承诺!文档内容仅供研究参考,付费前请自行鉴别。
3、如文档内容存在违规,或者侵犯商业秘密、侵犯著作权等,请点击“违规举报”。

碎片内容

论室内给水塑料管的施工与应用

您可能关注的文档

黄金阁书苑+ 关注
实名认证
内容提供者

热爱教学事业,对互联网知识分享很感兴趣

确认删除?
VIP
微信客服
  • 扫码咨询
会员Q群
  • 会员专属群点击这里加入QQ群
客服邮箱
回到顶部