电脑桌面
添加小米粒文库到电脑桌面
安装后可以在桌面快捷访问

016-1燃气工程管道强度试验记录VIP免费

016-1燃气工程管道强度试验记录_第1页
1/10
016-1燃气工程管道强度试验记录_第2页
2/10
016-1燃气工程管道强度试验记录_第3页
3/10
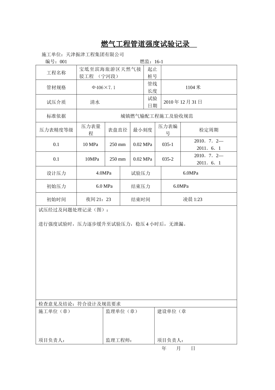
燃气管道强度试验报验申请表津监理 A7 编号:001 致:天津开发区泰达国际咨询监理公司 (监理单位):我方已完成了宝坻至滨海旅游区天然气接驳工程的穿越增口河段 1104 米燃气管线强度试验 ,请审查验收。附件:燃气工程管道强度试验记录 施工项目部(盖章) 项目经理(签字) 日期 审定(审查)意见:项目监理部(盖章)专业(总)监理工程师(签字) 日期 签收人监理单位:日期:承包单位:日期:燃气工程管道强度试验记录 施工单位:天津振津工程集团有限公司 编号:001 燃监:16-1 工程名称宝坻至滨海旅游区天然气接驳工程 (宁河段)起止桩号管材规格Ф406×7.1管线长度1104 米试压介质 清水试验日期2010 年 12 月 31 日标准依据城镇燃气输配工程施工及验收规范压力表精度等级压力表量程表盘直径最小刻度压力表编号检定周期0.1 10 MPa250 mm0.02 MPa035-12010.7.2—2011.6.10.1 10MPa250 mm0.02 MPa035-22010.7.2—2011.6.1设计压力4.0MPa 试验压力6.0MPa初始压力6.0 MPa结束压力 6.0MPa初始时间夜间 21:23结束时间凌晨 1:23试压经过及问题处理记录(图):进行强度试验时,压力逐步缓升至试验压力,稳压 4 小时后,无泄漏。检查意见及结论:符合设计及规范要求施工单位(章)项目负责人:监理单位(章)监理工程师:建设单位(章项目负责人: 年 月 日 燃气管道强度试验报验申请表津监理 A7 编号:002 燃气工程管道强度试验记录 施工单位:天津振津工程集团有限公司 致:天津开发区泰达国际咨询监理公司 (监理单位):我方已完成了宝坻至滨海旅游区天然气接驳工程的穿越浅水鱼塘段 1500 米燃气管线强度试验 ,请审查验收。附件:燃气工程管道强度试验记录 施工项目部(盖章) 项目经理(签字) 日期 审定(审查)意见:项目监理部(盖章)专业(总)监理工程师(签字) 日期 签收人监理单位:日期:承包单位:日期: 编号:002 燃监:16-1 工程名称宝坻至滨海旅游区天然气接驳工程 (宁河段)起止桩号管材规格Ф406×7.1管线长度1500 米试压介质 清水试验日期2011 年 1 月 5 日标准依据城镇燃气输配工程施工及验收规范压力表精度等级压力表量程表盘直径最小刻度压力表编号检定周期0.1 10 MPa250 mm0.02 MPa035-12010.7.2—2011.6.10.1 10MPa250 mm0.02 MPa035-22010.7.2—2011.6.1设计压力4.0MPa 试验压力6.0MPa初始压力6.0 MPa结束压力 6.0MPa初始时间下午 3:20结束...

1、当您付费下载文档后,您只拥有了使用权限,并不意味着购买了版权,文档只能用于自身使用,不得用于其他商业用途(如 [转卖]进行直接盈利或[编辑后售卖]进行间接盈利)。
2、本站所有内容均由合作方或网友上传,本站不对文档的完整性、权威性及其观点立场正确性做任何保证或承诺!文档内容仅供研究参考,付费前请自行鉴别。
3、如文档内容存在违规,或者侵犯商业秘密、侵犯著作权等,请点击“违规举报”。

碎片内容

016-1燃气工程管道强度试验记录

您可能关注的文档

确认删除?
VIP
微信客服
  • 扫码咨询
会员Q群
  • 会员专属群点击这里加入QQ群
客服邮箱
回到顶部