电脑桌面
添加小米粒文库到电脑桌面
安装后可以在桌面快捷访问

H型钢拼接和对接标准及重量VIP免费

H型钢拼接和对接标准及重量_第1页
1/9
H型钢拼接和对接标准及重量_第2页
2/9
H型钢拼接和对接标准及重量_第3页
3/9
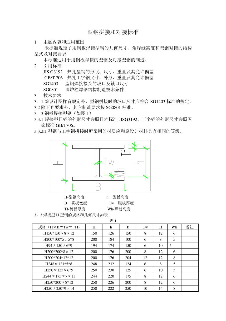
型钢拼接和对接标准 1 主题内容和适用范围 未标准规定了用钢板焊接型钢的几何尺寸、角焊缝高度和型钢对接的结构型式及对接要求 本标准适用于用钢板焊接的型钢及对接型钢的制造。 2 引用标准 JIS G3192 热扎型钢的形状、尺寸、重量及其允许偏差 GB/T 706 热扎工字钢尺寸、外形、重量及其允许偏差 SG1403 型钢焊接接头的坡口及锁口尺寸 SG0801 锅炉栓焊钢结构制造技术条件 3 技术要求 3。1 除设计图样有规定外,型钢拼接时的坡口尺寸应符合SG1403 标准的规定。 3.2 除下列要求外,其它制造要求按SG0801 标准。 3。3 钢板焊接型钢(如图1) 3.3.1 焊接型日钢的外形尺寸参照日本标准JISG3192,工字钢的外形尺寸参照国家标准GB/T706。 3.3.2H 型钢与工字钢拼接时所采用的材质应和原设计材料具有相同的等级。 H-型钢高度 h—腹板高度 B—翼板宽度 Tw—腹板厚度 Tf-翼板厚度 Wh-焊缝高度 3。3 焊接型H 型钢的规格和几何尺寸如表1 表1 规格(H*B*Tw* Tf) H h B Tw Tf Wh 备注 H150*150*8*12 150 126 150 8 12 6 H200*100*5。5*8 200 184 100 6 8 5 H94*150*6*9 194 174 150 6 10 5 H200*200*8*12 200 176 200 8 12 6 H200*204*12*12 200 176 204 12 12 8 H248*121*5*8 248 232 124 6 8 5 H250*125*6*9 250 230 125 6 10 5 H244*175*7*11 244 220 175 8 12 6 H250*200*8*12 250 226 200 8 12 6 H250*250*9*14 250 222 250 10 14 8 H250*250*14*14 250 222 255 14 14 10 H294*200*8*12 294 270 200 8 12 6 H294*302*12*12 294 270 302 12 12 8 H298*110*5。5*8 298 282 449 6 8 5 H300*150*6。5*9 300 280 450 6 10 5 H300*300*10*15 300 268 300 10 16 8 H300*305*15*15 300 268 305 16 16 10 H340*250*9*14 340 312 250 10 14 8 H341*348*10*16 344 312 348 10 16 8 H346*174*6*9 346 326 174 6 10 5 H350*175*7*11 350 326 175 8 12 6 H350*350*12*19 350 310 350 12 20 8 H388*402*15*15 388 356 402 16 16 10 H394*398*11*18 391 358 398 12 18 8 H396*199*7*11 396 372 199 8 12 6 H400*200*8*13 400 372 200 8 14 6 H390*300*10*16 390 358 300 10 16...

1、当您付费下载文档后,您只拥有了使用权限,并不意味着购买了版权,文档只能用于自身使用,不得用于其他商业用途(如 [转卖]进行直接盈利或[编辑后售卖]进行间接盈利)。
2、本站所有内容均由合作方或网友上传,本站不对文档的完整性、权威性及其观点立场正确性做任何保证或承诺!文档内容仅供研究参考,付费前请自行鉴别。
3、如文档内容存在违规,或者侵犯商业秘密、侵犯著作权等,请点击“违规举报”。

碎片内容

H型钢拼接和对接标准及重量

您可能关注的文档

确认删除?
VIP
微信客服
  • 扫码咨询
会员Q群
  • 会员专属群点击这里加入QQ群
客服邮箱
回到顶部