电脑桌面
添加小米粒文库到电脑桌面
安装后可以在桌面快捷访问

完整--高压旋喷桩--逆作法--顶管工作井施工方案VIP免费

完整--高压旋喷桩--逆作法--顶管工作井施工方案_第1页
1/18
完整--高压旋喷桩--逆作法--顶管工作井施工方案_第2页
2/18
完整--高压旋喷桩--逆作法--顶管工作井施工方案_第3页
3/18
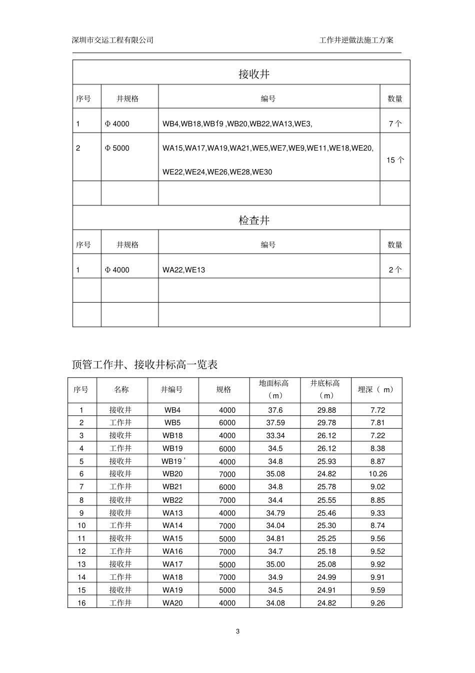
深圳市交运工程有限公司工作井逆做法施工方案1 一、工程概况1、工程简介本工程位于深圳市龙岗区龙城街道龙西社区及龙岗街道龙岗社区和新生社区, 工程内容包括由中国市政工程中南设计研究院设计的横岭污水处理厂配套干管二期工程一标段(龙西河 )的全部施工图纸内容,其中直埋段起止桩号:1、A段 WA1(K0+0.000)至 WA13(K0+726.29),WA12-WA13间为龙西河西干渠过河管道 ; 2、B段 WB1(K0+0.00)至 WB18(K1+021.79);3、C段 WC1(K0+0.00 至 WE1(K2+723.45),WC60-WE1间为龙西河东干渠过河管道 ; 4、D段 WD1(K0+0.00)至 WE1(K2+199.63);5、F 段 WF1(K0+0.00)至 WF10(K0+338.65);6、G段 WG1(K0+0.00)至 WG13(K0+359.63);其中顶管段起止桩号:1、A 段 WA13(K0+726.29)至 WE4(K1+493.04);2、B 段 WB18(K1+021.79)至 WA14(K1+499.84);3、E 段 WE1(K0+0.00)至 WE32(K3+371.06)本工程截污干管主管及支管共18.5 公里,其中明挖管道为 13.9 公里;顶管施工为 4.6 公里。本工程工作井、 接收井原设计施工工艺为沉井施工,因沉井施工深圳市交运工程有限公司工作井逆做法施工方案2 受到场地及地下市政管线的限制, 且沿线大部份管线距离周边建筑物较近,无法按原方案施工。现顶管工作井、接收井、检查井考虑采用逆做法施工工艺施工。 为了确保周边建筑物及施工安全,在工作井接收井周边采用水泥土700 搅拌桩支护,搭接200 ㎜。2、工程量顶管工作井沉井工程量表:工作井、接收井编号及数量如下:工作井序号井规格编号数量1 Φ 6000 WB5,WB19,WB21,WE2 4 个2 Φ 7000 WA14,WA16,WA18,WA20, WE4,WE6,WE27,WE29,WE31 9 个3 7500*4500 WE8,WE10,WE12,WE17,WE19,WE21,WE23,WE25 8 个深圳市交运工程有限公司工作井逆做法施工方案3 接收井序号井规格编号数量1 Φ 4000 WB4,WB18,WB19’,WB20,WB22,WA13,WE3, 7 个2 Φ 5000 WA15,WA17,WA19,WA21,WE5,WE7,WE9,WE11,WE18,WE20, WE22,WE24,WE26,WE28,WE30 15 个检查井序号井规格编号数量1 Φ 4000 WA22,WE13 2 个顶管工作井、接收井标高一览表序号名称井编号规格地面标高(m)井底标高(m)埋深( m)1 接收井WB4 4000 37.6 29.88 7.72 2 工作井WB5 6000 37.59 29.78 7.81 3 接收井WB18 4000 33.34 26.12 7.22 4 工作井WB19 6000 34.5 26.12 8.38 5 接收井WB19 ’4000 34.8 25.93 8.87...

1、当您付费下载文档后,您只拥有了使用权限,并不意味着购买了版权,文档只能用于自身使用,不得用于其他商业用途(如 [转卖]进行直接盈利或[编辑后售卖]进行间接盈利)。
2、本站所有内容均由合作方或网友上传,本站不对文档的完整性、权威性及其观点立场正确性做任何保证或承诺!文档内容仅供研究参考,付费前请自行鉴别。
3、如文档内容存在违规,或者侵犯商业秘密、侵犯著作权等,请点击“违规举报”。

碎片内容

完整--高压旋喷桩--逆作法--顶管工作井施工方案

您可能关注的文档

确认删除?
VIP
微信客服
  • 扫码咨询
会员Q群
  • 会员专属群点击这里加入QQ群
客服邮箱
回到顶部