电脑桌面
添加小米粒文库到电脑桌面
安装后可以在桌面快捷访问

(最新2018)安全生产标准化评分表VIP免费

(最新2018)安全生产标准化评分表_第1页
1/15
(最新2018)安全生产标准化评分表_第2页
2/15
(最新2018)安全生产标准化评分表_第3页
3/15
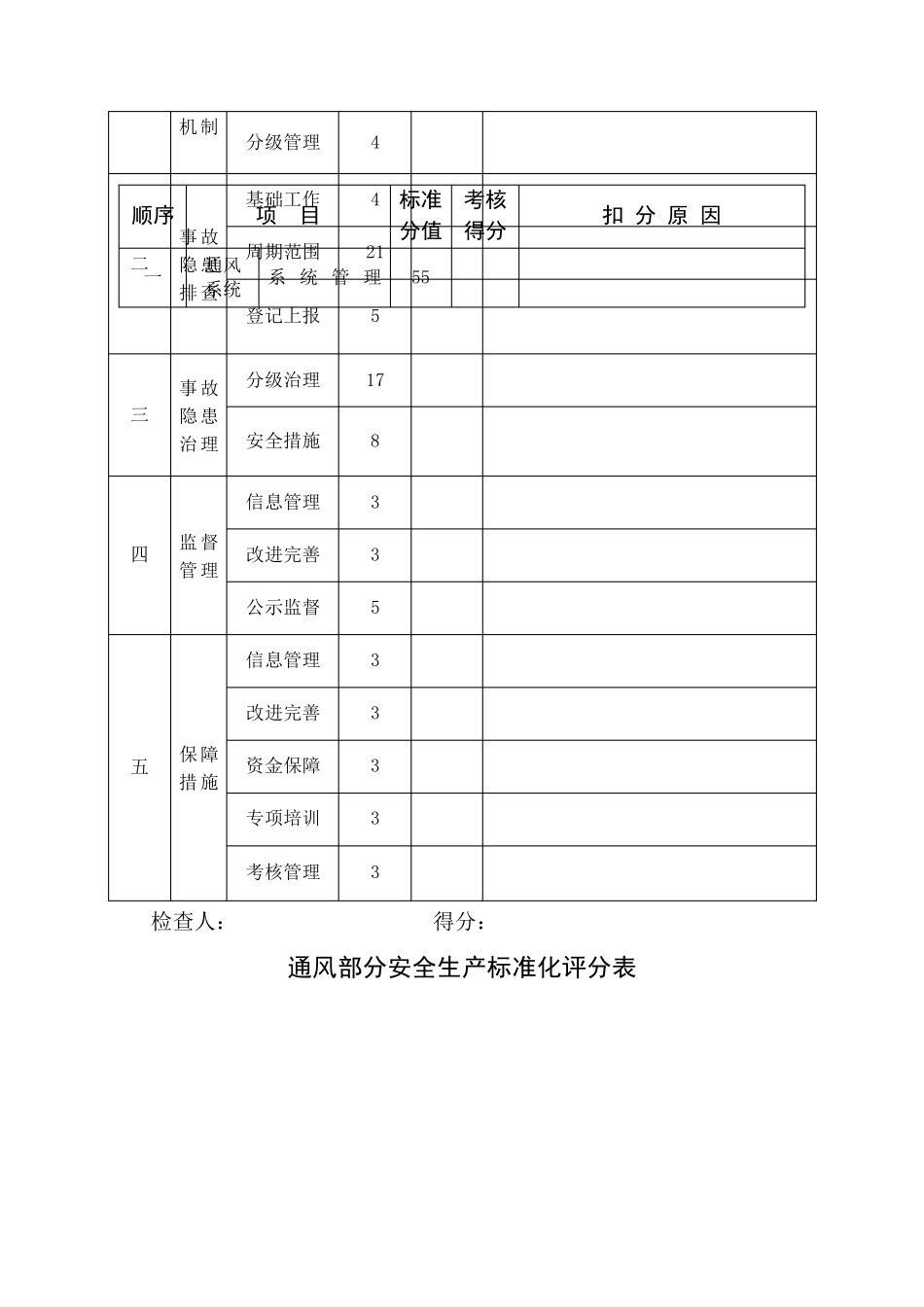
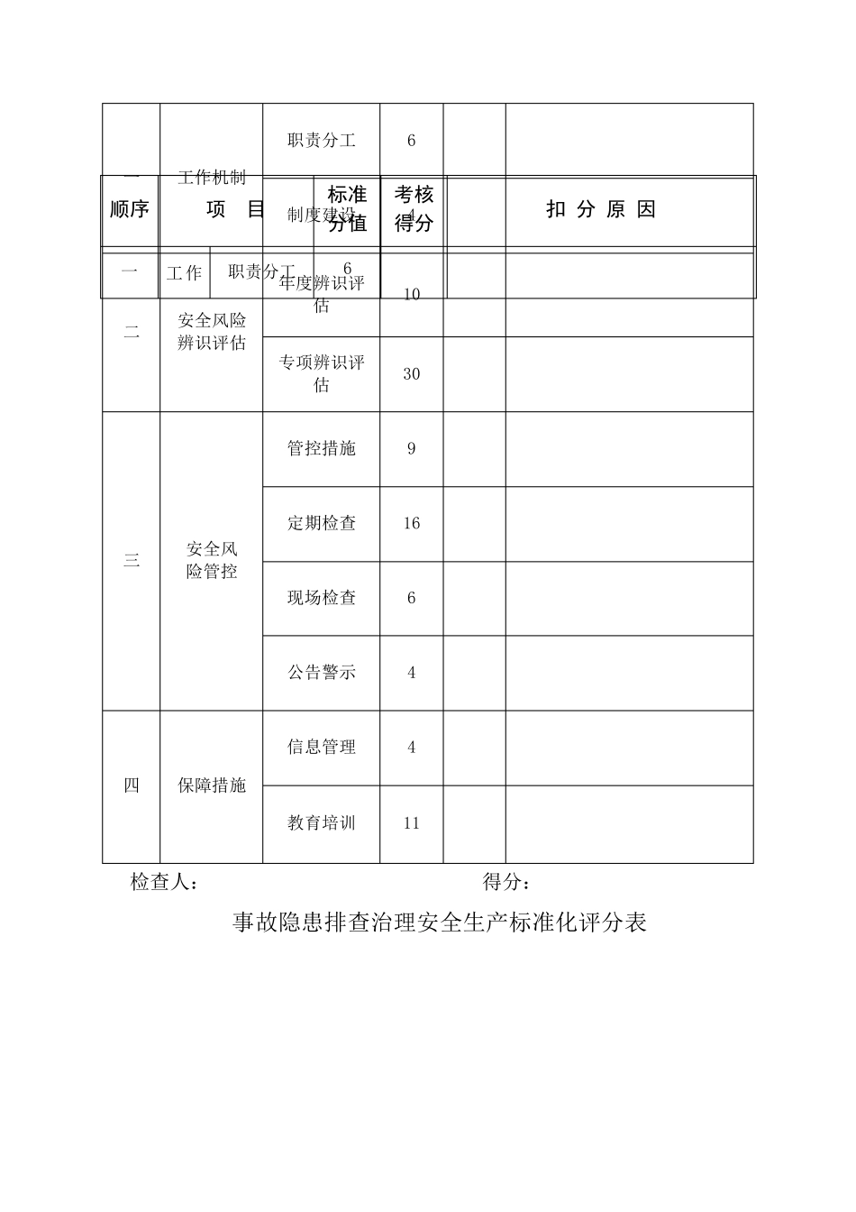
安全风险分级管控安全生产标准化评分表 顺序 项 目 标准分值 考核得分 扣 分 原 因 检查人: 得分: 事故隐患排查治理安全生产标准化评分表 一 工作机制 职责分工 6 制度建设 4 二 安全风险 辨识评估 年度辨识评估 10 专项辨识评估 30 三 安全风 险管控 管控措施 9 定期检查 16 现场检查 6 公告警示 4 四 保障措施 信息管理 4 教育培训 11 顺序 项 目 标准分值 考核得分 扣 分 原 因 一 工作职责分工 6 检查人: 得分: 通风部分安全生产标准化评分表 机制 分级管理 4 二 事故隐患排查 基础工作 4 周期范围 21 登记上报 5 三 事故隐患治理 分级治理 17 安全措施 8 四 监督管理 信息管理 3 改进完善 3 公示监督 5 五 保障措施 信息管理 3 改进完善 3 资金保障 3 专项培训 3 考核管理 3 顺序 项 目 标准分值 考核得分 扣 分 原 因 一 通风 系统 系 统 管理 55 风量配置 45 二 局部 通风 装备措施 50 风筒敷设 50 三 通风 设施 设施管理 30 密闭 20 风门风墙 30 风桥 20 四 瓦斯 管理 鉴定及措施 25 瓦斯检查 35 现场管理 40 五 突出 防治 突出管理 75 设备设施 25 六 瓦斯 抽采 抽采系统 30 检查与管理 70 七 安全 监控 装备设置 55 检测 试 验 15 监 控 设备 20 资 料 管理 10 检查人: 得分: 地质灾害防治与测量安全生产标准化评分表 八 防灭 火 防治措施 40 设施设备 45 控制指标 10 封闭时限 5 九 粉尘 防治 鉴定及措施 10 设备设施 50 防除尘措施 40 十 井下 爆破 物品管理 30 爆破管理 70 十一 基础 管理 组 织 保 障 10 工 作 制度 20 岗 位 规 范 30 顺序 项 目 标准分值 考核得分 扣 分 原 因 一 地质灾害与测量 规章制度 50 检查人: 得分: 采煤安全生产标准化评分表 顺序 项目 标准分值 考核得分 扣 分 原 因 (J) 组织保障与装备 50 二 地质(D) 基础工作 20 基础资料 35 预测预报 10 瓦斯地质 15 资源回收及储量管理 20 三 测量(C) 基础工作 40 基本矿图 40 沉陷观测控制 20 四 防治水(F) 水文地质基础工作 45 防治水工程 50 水害预警 5 五 防治冲击地压(F) 基础管理 10 防冲技术 40 防冲措施 30 防护措施 10 基础资料 1...

1、当您付费下载文档后,您只拥有了使用权限,并不意味着购买了版权,文档只能用于自身使用,不得用于其他商业用途(如 [转卖]进行直接盈利或[编辑后售卖]进行间接盈利)。
2、本站所有内容均由合作方或网友上传,本站不对文档的完整性、权威性及其观点立场正确性做任何保证或承诺!文档内容仅供研究参考,付费前请自行鉴别。
3、如文档内容存在违规,或者侵犯商业秘密、侵犯著作权等,请点击“违规举报”。

碎片内容

(最新2018)安全生产标准化评分表

小辰2+ 关注
实名认证
内容提供者

出售各种资料和文档

确认删除?
VIP
微信客服
  • 扫码咨询
会员Q群
  • 会员专属群点击这里加入QQ群
客服邮箱
回到顶部