电脑桌面
添加小米粒文库到电脑桌面
安装后可以在桌面快捷访问

PCB电镀沉铜药水控制工艺VIP免费

PCB电镀沉铜药水控制工艺_第1页
1/12
PCB电镀沉铜药水控制工艺_第2页
2/12
PCB电镀沉铜药水控制工艺_第3页
3/12
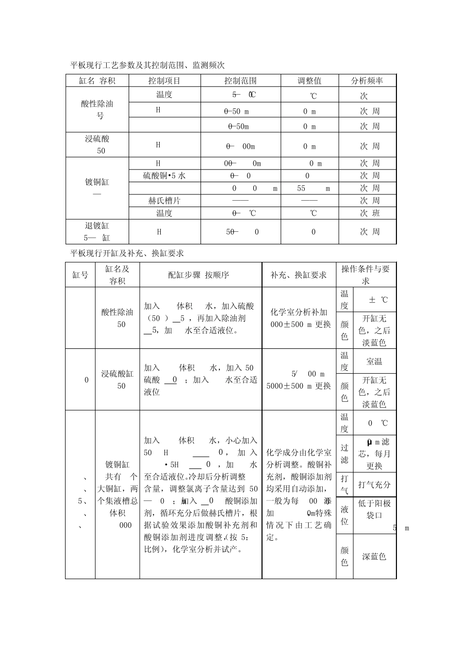
平板现行工艺参数及其控制范围、监测频次 缸名/容积 控制项目 控制范围 调整值 分析频率 酸性除油 7号 温度 25—30℃ 28℃ 1次/8h H2SO4 10—50 ml /L 30 ml/L 3次/周 FR 10—50ml/L 30 ml/L 3次/周 浸硫酸 450L H2SO4 60—100ml/L 80 ml/L 1次/周 镀铜缸 13—18 H2SO4 100—120ml/L 110 ml/L 3次/周 硫酸铜•5 水 60—80g/L 70 g/L 2次/周 Cl- 40-70ppm 55 ppm 2次/周 赫氏槽片 —— —— 3次/周 温度 20—28℃ 24℃ 1次/班 退镀缸 5—6缸 HNO3 250—280g/L 260 g/L 2次/周 平板现行开缸及补充、换缸要求 缸号 缸名及 容积 配缸步骤(按顺序) 补充、换缸要求 操作条件与要求 7 酸性除油 450L 加入1/2体积DI水,加入硫酸(50%)35 L,再加入除油剂FR 15L,加DI水至合适液位。 化学室分析补加 8000±500 m2更换 温度 28±2℃ 颜色 开缸无色,之后淡蓝色 10 浸硫酸缸 450L 加入1/2体积DI水,加入50%硫酸 90 L;加入DI水至合适液位 1.5L/100 m2 5000±500 m2更换 温度 室温 颜色 开缸无色,之后淡蓝色 13、14、15、16、17、18 镀铜缸 (共有6个大铜缸,两个集液槽总体积13000L) 加入1/2体积DI水,小心加入50% H2SO4 3720 L,加入CuSO4·5H2O 910 kg,加DI水至合适液位。冷却后分析调整Cl-含量,调整氯离子含量达到 50—70ppm;加入40 L酸铜添加剂,循环充分后做赫氏槽片,根据试验效果添加酸铜补充剂和酸铜添加剂进度调整,(按5:1比例),化学室分析并试产。 化学成分由化学室分析调整。酸铜补充剂,酸铜添加剂均采用自动添加,一般为每100AH添加8- 10ml,特殊情况下由工艺确定。 温度 20-28℃ 过滤 10μ m 滤芯,每月更换 打气 打气充分 液位 低于阳 极袋 口2-2.5cm 颜色 深 蓝色 42 退镀缸 300L 有退镀母液先加入退镀母液,,然后加入HNO3(浓),按加硝酸量的1\3补水,保证循环正常;化学室分析并调整硝酸至合适浓度。新配退镀缸需加硝酸120L,加水40L 10—20L/1000 m2 温度 室温 颜色 深蓝色 平板药缸工艺操作规范 药缸 名称 槽积 (L) 温度 范围 调整值 测量 频次 循环过滤 打气 槽寿命 酸性除油 450 25-30℃ 28℃ 1次/天 有 无 8000 m2 浸硫酸缸 450 室温 1次/天 无 无 镀铜 13000L 22-25℃ 24℃ 1次/班 有 适当 退镀 300L 室温 1次/周 有 无 工艺通知 图电工...

1、当您付费下载文档后,您只拥有了使用权限,并不意味着购买了版权,文档只能用于自身使用,不得用于其他商业用途(如 [转卖]进行直接盈利或[编辑后售卖]进行间接盈利)。
2、本站所有内容均由合作方或网友上传,本站不对文档的完整性、权威性及其观点立场正确性做任何保证或承诺!文档内容仅供研究参考,付费前请自行鉴别。
3、如文档内容存在违规,或者侵犯商业秘密、侵犯著作权等,请点击“违规举报”。

碎片内容

PCB电镀沉铜药水控制工艺

您可能关注的文档

确认删除?
VIP
微信客服
  • 扫码咨询
会员Q群
  • 会员专属群点击这里加入QQ群
客服邮箱
回到顶部