电脑桌面
添加小米粒文库到电脑桌面
安装后可以在桌面快捷访问

完整版085固定式钢梯及平台安全要求:钢斜梯GB4052009VIP免费

完整版085固定式钢梯及平台安全要求:钢斜梯GB4052009_第1页
1/4
完整版085固定式钢梯及平台安全要求:钢斜梯GB4052009_第2页
2/4
完整版085固定式钢梯及平台安全要求:钢斜梯GB4052009_第3页
3/4
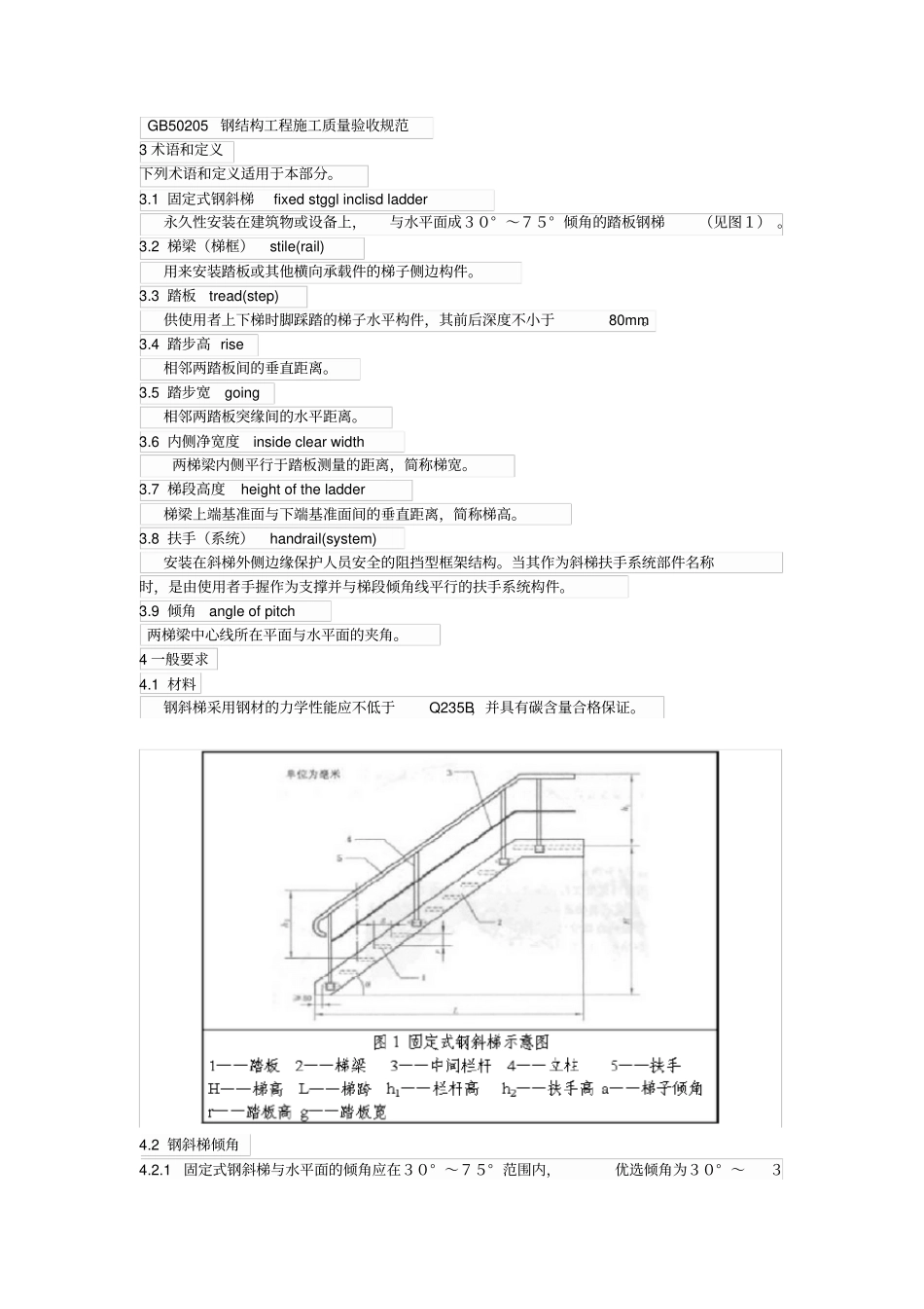
固定式钢梯及平台安全要求第2部分:斜钢梯本部分是对GB4053.2-1993 《固定式钢斜梯安全技术条件》的修订。本部分与 GB4053.2-1993 相比主要变化如下:———修改了对材料的要求;———增加了钢斜梯倾角范围的规定及建议倾角;———增加了踏步高与踏步宽组合关系的公式要求;———修改了部分设计载荷的规定,增加了扶手立柱及中间栏杆载荷的要求;———修改了防锈及防腐蚀的要求;———增加了防雷电保护接地要求;———修改了梯高的规定;———修改了梯子内侧净宽度尺寸的要求;———增加了踏板前后深度尺寸要求及重叠尺寸的规定;———增加了梯子上方空间的要求;———增加了踏板间距的规定;———修改了踏板防滑的要求,允许采用防滑突缘;———增加了梯梁在梯子底部的结构要求;———增加了设置梯子扶手的条件及形式的规定;———修改了扶手高度要求;———增加了扶手周围最小空间的要求;———增加了扶手采用非圆形截面时的尺寸要求。本部分由国家安全生产监督管理总局提出。本部分由全国安全生产标准化技术委员会归口。本部分负责起草单位:吉林省安全科学技术研究院、长春工业大学、长春工程学院。本部分主要起草人:肖建民、郑凡颖、韩连英、曲生、孙伟。本部分所代替标准的历次版本发布情况为:——— GB4053.2-1983 ;——— GB4053.2-1993 。固定式钢梯及平台安全要求第2部分:钢斜梯1 范围本部分规定了固定式钢斜梯的设计、制造和安装方面的基本安全要求。本部分适用于工业企业内工作场所中使用的固定式钢斜梯(另有标准规定的除外)。2 规范性引用文件下列文件中的条款通过GB4053的本部分的引用而成为本部分的条款。凡是注日期的引用文件,其随后所有的修改单(不包括勘误的内容)或修订版均不适用于本部分,然而,鼓励根据本部分达成协议的各方研究是否可使用这些文件的最新版本。凡是不注日期的引用文件,其最新版本适用于本部分。 GB4053.3固定式钢梯及平台安全要求第3部分:工业防护栏杆及钢平台 GB50057 建筑物防雷设计规范 GB50205 钢结构工程施工质量验收规范3 术语和定义下列术语和定义适用于本部分。3.1 固定式钢斜梯 fixed stggl inclisd ladder永久性安装在建筑物或设备上,与水平面成30° ~75° 倾角的踏板钢梯(见图1) 。3.2 梯梁(梯框) stile(rail)用来安装踏板或其他横向承载件的梯子侧边构件。3.3 踏板 tread(step) 供使用者上下梯时脚踩踏的梯子水平构件,...

1、当您付费下载文档后,您只拥有了使用权限,并不意味着购买了版权,文档只能用于自身使用,不得用于其他商业用途(如 [转卖]进行直接盈利或[编辑后售卖]进行间接盈利)。
2、本站所有内容均由合作方或网友上传,本站不对文档的完整性、权威性及其观点立场正确性做任何保证或承诺!文档内容仅供研究参考,付费前请自行鉴别。
3、如文档内容存在违规,或者侵犯商业秘密、侵犯著作权等,请点击“违规举报”。

碎片内容

完整版085固定式钢梯及平台安全要求:钢斜梯GB4052009

确认删除?
VIP
微信客服
  • 扫码咨询
会员Q群
  • 会员专属群点击这里加入QQ群
客服邮箱
回到顶部