电脑桌面
添加小米粒文库到电脑桌面
安装后可以在桌面快捷访问

完整版1500V直流柜进线柜VIP免费

完整版1500V直流柜进线柜_第1页
1/10
完整版1500V直流柜进线柜_第2页
2/10
完整版1500V直流柜进线柜_第3页
3/10
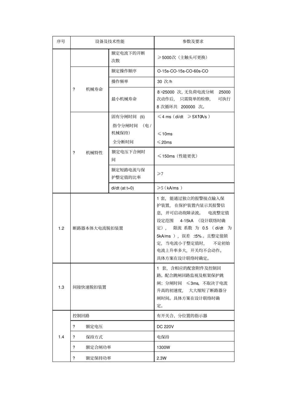
1500V 直流柜进线柜1 一次部分本工程 1500V 直流 开关柜 分为进线柜、馈线柜、负极柜和端子柜四种类型,技术性能及要求分述如下。1.1 进线柜进线柜 配置 1500V 正极母线、直流快速断路器、分流器、微机综合测控保护装置及其它辅助设备,实现整流机组向1500V直流正极母线馈电的控制。断路器柜采用前后开门及双面维护的方式, 可以极大地方便运行维护人员的工作,并且在后门上装有钥匙锁,确保运行维护人员的安全。 当断路器柜需做维护或检查时,将手车推出试验或隔离位置,绝缘活门自动将带电静触头隔离起来,确保了维护、检查人员的人身安全。进线柜装设手车式直流快速断路器,手车采用丝杆摇进式推进/退出方式,能十分方便地推进和退出,具有“运行 ”、“试验 ”、“移开 ”三个明显位置,且有位置状态返讯。手车入柜后有两个定位:试验位置和运行位置,均能独立、可靠锁定,并能与开关安全联锁:手车在试验位时,开关主回路动、静触头不接通,有符合规定的绝缘隔板将动、静触头及快速开关室、母线室隔开。当手车处于移开位置且航空插头完全分离,此位置主回路开关动、静触头不接通, 断路器不能进行合、分操作。断路器手车在“运行 ”、“试验 ”位置间移动时,采用丝杆摇进式推进/退出方式,能保证手车平稳地在二位置间移动,对母线系统无冲击。MB 手车视图断路器手车包含直流快速断路器,线路测试相关器件、断路器分合闸回路,在电气性能保证的条件下,强化了操作维护的便利性。MB 断路器手车主要特点如下:手车采用柜体导轨承载式结构,断路器手车与柜体底板即地面无接触有效较少直流开关柜对于变电所地面平整度的要求;手车轻便,在 “运行 ”与“试验 ”位置间移动时,采用丝杆摇进式操作机构,手车推进/退出平稳,保证手车主触头与主母排可靠连接。在手车底部配有能灵活移动的高强度耐磨橡胶滚轮,通过灵活可靠的操作机构,加上先进设备的高精度制造,手车进出灵活、方便,能十分方便地推进/退出。同规格的断路器手车具有完全的互换性;断路器手车包含线路测试等一次元件,断路器便于检修维护(断路器手车拉出)。柜内主要设备及技术参数不低于下表所列要求:序号设备及技术性能参数及要求1直流快速开关1 套,国际知名的瑞士SECHERON公司产品1.1开关本体1 台, UR40E-82S 4000A 电保持?型式直流快速断路器,手车式?额定电压DC1800V (性能更优)?最高工作电压DC2000V (性能更优)?额定绝缘电压3000V?额定...

1、当您付费下载文档后,您只拥有了使用权限,并不意味着购买了版权,文档只能用于自身使用,不得用于其他商业用途(如 [转卖]进行直接盈利或[编辑后售卖]进行间接盈利)。
2、本站所有内容均由合作方或网友上传,本站不对文档的完整性、权威性及其观点立场正确性做任何保证或承诺!文档内容仅供研究参考,付费前请自行鉴别。
3、如文档内容存在违规,或者侵犯商业秘密、侵犯著作权等,请点击“违规举报”。

碎片内容

完整版1500V直流柜进线柜

确认删除?
VIP
微信客服
  • 扫码咨询
会员Q群
  • 会员专属群点击这里加入QQ群
客服邮箱
回到顶部