电脑桌面
添加小米粒文库到电脑桌面
安装后可以在桌面快捷访问

完整版2×350MW火力发电厂电气部分设计VIP免费

完整版2×350MW火力发电厂电气部分设计_第1页
1/30
完整版2×350MW火力发电厂电气部分设计_第2页
2/30
完整版2×350MW火力发电厂电气部分设计_第3页
3/30
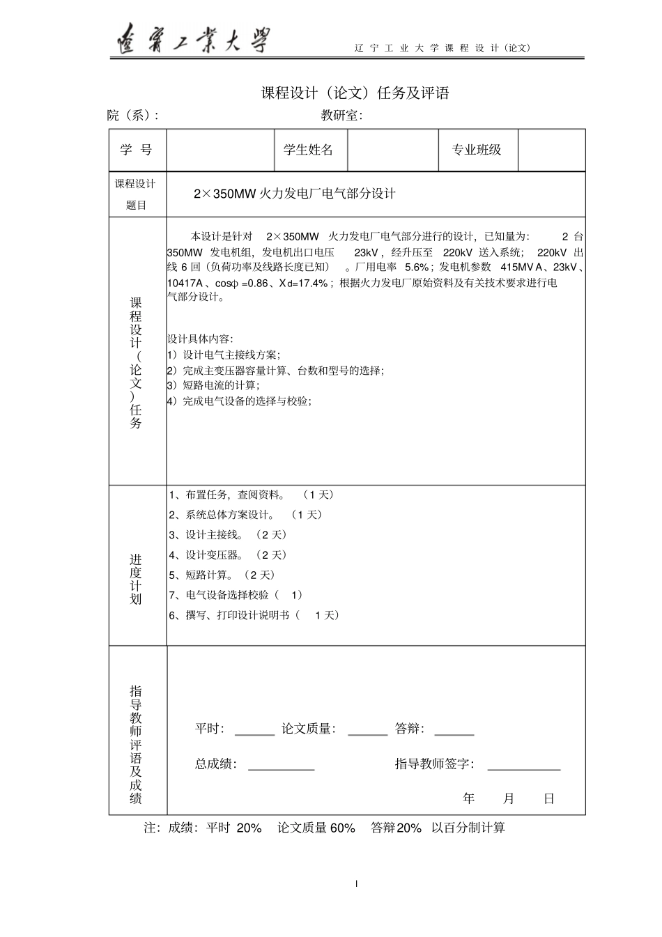
辽 宁 工 业 大 学发电厂电气部分课程设计(论文)题目:2×350MW 火力发电厂电气部分设计(2)院(系):专业班级:学号:学生姓名:指导教师:起止时间:辽 宁 工 业 大 学 课 程 设 计(论文)I 课程设计(论文)任务及评语院(系):教研室:注:成绩:平时 20% 论文质量 60% 答辩20% 以百分制计算学 号学生姓名专业班级课程设计题目2×350MW 火力发电厂电气部分设计课程设计(论文)任务本设计是针对2×350MW火力发电厂电气部分进行的设计,已知量为:2 台350MW 发电机组,发电机出口电压23kV ,经升压至220kV 送入系统; 220kV 出线 6 回(负荷功率及线路长度已知)。厂用电率 5.6%;发电机参数415MV A、23kV 、10417A 、cosφ =0.86、X d=17.4% ;根据火力发电厂原始资料及有关技术要求进行电气部分设计。设计具体内容:1)设计电气主接线方案;2)完成主变压器容量计算、台数和型号的选择;3)短路电流的计算;4)完成电气设备的选择与校验;进度计划1、布置任务,查阅资料。 (1 天)2、系统总体方案设计。 (1 天)3、设计主接线。 (2 天)4、设计变压器。 (2 天)5、短路计算。(2 天)7、电气设备选择校验(1)6、撰写、打印设计说明书(1 天)指导教师评语及成绩平时:论文质量:答辩:总成绩:指导教师签字:年月日辽 宁 工 业 大 学 课 程 设 计(论文)II 摘 要电能是经济发展最重要的一种能源,可以方便、高效地转换成其它能源形式。当今,火力发电在我国乃至全世界范围,其装机容量占总装机容量的70%左右,发电量占总发电量的80%左右。由此可见, 电能在我国这个发展中国家的国民经济中担任着主力军的作用。设计中将主要从理论上在电气主接线设计,短路电流计算,电气设备的选择,配电装置的布局,防雷设计,发电机、变压器和母线的继电保护等方面做详尽的论述,并与五彩湾发电厂现行运行情况比较,同时,在保证设计安全的前提下,还要兼顾可靠性、经济性和灵活性,通过计算论证该火电厂实际设计的合理性与经济性。在计算和论证的过程中,结合电气工程手册规范,采用 CAD软件绘制了大量电气图,进一步完善了设计。在我国这个发展中国家的国民经济中担任着主力军的作用的是电能。由此可见,电能是经济发展最重要的一种能源,可以方便、 高效地转换成其它能源形式。当今,有许多新兴的发电形式如:火力发电、潮汐能、风能、太阳能等的发电形式。但火力发电是我...

1、当您付费下载文档后,您只拥有了使用权限,并不意味着购买了版权,文档只能用于自身使用,不得用于其他商业用途(如 [转卖]进行直接盈利或[编辑后售卖]进行间接盈利)。
2、本站所有内容均由合作方或网友上传,本站不对文档的完整性、权威性及其观点立场正确性做任何保证或承诺!文档内容仅供研究参考,付费前请自行鉴别。
3、如文档内容存在违规,或者侵犯商业秘密、侵犯著作权等,请点击“违规举报”。

碎片内容

完整版2×350MW火力发电厂电气部分设计

文库响当当+ 关注
实名认证
内容提供者

该用户很懒,什么也没介绍

相关文档

确认删除?
VIP
微信客服
  • 扫码咨询
会员Q群
  • 会员专属群点击这里加入QQ群
客服邮箱
回到顶部