电脑桌面
添加小米粒文库到电脑桌面
安装后可以在桌面快捷访问

完整版CA6140车床手柄轴课程设计工序卡VIP免费

完整版CA6140车床手柄轴课程设计工序卡_第1页
1/9
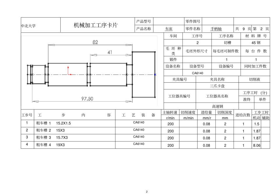
完整版CA6140车床手柄轴课程设计工序卡_第2页
2/9
完整版CA6140车床手柄轴课程设计工序卡_第3页
3/9
e 中北大学机械加工工序卡片产品型号零件图号产品名称车床零件名称手柄轴共9 页 第1 页车间工序号工序名称材 料 牌 号1 粗车45 钢毛 坯 种 类毛坯外形尺寸每毛坯可制件数每 台 件 数锻件mmmm126441 1 设备名称设备型号设备编号同时加工件数卧式车床CA61401 夹具编号夹具名称切削液三爪自定心卡盘工位器具编号工位器具名称工序工时(分) 准终单件可转位车刀工步号工步内容工艺装备主轴转速切削速度进给量切削深度进给次数工步工时r/min m/min mm/r mm 机动 辅助1 粗车车端面CA6140200 16 0.5 12 1 17.7 2 钻中心孔CA6140200 1 4 3 粗车mm8.21033.0外圆CA6140200 16 0.5 1.1 1 64.2 4 粗车mm8.17033.0外圆CA6140200 16 0.5 2 1 30 5 1 6 1 7 1 2 中北大学机械加工工序卡片产品型号零件图号产品名称车床零件名称手柄轴共9 页 第2 页车间工序号工序名称材 料 牌 号2 切槽45 钢毛 坯 种类毛坯外形尺寸每毛坯可制件数每 台 件 数锻件1 1 设备名称设备型号设备编号同时加工件数CA6140夹具编号夹具名称切削液三爪卡盘工位器具编号工位器具名称工序工时(分) 准终单件高速钢工步号工步内容工艺装备主轴转速切削速度进给量切削深度进给次数工步工时r/min m/min mm/r mm 机动 辅助1 粗车槽 1 15.2X1.5CA6140200 0.08 2 1 1.5 2 粗车槽 2 15X3CA6140200 0.08 2 1 1.87 3 粗车槽 3 15.7X3 CA6140200 0.08 2 1 1.87 4 粗车槽 4 19X3CA6140200 0.08 2 1 8.06 3 中北大学机械加工工序卡片产品型号零件图号产品名称车床零件名称手柄轴共9 页 第3 页车间工序号工序名称材 料 牌 号3 粗车45 钢毛 坯种 类毛坯外形尺寸每毛坯可制件数每 台 件 数锻铁1 设备名称设备型号设备编号同时加工件数CA6140夹具编号夹具名称切削液三爪卡盘工位器具编号工位器具名称工序工时(分) 准终单件可转位车刀工步号工步内容工艺装备主轴转速切削速度进给量切削深度进给次数工步工时r/min m/min mm/r mm 机动 辅助1 粗车外圆mm44CA6140200 25.1 0.5 22 1 16.2 2 粗车端面 2CA6140200 0.5 2 1 15 3 4 中北大学机械加工工序卡片产品型号零件图号产品名称车床零件名称手柄轴共9 页 第4 页车间工序号工序名称材 料 牌 号4 精车45 钢毛 坯 种 类毛坯外形尺寸每毛坯可制件数每 台 件 数锻件1 设备名称设备型号设备编号同时加...

1、当您付费下载文档后,您只拥有了使用权限,并不意味着购买了版权,文档只能用于自身使用,不得用于其他商业用途(如 [转卖]进行直接盈利或[编辑后售卖]进行间接盈利)。
2、本站所有内容均由合作方或网友上传,本站不对文档的完整性、权威性及其观点立场正确性做任何保证或承诺!文档内容仅供研究参考,付费前请自行鉴别。
3、如文档内容存在违规,或者侵犯商业秘密、侵犯著作权等,请点击“违规举报”。

碎片内容

完整版CA6140车床手柄轴课程设计工序卡

确认删除?
VIP
微信客服
  • 扫码咨询
会员Q群
  • 会员专属群点击这里加入QQ群
客服邮箱
回到顶部