电脑桌面
添加小米粒文库到电脑桌面
安装后可以在桌面快捷访问

完整版世茂工程质量考核标准VIP免费

完整版世茂工程质量考核标准_第1页
1/14
完整版世茂工程质量考核标准_第2页
2/14
完整版世茂工程质量考核标准_第3页
3/14
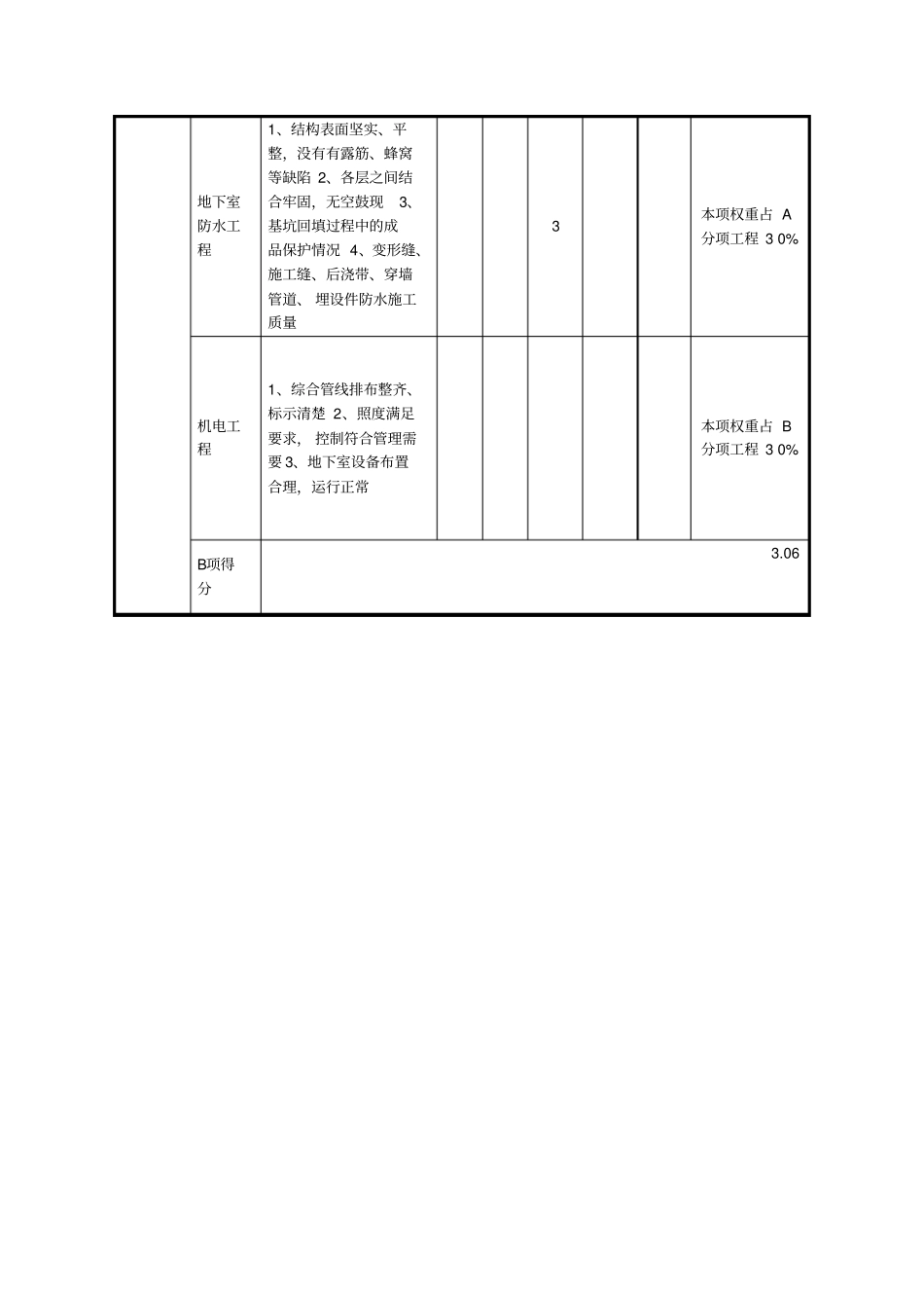
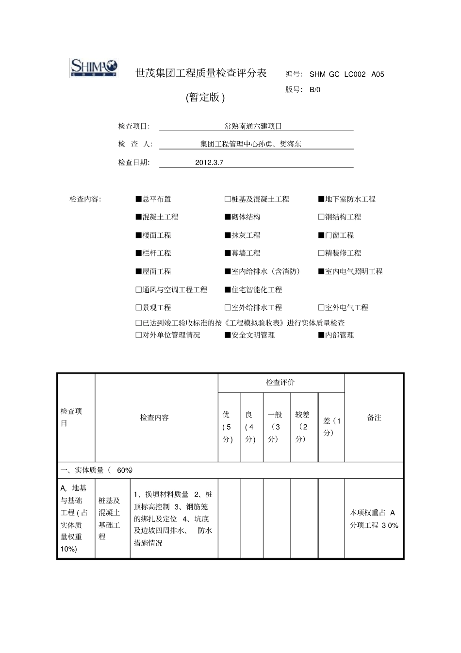
编号: SHM‐GC‐LC002‐A05版号: B/0 检查项目:常熟南通六建项目检 查 人:集团工程管理中心孙勇、樊海东检查日期: 2012.3.7 检查内容:■总平布置□桩基及混凝土工程■地下室防水工程■混凝土工程■砌体结构□钢结构工程■楼面工程■抹灰工程■门窗工程■栏杆工程■幕墙工程□精装修工程■屋面工程■室内给排水(含消防)■室内电气照明工程□通风与空调工程工程■住宅智能化工程□景观工程□室外给排水工程□室外电气工程□已达到竣工验收标准的按《工程模拟验收表》进行实体质量检查□对外单位管理情况■安全文明管理■内部管理检查项目检查内容检查评价备注优( 5分) 良( 4分) 一般(3分)较差(2分)差(1分)一、实体质量(60%)A,地基与基础工程 ( 占实体质量权重10%) 桩基及混凝土基础工程1、换填材料质量 2、桩顶标高控制 3、钢筋笼的绑扎及定位 4、坑底及边坡四周排水、防水措施情况本项权重占 A分项工程 3 0% 世茂集团工程质量检查评分表(暂定版 )钢筋工程、混凝土工程、砌体工程相关要求见主体结构本项权重占 A分项工程 40%(钢筋工程占本项次的 4 0%,混凝土工程占35%,砌体工程占25%)地下室防水工程1、结构表面坚实、平整,没有有露筋、蜂窝等缺陷 2、各层之间结合牢固,无空鼓现3、基坑回填过程中的成品保护情况 4、变形缝、施工缝、后浇带、穿墙管道、 埋设件防水施工质量3.1 本项权重占 A分项工程 3 0% A项得分3.1 土建工程相关要求见地基基础的钢筋、混凝土、砌筑工程3.1 本项权重占 A分项工程 40%(钢筋工程占本项次的 4 0%,混凝土工程占35%,砌体工程占25%)地下室防水工程1、结构表面坚实、平整,没有有露筋、蜂窝等缺陷 2、各层之间结合牢固,无空鼓现3、基坑回填过程中的成品保护情况 4、变形缝、施工缝、后浇带、穿墙管道、 埋设件防水施工质量3 本项权重占 A分项工程 3 0% 机电工程1、综合管线排布整齐、标示清楚 2、照度满足要求, 控制符合管理需要 3、地下室设备布置合理,运行正常本项权重占 B分项工程 3 0% B项得分3.06 检查项目检查内容检查评价备注优 ( 5分 ) 良( 4分) 一般(3分)较差( 2分)差(1分)混凝土结构1、模板及支架有足够的承载能力、刚度和稳定性,模板的接缝不漏浆2、模板内无杂物,钢筋上无油污等 3、钢筋平直、无损伤、 表面无裂纹、 油污、颗粒状或片状老锈4、混凝土养护本项权重占 C分项工程 1 5% 钢筋工程1、钢...

1、当您付费下载文档后,您只拥有了使用权限,并不意味着购买了版权,文档只能用于自身使用,不得用于其他商业用途(如 [转卖]进行直接盈利或[编辑后售卖]进行间接盈利)。
2、本站所有内容均由合作方或网友上传,本站不对文档的完整性、权威性及其观点立场正确性做任何保证或承诺!文档内容仅供研究参考,付费前请自行鉴别。
3、如文档内容存在违规,或者侵犯商业秘密、侵犯著作权等,请点击“违规举报”。

碎片内容

完整版世茂工程质量考核标准

您可能关注的文档

确认删除?
VIP
微信客服
  • 扫码咨询
会员Q群
  • 会员专属群点击这里加入QQ群
客服邮箱
回到顶部