电脑桌面
添加小米粒文库到电脑桌面
安装后可以在桌面快捷访问

典型试验记录与检测报告的格式VIP免费

典型试验记录与检测报告的格式_第1页
1/10
典型试验记录与检测报告的格式_第2页
2/10
典型试验记录与检测报告的格式_第3页
3/10
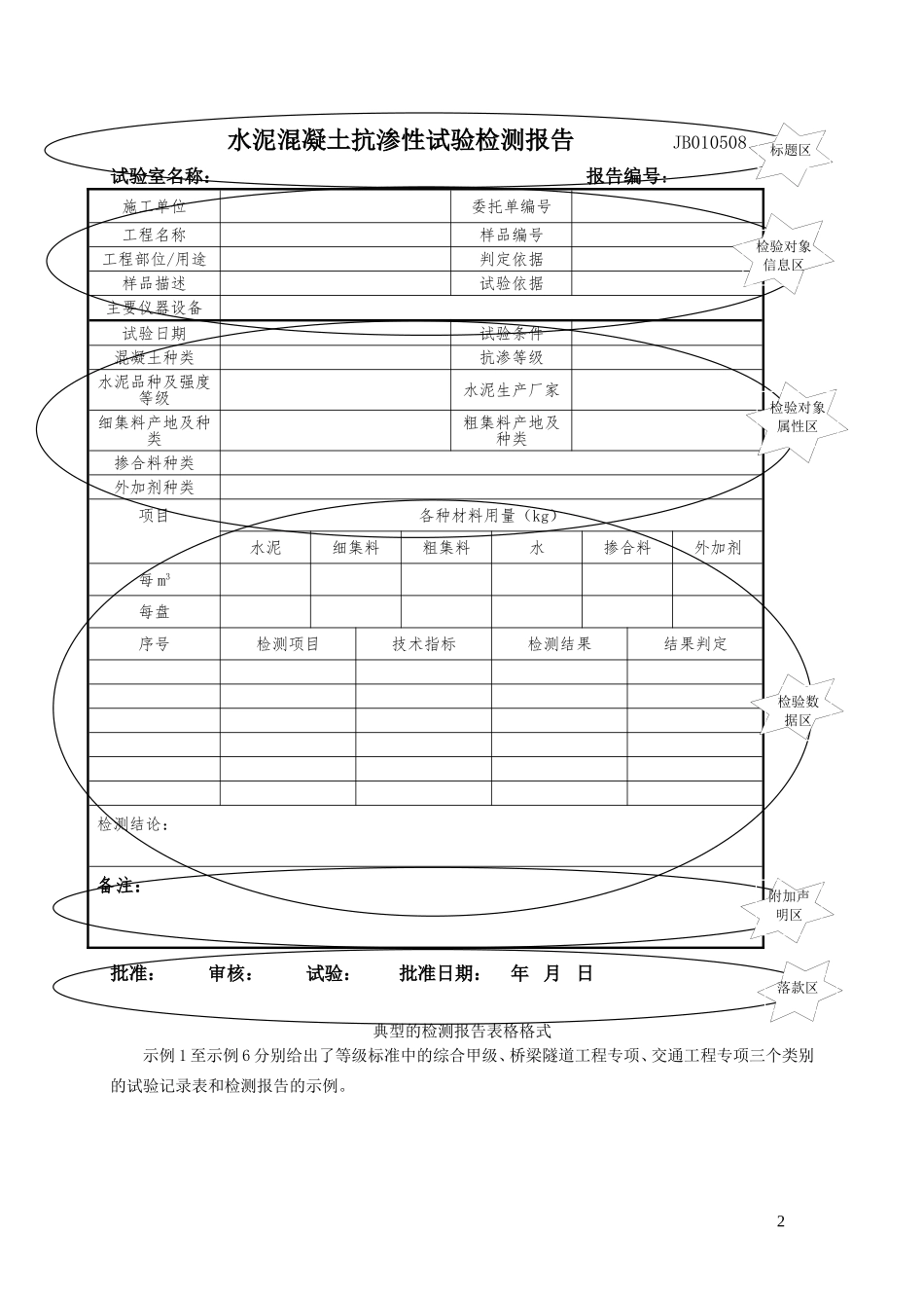
水泥混凝土抗渗性试验记录表JJ0508试验室名称:记录编号:工程部位/用途委托单编号样品描述样品编号试验条件试验依据主要仪器设备抗渗等级龄期试验时间水压(MPa)试验情况年月日时123456检测停止时的水压(MPa)检测停止时渗水试件的个数实测抗渗等级备注试验:校核:试验日期:年月日典型的试验记录表表格格式1标题区检验对象信息区检验数据区附加声明区落款区水泥混凝土抗渗性试验检测报告JB010508试验室名称:报告编号:施工单位委托单编号工程名称样品编号工程部位/用途判定依据样品描述试验依据主要仪器设备试验日期试验条件混凝土种类抗渗等级水泥品种及强度等级水泥生产厂家细集料产地及种类粗集料产地及种类掺合料种类外加剂种类项目各种材料用量(kg)水泥细集料粗集料水掺合料外加剂每m3每盘序号检测项目技术指标检测结果结果判定检测结论:备注:批准:审核:试验:批准日期:年月日典型的检测报告表格格式示例1至示例6分别给出了等级标准中的综合甲级、桥梁隧道工程专项、交通工程专项三个类别的试验记录表和检测报告的示例。2标题区检验对象信息区检验对象属性区检验数据区附加声明区落款区示例1土击实试验记录表JJ0103试验室名称:记录编号:工程部位/用途委托单编号样品描述样品编号试验条件试验依据主要仪器设备击锤质量(g)每层击数落距(mm)大于40mm颗粒含量试验次数123456干密度筒体积cm3筒重g筒+湿土重g湿土重g湿密度g/cm3干密度g/cm3含水量盒号盒+湿土重G盒+干土重G盒重G含水量%平均含水量%击实曲线干密度g/cm3最大干密度g/cm3最佳含水量%含水量ω%备注:试验:校核:试验日期:年月日3示例2土击实试验检测报告JB010103试验室名称:报告编号:施工单位委托单编号工程名称样品编号工程部位/用途判定依据样品描述试验依据主要仪器设备样品名称产地代表数量样品描述试验结果试验次数123456含水量(ω%)干密度(g/cm3)击实曲线干密度γdg/cm3γdmax=ωopm=含水量ω%最大干密度g/cm3最佳含水量%检测结论:备注:批准:审核:试验:批准日期:年月日4示例3桥梁结构检测与监测桥梁线形试验记录表QJ0207试验室名称:记录编号:工程部位/用途委托单编号样品描述样品编号试验条件试验依据主要仪器设备测点实测值理论值偏差X(m)Y(m)Z(m)X(m)Y(m)Z(m)△X(mm)△Y(mm)△Z(mm)备注:试验:校核:试验日期:年月日5示例4桥梁结构检测与监测桥梁线形试验检测报告QB020207试验室名称:报告编号:施工单位委托单编号工程名称样品编号工程部位/用途判定依据样品描述试验依据主要仪器设备主要承重结构几何线形偏差位置实测误差允许误差合格/不合格△X(mm)△Y(mm)△Z(mm)△X(mm)△Y(mm)△Z(mm)检测结论备注:批准:审核:试验:批准日期:年月日6示例5标线施工质量试验记录表AJ0607试验室名称:记录编号:工程部位/用途委托单编号样品描述试验条件样品编号试验依据标线类型主要仪器设备检测项目实测值或观测情况平均值或范围值检测结果外观质量外观与线形玻璃珠撒布标线线段长度偏差,mm线段长偏差标线宽度偏差,mm宽度1(mm)宽度1偏差宽度2(mm)宽度2偏差标线厚度偏差,mm厚度偏差标线横向偏位,mm横向间距偏位标线纵向间距偏差,mm纵向间距偏差标线剥落面积,%反光标线逆反射系数,(88.76º/1.05º),mcd·lx-1·m-2_____色_____色备注:7试验:校核:试验日期:年月日8示例6交通标线施工质量检测报告AB020607试验室名称:报告编号:施工单位委托单编号工程名称样品编号工程部位/用途判定依据样品描述试验依据主要仪器设备序号检测项目技术指标检测结果检测值单项结论1外观质量外观与线形玻璃珠撒布2标线线段长度偏差,mm3标线宽度偏差,mm宽度1宽度24标线厚度偏差,mm5标线横向偏位,mm6标线纵向间距偏差,mm7标线剥落面积,%8反光标线逆反射系数(88.76º/1.05º),mcd·lx-1·m-2_____色_____色检测结论:备注:9批准:审核:试验:批准日期:年月日10

1、当您付费下载文档后,您只拥有了使用权限,并不意味着购买了版权,文档只能用于自身使用,不得用于其他商业用途(如 [转卖]进行直接盈利或[编辑后售卖]进行间接盈利)。
2、本站所有内容均由合作方或网友上传,本站不对文档的完整性、权威性及其观点立场正确性做任何保证或承诺!文档内容仅供研究参考,付费前请自行鉴别。
3、如文档内容存在违规,或者侵犯商业秘密、侵犯著作权等,请点击“违规举报”。

碎片内容

典型试验记录与检测报告的格式

确认删除?
VIP
微信客服
  • 扫码咨询
会员Q群
  • 会员专属群点击这里加入QQ群
客服邮箱
回到顶部