电脑桌面
添加小米粒文库到电脑桌面
安装后可以在桌面快捷访问

兽药GSP各类记录样表VIP免费

兽药GSP各类记录样表_第1页
1/15
兽药GSP各类记录样表_第2页
2/15
兽药GSP各类记录样表_第3页
3/15
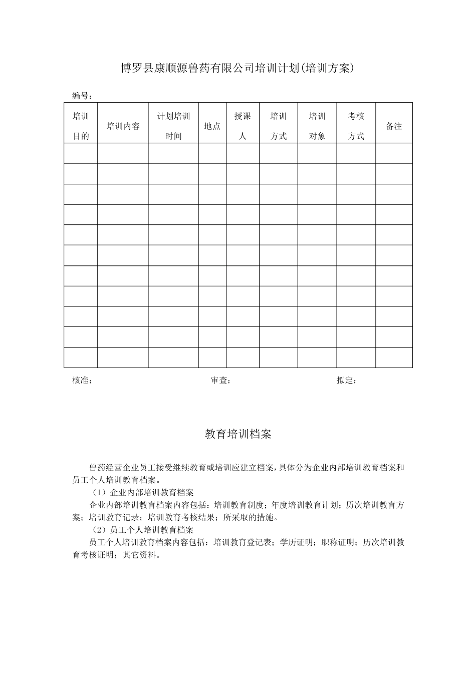
博罗县康顺源兽药有限公司培训计划(培训方案) 编号: 培训目的 培训内容 计划培训时间 地点 授课人 培训 方式 培训 对象 考核 方式 备注 核准: 审查: 拟定: 教育培训档案 兽药经营企业员工接受继续教育或培训应建立档案,具体分为企业内部培训教育档案和员工个人培训教育档案。 (1)企业内部培训教育档案 企业内部培训教育档案内容包括:培训教育制度;年度培训教育计划;历次培训教育方案;培训教育记录;培训教育考核结果;所采取的措施。 (2)员工个人培训教育档案 员工个人培训教育档案内容包括:培训教育登记表;学历证明;职称证明;历次培训教育考核证明;其它资料。 《健康检查档案》——个人档案 个人体检档案包括:上岗体检表及资料;每年体检表及资料;患病离岗、治疗、体检、再上岗资料(体检情况应原件保存)。 一般检查项目包括:内科、外科、皮肤科和乙肝全套。作为质量管理人员和养护人员,还应进行视力、嗅觉等检查。 博罗县康顺源兽药有限公司员工个人健康档案 编 号: 建 档 时 间: 姓名 性别 出生年月 任职时间 部门 岗位 员工号 检查日期 检查项目 检查结果 采取措施 检查单位 《健康检查档案》——企业档案 企业档案包括:每年体检的工作安排、每年参加体检的总人员名单、体检汇总表,采取的措施。 博罗县康顺源兽药有限公司设施设备一览表 编号: 序号 设备编号 设施设备名称 规格型号 生产厂家 购置价格 购置日期 启用日期 配置地点 用途 使用与维护负责人 兽药陈列/储存环境温湿度记录表 货区: 表号: 适宜温度范围 ~ ℃ 适宜相对湿度范围 ~ % 年 月 日期 上 午 下 午 记录员 库 内 温 度 ℃ 相 对 湿 度 % 调控措施 采取措施后 库内温度℃ 相对湿度 % 调控措施 采取措施后 温度℃ 湿度% 温度℃ 湿度% 1 2 3 4 5 6 7 8 9 10 11 12 13 14 15 16 17 18 19 20 21 22 23 24 25 26 27 28 29 30 31 养护设备检修维护记录 编号: 序号 设备 名称 检修 时间 工作 状况 维护 内容 更换 部件 调试 结果 检修 负责人 备注 购货合同与购进记录 1、购货合同方式 ①标准书面合同 ②质量保证协议(必须明确有效期,一般有效期为一年) ③文书、传真、电话记录、电报、电信、口头约定 2、书面合同的项目与内容 ①合同项目 购销双方企业名称、地址及邮编、电话、传...

1、当您付费下载文档后,您只拥有了使用权限,并不意味着购买了版权,文档只能用于自身使用,不得用于其他商业用途(如 [转卖]进行直接盈利或[编辑后售卖]进行间接盈利)。
2、本站所有内容均由合作方或网友上传,本站不对文档的完整性、权威性及其观点立场正确性做任何保证或承诺!文档内容仅供研究参考,付费前请自行鉴别。
3、如文档内容存在违规,或者侵犯商业秘密、侵犯著作权等,请点击“违规举报”。

碎片内容

兽药GSP各类记录样表

确认删除?
VIP
微信客服
  • 扫码咨询
会员Q群
  • 会员专属群点击这里加入QQ群
客服邮箱
回到顶部