电脑桌面
添加小米粒文库到电脑桌面
安装后可以在桌面快捷访问

内审检查表范本VIP免费

内审检查表范本_第1页
1/21
内审检查表范本_第2页
2/21
内审检查表范本_第3页
3/21
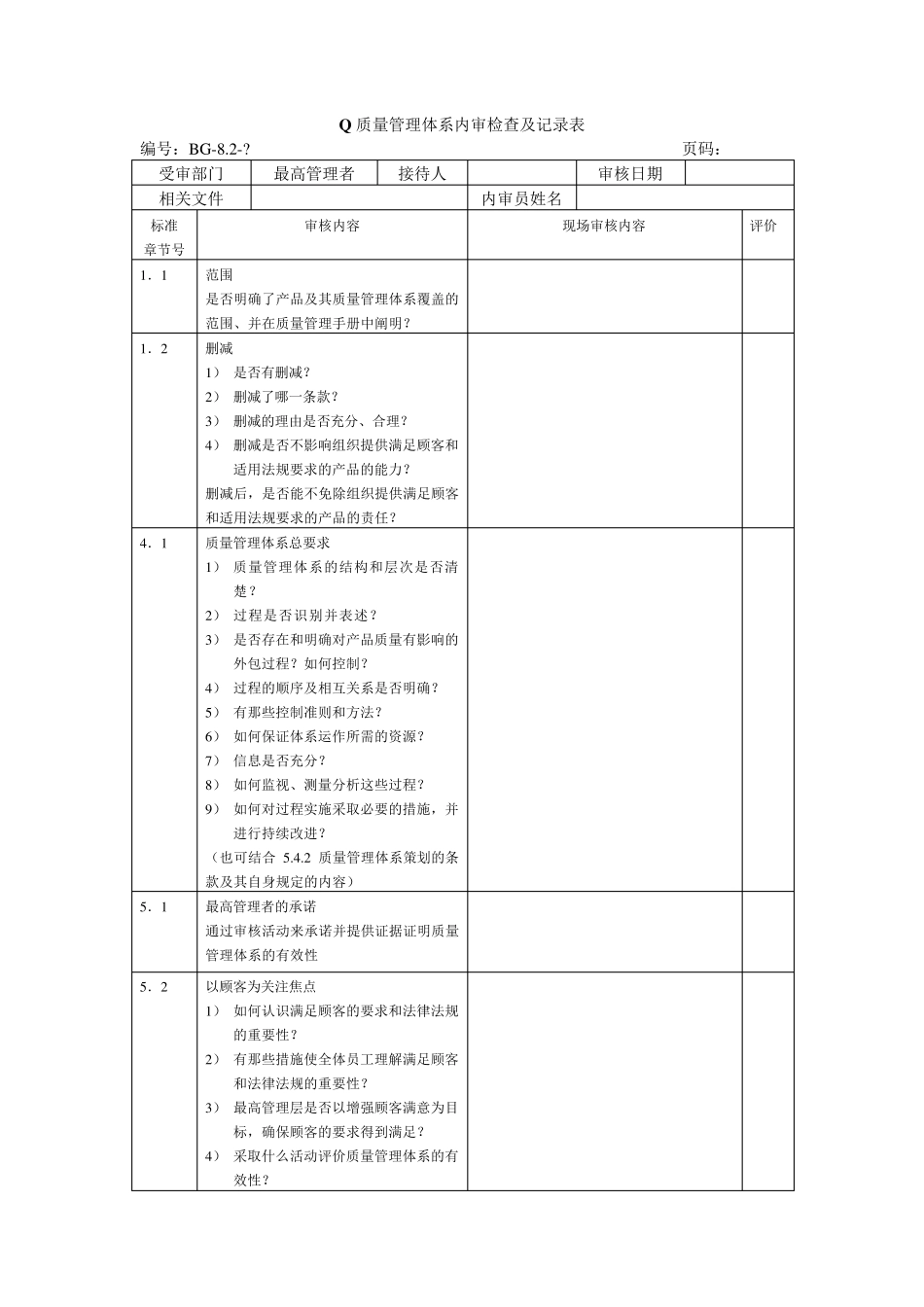
Q 质量管理体系内审检查及记录表 编号:BG-8.2-? 页码: 受审部门 最高管理者 接待人 审核日期 相关文件 内审员姓名 标准 章节号 审核内容 现场审核内容 评价 1.1 范围 是否明确了产品及其质量管理体系覆盖的范围、并在质量管理手册中阐明? 1.2 删减 1) 是否有删减? 2) 删减了哪一条款? 3) 删减的理由是否充分、合理? 4) 删减是否不影响组织提供满足顾客和适用法规要求的产品的能力? 删减后,是否能不免除组织提供满足顾客和适用法规要求的产品的责任? 4.1 质量管理体系总要求 1) 质量管理体系的结构和层次是否清楚? 2) 过程是否识别并表述? 3) 是否存在和明确对产品质量有影响的外包过程?如何控制? 4) 过程的顺序及相互关系是否明确? 5) 有那些控制准则和方法? 6) 如何保证体系运作所需的资源? 7) 信息是否充分? 8) 如何监视、测量分析这些过程? 9) 如何对过程实施采取必要的措施,并进行持续改进? (也可结合 5.4.2 质量管理体系策划的条款及其自身规定的内容) 5.1 最高管理者的承诺 通过审核活动来承诺并提供证据证明质量管理体系的有效性 5.2 以顾客为关注焦点 1) 如何认识满足顾客的要求和法律法规的重要性? 2) 有那些措施使全体员工理解满足顾客和法律法规的重要性? 3) 最高管理层是否以增强顾客满意为目标,确保顾客的要求得到满足? 4) 采取什么活动评价质量管理体系的有效性? 可通过其他各有关条款的相应证据证实 5.3 质量方针 1) 是否制定了质量方针并发布? 2)是否与组织的宗旨相适应? 3)是否包括对满足要求和持续改进的承诺? 4)是否为组织提供制定和评审质量目标的框架? 5)是否采取那些途径传达到相关部门?(可以抽查若干职工是否了解来证实) 质量方针的适应性是否规定定期或不定期的评审和修订? 5.4.1 质量目标 1) 质量目标是否制定并发布? 2) 质量目标是否分解和落实?分解是否适宜并得到评审? 3) 质量目标是否量化并可测量? 4) 质量目标是否与质量方针保持一致? 5) 质量是否满足产品要求所需的内容? 质量目标的实现情况如何是否实现了持续改进? 5.4.2 质量管理体系策划 1) 质量管理体系策划的形式、结果是什么? 2) 策划的结果是否能实现质量目标以及4.1 总要求? 3) 策划的结果是否有持续改进的要求? 策划和实施是否保持了质量管理体系的完整性? ...

1、当您付费下载文档后,您只拥有了使用权限,并不意味着购买了版权,文档只能用于自身使用,不得用于其他商业用途(如 [转卖]进行直接盈利或[编辑后售卖]进行间接盈利)。
2、本站所有内容均由合作方或网友上传,本站不对文档的完整性、权威性及其观点立场正确性做任何保证或承诺!文档内容仅供研究参考,付费前请自行鉴别。
3、如文档内容存在违规,或者侵犯商业秘密、侵犯著作权等,请点击“违规举报”。

碎片内容

内审检查表范本

您可能关注的文档

确认删除?
VIP
微信客服
  • 扫码咨询
会员Q群
  • 会员专属群点击这里加入QQ群
客服邮箱
回到顶部