电脑桌面
添加小米粒文库到电脑桌面
安装后可以在桌面快捷访问

内部审核资料VIP免费

内部审核资料_第1页
1/27
内部审核资料_第2页
2/27
内部审核资料_第3页
3/27
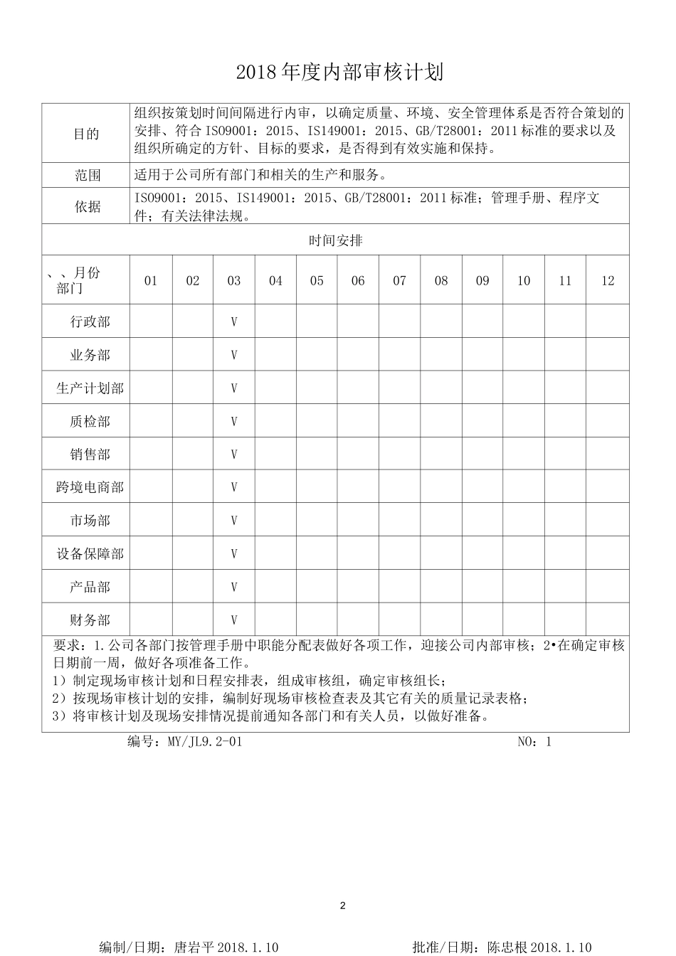
1宁波美乐雅荧光科技股份有限公司2018 年度内部审核资料编制:唐岩平审批:杜军杰22018 年度内部审核计划目的组织按策划时间间隔进行内审,以确定质量、环境、安全管理体系是否符合策划的安排、符合 ISO9001:2015、IS149001:2015、GB/T28001:2011 标准的要求以及组织所确定的方针、目标的要求,是否得到有效实施和保持。范围适用于公司所有部门和相关的生产和服务。依据ISO9001:2015、IS149001:2015、GB/T28001:2011 标准;管理手册、程序文件;有关法律法规。时间安排、、月份部门010203040506070809101112行政部V业务部V生产计划部V质检部V销售部V跨境电商部V市场部V设备保障部V产品部V财务部V要求:1.公司各部门按管理手册中职能分配表做好各项工作,迎接公司内部审核;2•在确定审核日期前一周,做好各项准备工作。1)制定现场审核计划和日程安排表,组成审核组,确定审核组长;2)按现场审核计划的安排,编制好现场审核检查表及其它有关的质量记录表格;3)将审核计划及现场安排情况提前通知各部门和有关人员,以做好准备。编号:MY/JL9.2-01NO:1编制/日期:唐岩平 2018.1.10批准/日期:陈忠根 2018.1.103内部审核实施计划编号 MY/JL9.2-02NO1目的:组织按策划时间间隔进行内审,以确定质量管理体系是否符合策划的安排,符合ISO9OO1:2015、IS149001:2015、GB/T28001:2011 标准的要求以及组织所确定的质量方针目标的要求,是否得到有效实施和保持。依据:ISO9001:2015、IS149001:2015、GB/T28001:2011 标准、管理手册、程序文件、有关法律法规。范围:覆盖的所有部门以及公司产品和服务。审核组长:(A)朱储君组员:陈建(B)、唐岩平组员:席辉(C)、徐武松组员:徐燕燕审核日程安排日期时间涉及部门及场所审核的过程或活动及相关的标准条款审核员3.1508:00〜8:30首次会议ABC08:30〜17:00总经理、管代管理策划过程(愿景与战略、组织架构和职责、方针与目标管理、绩效管理、数据分析、内部审核、管理评审、改进Q:4.1/4.2/4.3/4.4/5.1/5.2/5.3/6.1/6.2/6.3/7.1.1/9.1.1/9.2/9.3/10E:4.1/4.2/4.3/4.4/5.1/5.2/5.3/6.1/6.2/6.3/7.1.1/9.1.1/9.2/9.3/100:4.1/4.2/4.4.1/4.3.3/4.4.3/4.4.4./4.5.5/4.6A质检部职责;监视测量设备管理;产品放行;监视、测量分析与评价;不合格控制、纠正措施和改进控制过程:Q:5.3/6.1/6.2/7.1.5/8.6/8.7/10.2/9.1.3E:5.3/6.2/6.1/6.1.2/6.1.4/8.1/8.2/9.1.1/10.20:4.4.1/4.3.1/4.3.3...

1、当您付费下载文档后,您只拥有了使用权限,并不意味着购买了版权,文档只能用于自身使用,不得用于其他商业用途(如 [转卖]进行直接盈利或[编辑后售卖]进行间接盈利)。
2、本站所有内容均由合作方或网友上传,本站不对文档的完整性、权威性及其观点立场正确性做任何保证或承诺!文档内容仅供研究参考,付费前请自行鉴别。
3、如文档内容存在违规,或者侵犯商业秘密、侵犯著作权等,请点击“违规举报”。

碎片内容

内部审核资料

您可能关注的文档

确认删除?
VIP
微信客服
  • 扫码咨询
会员Q群
  • 会员专属群点击这里加入QQ群
客服邮箱
回到顶部