电脑桌面
添加小米粒文库到电脑桌面
安装后可以在桌面快捷访问

施工机械设备表-机械、劳动力等附表VIP免费

施工机械设备表-机械、劳动力等附表_第1页
1/19
施工机械设备表-机械、劳动力等附表_第2页
2/19
施工机械设备表-机械、劳动力等附表_第3页
3/19
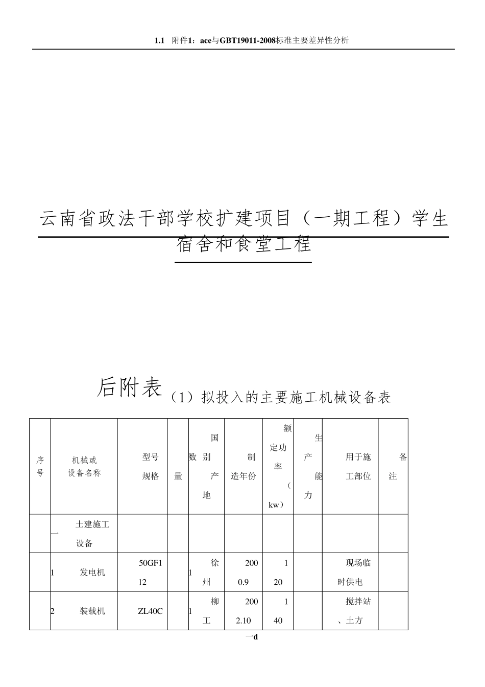
1.1 附件1:ace与GBT19011-2008标准主要差异性分析 一d 云南省政法干部学校扩建项目(一期工程)学生宿舍和食堂工程 后附表(1)拟投入的主要施工机械设备表 序号 机械或 设备名称 型号 规格 数量 国别 产地 制造年份 额定功率 (kw) 生产 能力 用于施 工部位 备注 一 土建施工设备 1 发电机 50GF112 1 徐州 2000.9 120 现场临时供电 2 装载机 ZL40C 1 柳工 2002.10 140 搅拌站、土方 1.1 附件1:ace与GBT19011-2008标准主要差异性分析 二d 序号 机械或 设备名称 型号 规格 数量 国别 产地 制造年份 额定功率 (kw) 生产 能力 用于施 工部位 备注 3 电弧焊机 BX3-300-2 8 长沙 2001.4 24 钢筋加工 4 对焊机 UN1-75 1 长沙 2000.5 75 钢筋加工 5 钢筋弯曲机 GW40 2 大连 2001.2 3 钢筋加工 6 钢筋切断机 QJ40-1 2 大连 2000.5 5.5 钢筋加工 7 钢筋调直机 GJ6-4/8 1 武汉 2001.4 5.5 钢筋加工 8 混凝土固定泵 HBT60 2 日本 2004.5 90 混凝土浇灌 9 混凝土汽车泵 PY21-30E 1 日本 2003.5 混凝土浇灌 10 砂浆搅拌机 JS350 3 山东 2002.3 3 砖砌体施工 11 插入式振动棒 ZX50C 10 武汉 2001.8 1.1 混凝土浇灌 12 平板式振捣器 ZB11 2 武汉 2003.7 1.1 混凝土浇灌 13 施工井吊 SCD200/200 3 沈阳 2003.5 20 垂直运输 14 电渣压力焊机 4 大连 2002.8 30 钢筋加工 1扬程40m水IS100-2 武2002 降水、 1.1 附件1:ace与GBT19011-2008标准主要差异性分析 三d 序号 机械或 设备名称 型号 规格 数量 国别 产地 制造年份 额定功率 (kw) 生产 能力 用于施 工部位 备注 5 泵 65-20 汉 1.3 2 排水 16 混凝土布料机 HGY13 1 大连 2005.5 4.5 混凝土浇灌 17 挖掘机 WL-50 1 日本 2000.2 土方开挖 18 自卸汽车 256B1 3 湖北 2000.3 土方运输 19 振动冲击夯 HC70 5 昆明 2002.4 2.5` 土方回填 20 自动配料机(带砂石贮料斗) 1 武汉 2005.4 10 混凝土搅拌 21 强制式砼搅拌机 JW550 2 武汉 2004.5 25 混凝土搅拌 22 机动翻斗车 JSB1 4 湖北 2003.6 现场运输 23 切割机 CGL30 2 武汉 2001.4 1.5 钢筋加工 24 卷扬机 2T 2 郑州 2004.5 10 垂直运输 25 载重汽车 EQ140 2 湖北 2003.6 5t 现场运输 26...

1、当您付费下载文档后,您只拥有了使用权限,并不意味着购买了版权,文档只能用于自身使用,不得用于其他商业用途(如 [转卖]进行直接盈利或[编辑后售卖]进行间接盈利)。
2、本站所有内容均由合作方或网友上传,本站不对文档的完整性、权威性及其观点立场正确性做任何保证或承诺!文档内容仅供研究参考,付费前请自行鉴别。
3、如文档内容存在违规,或者侵犯商业秘密、侵犯著作权等,请点击“违规举报”。

碎片内容

施工机械设备表-机械、劳动力等附表

您可能关注的文档

确认删除?
VIP
微信客服
  • 扫码咨询
会员Q群
  • 会员专属群点击这里加入QQ群
客服邮箱
回到顶部