电脑桌面
添加小米粒文库到电脑桌面
安装后可以在桌面快捷访问

完整版基础工程桩基础课程设计计算书VIP免费

完整版基础工程桩基础课程设计计算书_第1页
1/11
完整版基础工程桩基础课程设计计算书_第2页
2/11
完整版基础工程桩基础课程设计计算书_第3页
3/11
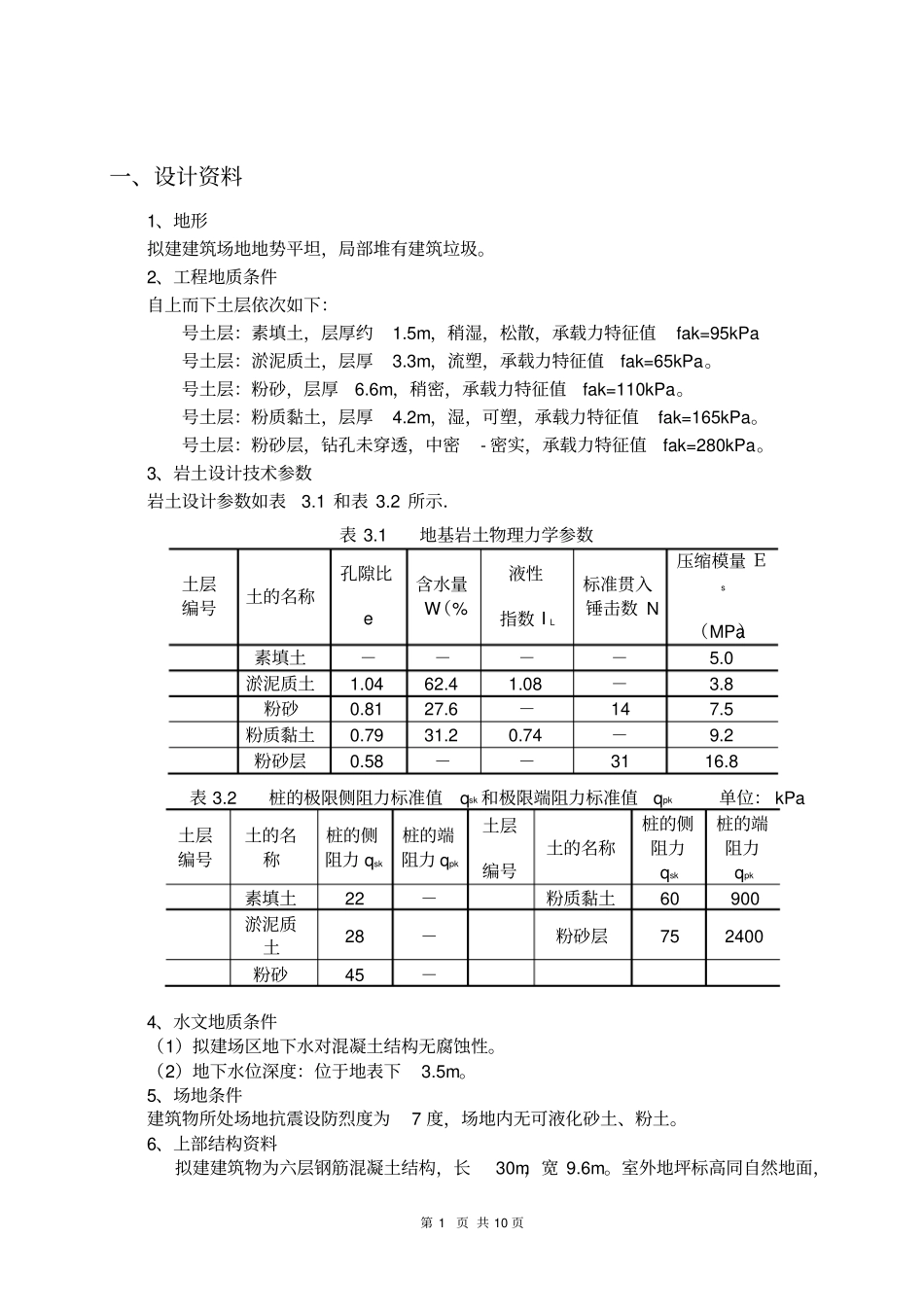
基础工程课程设计目录一、设计资料 ⋯⋯⋯⋯⋯⋯⋯⋯⋯⋯⋯⋯⋯⋯⋯⋯⋯⋯⋯⋯⋯⋯⋯⋯..⋯⋯ .4 二、确定桩的长度和承台埋深⋯⋯⋯⋯⋯⋯⋯⋯⋯⋯⋯⋯⋯⋯⋯⋯⋯⋯..⋯ 5 三、确定单桩的竖向承载力⋯⋯⋯⋯⋯⋯⋯⋯⋯⋯⋯⋯⋯⋯⋯⋯⋯⋯...⋯⋯5 四、轴线选择 ⋯⋯⋯⋯⋯⋯⋯⋯⋯⋯⋯⋯⋯⋯⋯⋯⋯⋯⋯⋯⋯⋯⋯⋯...⋯⋯5 五、初步确定桩数及承台尺寸⋯⋯⋯⋯⋯⋯⋯⋯⋯⋯⋯⋯⋯⋯⋯⋯⋯⋯..⋯5六、群桩基础中单桩承载力验算⋯⋯⋯⋯⋯⋯⋯⋯⋯⋯⋯⋯⋯⋯⋯⋯⋯⋯ 6 七、确定桩的平面布置 ⋯⋯⋯⋯⋯⋯⋯⋯⋯⋯⋯⋯⋯⋯⋯⋯⋯⋯⋯⋯⋯.⋯ 6 八、承台结构计算 ⋯⋯⋯⋯⋯⋯⋯⋯⋯⋯⋯⋯⋯⋯⋯⋯⋯⋯⋯⋯⋯⋯⋯⋯. 6 1、桩顶最大竖向力 ⋯⋯⋯⋯⋯⋯⋯⋯⋯⋯⋯⋯⋯⋯⋯⋯⋯⋯⋯⋯⋯⋯. 6 2、承台受弯验算及承台配筋⋯⋯⋯⋯⋯⋯⋯⋯⋯⋯⋯⋯⋯⋯⋯⋯⋯⋯.63、承台柱下抗冲切验算 ⋯⋯⋯⋯⋯⋯⋯⋯⋯⋯⋯⋯⋯⋯⋯⋯⋯⋯⋯⋯ 7 4、承台角桩抗冲切验算 ⋯⋯⋯⋯⋯⋯⋯⋯⋯⋯⋯⋯⋯⋯⋯⋯⋯⋯⋯⋯ 8 5、承台抗剪验算 ⋯⋯⋯⋯⋯⋯⋯⋯⋯⋯⋯⋯⋯⋯⋯⋯⋯⋯⋯⋯⋯⋯⋯.9 九、单桩配筋设计和计算⋯⋯⋯⋯⋯⋯⋯⋯⋯⋯⋯⋯⋯⋯⋯⋯⋯⋯⋯⋯⋯10第 1 页 共 10 页一、设计资料1、地形拟建建筑场地地势平坦,局部堆有建筑垃圾。2、工程地质条件自上而下土层依次如下:号土层:素填土,层厚约1.5m,稍湿,松散,承载力特征值fak=95kPa 号土层:淤泥质土,层厚3.3m,流塑,承载力特征值fak=65kPa。号土层:粉砂,层厚6.6m,稍密,承载力特征值fak=110kPa。号土层:粉质黏土,层厚4.2m,湿,可塑,承载力特征值fak=165kPa。号土层:粉砂层,钻孔未穿透,中密- 密实,承载力特征值fak=280kPa。3、岩土设计技术参数岩土设计参数如表3.1 和表 3.2 所示.表 3.1 地基岩土物理力学参数土层编号土的名称孔隙比e含水量W(% 液性指数 I L标准贯入锤击数 N 压缩模量 Es(MPa)素填土----5.0 淤泥质土1.04 62.4 1.08 -3.8 粉砂0.81 27.6 -14 7.5 粉质黏土0.79 31.2 0.74 -9.2 粉砂层0.58 --31 16.8 表 3.2 桩的极限侧阻力标准值qsk 和极限端阻力标准值qpk单位: kPa 土层编号土的名称桩的侧阻力 qsk桩的端阻力 qpk土层编号土的名称桩的侧阻力qsk桩的端阻力qpk素填土22 -粉质黏土60 900 淤泥质土28 -粉砂层75 2400 粉砂45 -4、水文地质条件(1)拟建场区地下水对混凝土结构无腐蚀性...

1、当您付费下载文档后,您只拥有了使用权限,并不意味着购买了版权,文档只能用于自身使用,不得用于其他商业用途(如 [转卖]进行直接盈利或[编辑后售卖]进行间接盈利)。
2、本站所有内容均由合作方或网友上传,本站不对文档的完整性、权威性及其观点立场正确性做任何保证或承诺!文档内容仅供研究参考,付费前请自行鉴别。
3、如文档内容存在违规,或者侵犯商业秘密、侵犯著作权等,请点击“违规举报”。

碎片内容

完整版基础工程桩基础课程设计计算书

文库响当当+ 关注
实名认证
内容提供者

该用户很懒,什么也没介绍

确认删除?
VIP
微信客服
  • 扫码咨询
会员Q群
  • 会员专属群点击这里加入QQ群
客服邮箱
回到顶部