电脑桌面
添加小米粒文库到电脑桌面
安装后可以在桌面快捷访问

完整版拌合站建设验收表VIP免费

完整版拌合站建设验收表_第1页
1/3
完整版拌合站建设验收表_第2页
2/3
完整版拌合站建设验收表_第3页
3/3
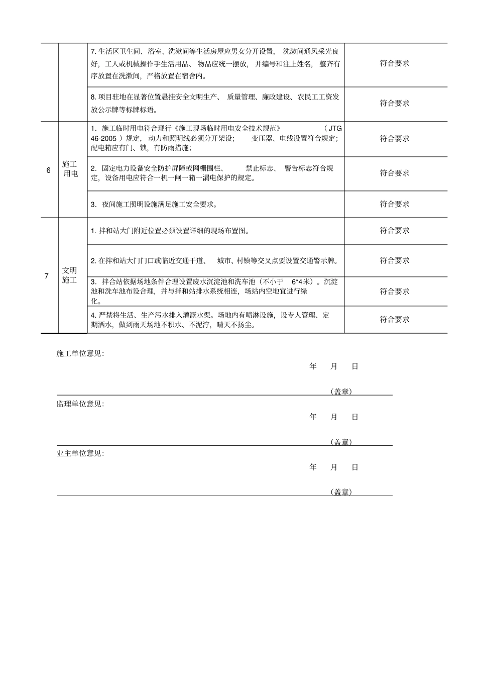
拌合站建设验收表施工单位 : 合同号 : 监理单位 : 编号: 表B序号检查项目检查内容施工单位自检情况1 场地布置1.拌和站场地不受洪水、泥石流和台风威胁,位置对周边环境无明显影响,且方便材料运输和工程管理。选址合理对周边环无影响2. 水稳层拌和站场地面积不小于 30亩,沥青混凝土拌和站占地面积不小 53亩,分生产区(含材料堆放区、混合料拌和区、车辆停放区)和管理区(土地试验室、办公与生活区)区域功能分明。水稳拌和站面积:140*170=23800 3.拌和站应采取封闭式管理, 材料堆放区、 拌和区、 作业区应分开或隔离,场内地面应采用 C20以上混凝土硬化处理,厚度不小于 25cm。已按要求建设4. 场地内部排水设施完善,集水池、沉淀池和污水过滤池要纳人场区规划,与拌合站同时设计、同时施工、同时投人使用;场地硬化后地面面层排水坡度不得小于1.0 %(含集料存放仓),场地四周应设置排水沟收集污水,集中处理达标后排放。已按要求建设5. 除材料堆放仓围墙要求高 3米厚60厘米外,其余围墙统一采用砖砌体砌筑,高2.4m 厚24cm;拌合站设有防火措施,拌合站每个功能区都应按《建筑灭火器配置设计规范》( 50140-2005)要求配备足够的消防器材。已按要求建设2 原材料储存仓1.散装水泥储存罐的数量,按不同厂家、品种、强度等级、批次分罐保存;水泥罐应安装避雷设施;已按要求建设2.粗细集料必须按配料要求分级分仓存放,粗细集料存放应分为合格区和待检区,分隔墙高3m厚0.6m,墙面涂浅黄色外墙漆; 集料存放仓地面要比周边地面高10cm以上。已按要求建设3. 粗集料堆放仓要设置遮阳防雨蓝色轻型钢结构顶棚,顶棚立柱管径不应小于150mm,起拱线高度不得低于 7m。4.进场的原材料要严格按照规定进行统一标识,标识内容应包括材料名称、产地、规格型号、生产批号、进场日期、检验状态、进场数量、使用部位等。已按要求建设3 机械设备1.水稳拌和站采用双卧轴强制式拌和机,拌和能力不小于400t/h ,配备有计算机及打印设备,拌和机配置四个集料仓和一组水泥仓, 为防止串料,集料仓之间分隔板高度不小于 50cm并焊接牢固,拌和机配有自动补水器加水, 并配备有全自动电脑控制系统进行配料计量,自动采集、记录、打印每盘混合料数据。符合要求2.沥青拌和站采用间歇式自动计量拌和机,拌和能力不低于400t/h ,配备有计算机及打印设备,施工 SMA等路面时配置纤维添加器装置,冷料仓的数量必须满足配合比需要,不宜...

1、当您付费下载文档后,您只拥有了使用权限,并不意味着购买了版权,文档只能用于自身使用,不得用于其他商业用途(如 [转卖]进行直接盈利或[编辑后售卖]进行间接盈利)。
2、本站所有内容均由合作方或网友上传,本站不对文档的完整性、权威性及其观点立场正确性做任何保证或承诺!文档内容仅供研究参考,付费前请自行鉴别。
3、如文档内容存在违规,或者侵犯商业秘密、侵犯著作权等,请点击“违规举报”。

碎片内容

完整版拌合站建设验收表

确认删除?
VIP
微信客服
  • 扫码咨询
会员Q群
  • 会员专属群点击这里加入QQ群
客服邮箱
回到顶部