电脑桌面
添加小米粒文库到电脑桌面
安装后可以在桌面快捷访问

完整版暴雨强度公式计算方法VIP免费

完整版暴雨强度公式计算方法_第1页
1/6
完整版暴雨强度公式计算方法_第2页
2/6
完整版暴雨强度公式计算方法_第3页
3/6
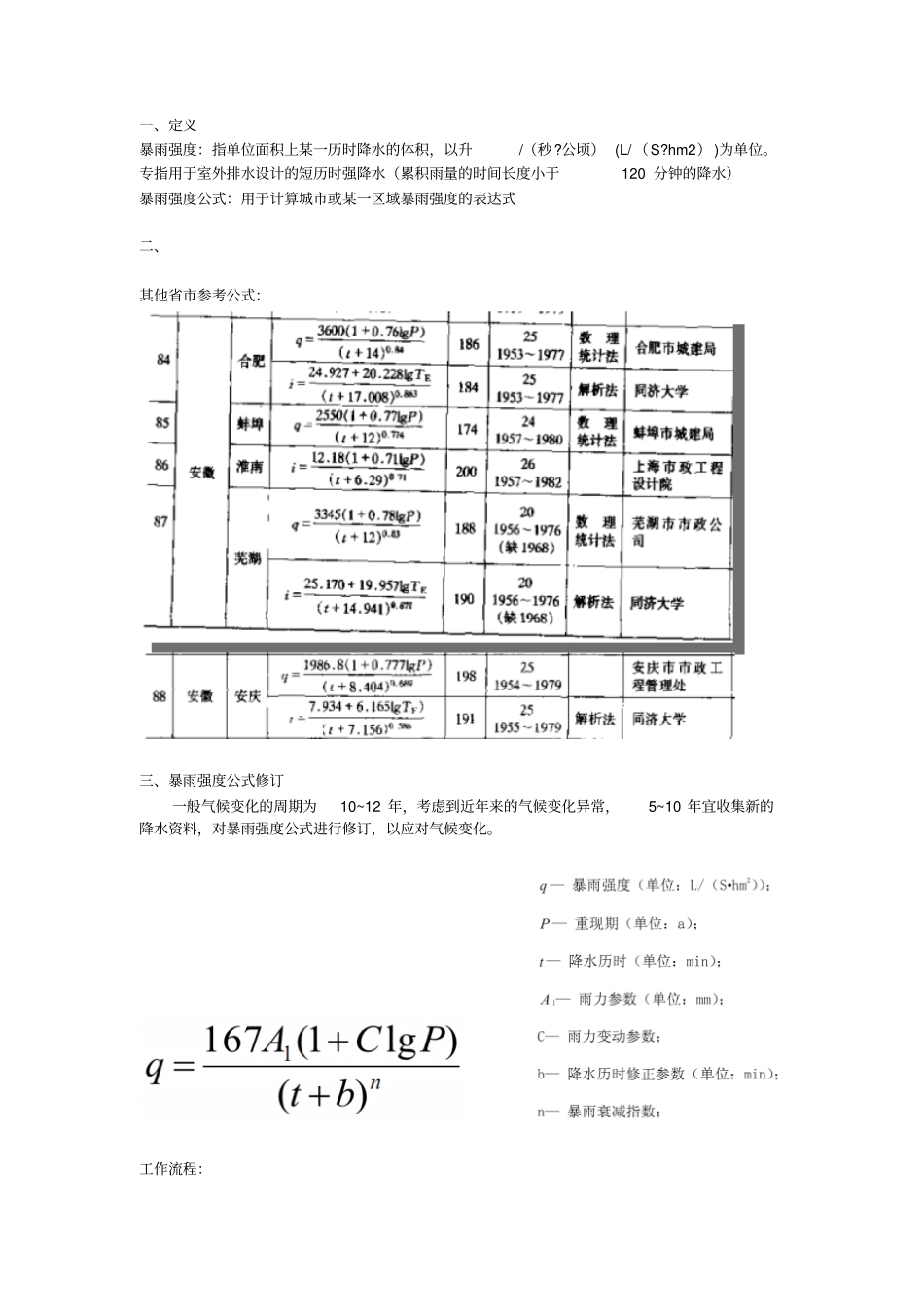
一、定义暴雨强度:指单位面积上某一历时降水的体积,以升/(秒?公顷) (L/ (S?hm2) )为单位。专指用于室外排水设计的短历时强降水(累积雨量的时间长度小于120 分钟的降水)暴雨强度公式:用于计算城市或某一区域暴雨强度的表达式二、其他省市参考公式:三、暴雨强度公式修订一般气候变化的周期为10~12 年,考虑到近年来的气候变化异常,5~10 年宜收集新的降水资料,对暴雨强度公式进行修订,以应对气候变化。工作流程:1.资料处理;2.暴雨强度公式拟合(单一重现期、区间参数公式、总公式);3.精度检验;4.常用查算图表编制;5.各强度暴雨时空变化分析注意事项:基础气象资料采用当地国家气象站或自动气象站建站~至今的逐分钟自记雨量记录,降水历时按5、10、15、20、30、45、60、 90、120、150、180 分钟共 11 种,每年每个历时选取8 场最大雨量记录;年最大值法资料年限至少需要20 年以上,最好有30 年以上资料;年多个样法资料年限至少需要10 年以上,最好有20 年以上资料。统计样本的建立年多个样法: 每年每个历时选择8 个最大值, 然后不论年次, 将每个历时有效资料样本按从大到小排序排列,并从大到小选取年数的4 倍数据,作为统计样本。年最大值法:选取各历时降水的逐年最大值,作为统计样本。(具有十年以上自动雨量记录的地区,宜采用年多个样法, 有条件的地区可采用年最大值法。若采用年最大值法,应进行重现期修正)具体计算步骤:一、公式拟合1.单一重现期暴雨强度公式拟合最小二乘法、数值逼近法2.区间参数公式拟合二分搜索法、最小二乘法3.暴雨强度总公式拟合最小二乘法、高斯牛顿法二、精度检验重现期0.25~10 年< 0.05mm/min < 5%三、不同强度暴雨时空变化分析城市暴雨的 时间 变化特征分析(1)各历时暴雨年际变化特征——可通过绘制各历时暴雨出现日(次)数的年际变化图,分析各历时暴雨的逐年或年代变化特征。(2)暴雨样本年际变化特征——可以各年降水数据入选各历时基础暴雨样本的比例外评价指标,分析城市暴雨的时间变化特征。(3)降水极(大)值的时间分布特征——可以各历时降雨量的前10 个最大值在各年代的分布特征,分析城市强暴雨的时间变化特征。暴雨强度的 空间 分布特征分析(1)降水量分布特征——可根据国家气象站和周边区域自动气象站降水资料,绘制年(或汛期、各季等)降水量分布图,分析降水的区域分布特征(2)暴雨分布特征——可根据国家气象站和周边区域自动...

1、当您付费下载文档后,您只拥有了使用权限,并不意味着购买了版权,文档只能用于自身使用,不得用于其他商业用途(如 [转卖]进行直接盈利或[编辑后售卖]进行间接盈利)。
2、本站所有内容均由合作方或网友上传,本站不对文档的完整性、权威性及其观点立场正确性做任何保证或承诺!文档内容仅供研究参考,付费前请自行鉴别。
3、如文档内容存在违规,或者侵犯商业秘密、侵犯著作权等,请点击“违规举报”。

碎片内容

完整版暴雨强度公式计算方法

您可能关注的文档

爱的疯狂+ 关注
实名认证
内容提供者

该用户很懒,什么也没介绍

相关文档

确认删除?
VIP
微信客服
  • 扫码咨询
会员Q群
  • 会员专属群点击这里加入QQ群
客服邮箱
回到顶部