电脑桌面
添加小米粒文库到电脑桌面
安装后可以在桌面快捷访问

完整版机车检修管理流程及工作标准VIP免费

完整版机车检修管理流程及工作标准_第1页
1/4
完整版机车检修管理流程及工作标准_第2页
2/4
完整版机车检修管理流程及工作标准_第3页
3/4
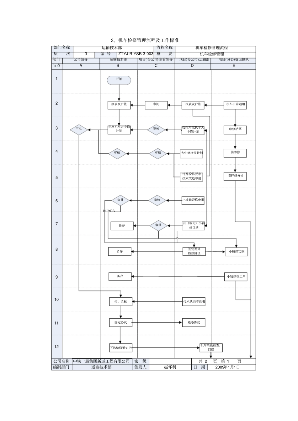
3、机车检修管理流程及工作标准部门名称流程名称概要层次部门编 号D运输技术部3机车检修管理流程6524317BA节点公司名称中铁一局集团新运工程有限公司运输技术部密级签发人日期共 2 页第 1 页C运输技术部项目(分公司)运输部编制部门机车检修管理8101112赵怀利2009年1月1日报表及台帐E公司领导项目( 分公司)主管领导项目(分公司)运输队开始报表及台帐机车日常运用年度机车大中修计划提报年度机车大中修计划审核审阅审批招、议标签定协议小辅修资格申报下达检修通知书临修活票月(或旬)小辅修计划审批临碎修审核签定委外检修协议审批小辅修实施小辅修竣工单备存备存机车离段检查、回送熟悉协议特殊检修要求技术改造申请 YES NO大中修增报计划审核审核临碎修分析备存9ZTYJ-B-YSB-3-003技术状态不良书机车检修管理流程及工作标准部门名称流程名称概要层次部门编 号D运输技术部3机车检修管理流程B密级签发人日期共 2 页第 2 页C运输技术部项目(分公司)运输部编制部门机车检修管理赵怀利2008年7月1日E项目( 分公司)主管领导项目(分公司) 运输队结束超范围鉴定修后质量信息收集、整理132315162418211917盯修超范围确认掌握情况掌握情况处理问题验交、返程回送超范围检修方案、协议回段机车状态检查更新机车检修信息技术资料检查、整理收集、反馈公司名称公司领导中铁一局集团新运工程有限公司运输技术部A节点142022ZTYJ-B-YSB-3-003机车检修工作标准编号: ZTYJ-B-YSB-3-003 共 2 页 第 1 页务名称节点任务程序及管理点时限相关资料机车大中修计划管理B3 D3 D4 D5 任务程序机车大中修计划申报表各分公司、 项目部根据机车走行公里、实际技术状态,提报次年的大中修计划。每年 10 月 25日前各单位根据施工、 运输生产的情况要或其它原因,需要临时增报的大中修计划,提出具书面申请。在计划大、 中修时间前两个月公司运输部根据各单位上报的计划,并结合公司生产情况, 编制机车大中修年度计划,经公司办公会通过后执行。管理点收集计划、制定公司年度机车大、中修计划。机车临碎修E3 E4 E5 任务程序机统 -6 、临碎修分析根据故障填写“机统—6”。检修人员根据“机统—6”提报的故障信息,查找、处理故障,检修完毕按规定填写“机统—6”。各单位每月整理“机统—6”,进行临、碎修分析。3 个工作日管理点“机统— 6”整理、存档,临、碎修分析。机车小辅修D6 B6 D8 D7 E8 E9 任务程序机车小辅修资质申请、...

1、当您付费下载文档后,您只拥有了使用权限,并不意味着购买了版权,文档只能用于自身使用,不得用于其他商业用途(如 [转卖]进行直接盈利或[编辑后售卖]进行间接盈利)。
2、本站所有内容均由合作方或网友上传,本站不对文档的完整性、权威性及其观点立场正确性做任何保证或承诺!文档内容仅供研究参考,付费前请自行鉴别。
3、如文档内容存在违规,或者侵犯商业秘密、侵犯著作权等,请点击“违规举报”。

碎片内容

完整版机车检修管理流程及工作标准

您可能关注的文档

爱的疯狂+ 关注
实名认证
内容提供者

该用户很懒,什么也没介绍

确认删除?
VIP
微信客服
  • 扫码咨询
会员Q群
  • 会员专属群点击这里加入QQ群
客服邮箱
回到顶部