电脑桌面
添加小米粒文库到电脑桌面
安装后可以在桌面快捷访问

岩村滑坡稳定性评价VIP免费

岩村滑坡稳定性评价_第1页
1/7
岩村滑坡稳定性评价_第2页
2/7
岩村滑坡稳定性评价_第3页
3/7
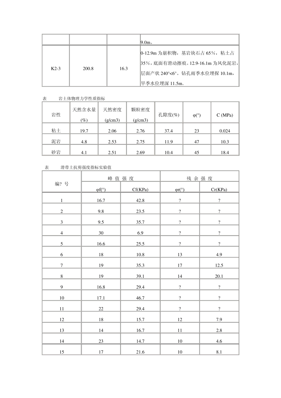
岩村滑坡稳定性评价 一、目的 学会滑坡机理分析、稳定性定价和定量计算的基本方法,了解滑带土抗剪强度指标选择的基本途径,掌握滑坡防治工程要点。 二、滑坡概况 l、自始地理 岩村滑坡位于四川盆地某城市市中区,地处长江和佳江的交汇地带,呈半岛状,土地资源十分紧张。在经济建设迅速发展的 80 年代,市中区斜坡土地得到了大量的利用,交通线路不断改进,高层建筑逐渐增多。但与此同时滑坡灾害事件也日趋严重,岩村滑坡就是灾害之一。 该地区属于亚热带气候,温暖潮湿,雨量充沛,多年平均降雨量在 1200mm 以上,并常有暴雨出现。长江和佳江是市中区两大地表水系,水位年平均变化幅度达20m 以上,平均低水位 158m,高水位 181m,1981 年为百年一遇的特大洪水,水位达193m,正在筹建中的三峡工程,按175m 蓄水方案修建大坝,该地区最高拱水位将达205m 左右。 2、地质概况 滑坡区基岩地质构造属川东隔档式褶皱中的一复向斜内部,岩层产状平缓,倾角10°以下,倾向在 SW200°~270°范围变化。无明显的断裂构造,优势节理产状:75°<82°;346°<81°,263°<85°。 基岩地层为侏罗系(J25)泥岩砂岩互层,为内陆河潮沉积,呈紫红色。相对坚硬的砂岩组成了滑坡区的上部平台状地形,泥岩及崩积物则组成斜坡主体。崩积物(Q4col)主要由砂岩块石及泥岩风化粘土组成,厚度分布特点是斜坡上部薄,中前部相对较厚。人工堆石为近期在砂岩体中开挖地下洞室而堆弃于斜坡后部的基岩大块石。 滑坡区属河流侵蚀、剥蚀的低山丘陵地貌,斜坡顷部为平台,河谷岸坡的坡度由上至下逐渐变缓,在纵剖面上呈内凹的地形。 下伏基岩相对不透水,为弱含水层。据洞室调查,基岩洞室绝大多数为干洞,偶见裂隙有渗水现象。斜坡地带入渗的地表水则汇集于基岩顷面,形成崩积层中的上层滞水。 该地区新构造运动不强烈,属受活断裂包围的稳定地块,地震基本烈度为Ⅵ度。 3、滑坡特征 滑坡主滑方向为NW 方向,后缘有一系列 NE-SW 方向的拉张裂缝,居民建筑物受到严重影响。据调查,人工洞室开挖于 1970-1980 年之间,地面裂缝最早发现在 1981 年。1981年四川盆地普降暴雨,江河水位达百年一遇特大水位。目前,滑坡的活动已严重威胁经由滑坡区的主干公路的正常通车。滑坡现处于蠕滑阶段,且在每年的雨季,位移明显增大。 表4-1 钻孔地质描述 钻孔号 孔口标高(m) 孔深(m) 地质描述及水位观测 K1-1 248.1 15.0 0-7.9m 为长石石英砂岩...

1、当您付费下载文档后,您只拥有了使用权限,并不意味着购买了版权,文档只能用于自身使用,不得用于其他商业用途(如 [转卖]进行直接盈利或[编辑后售卖]进行间接盈利)。
2、本站所有内容均由合作方或网友上传,本站不对文档的完整性、权威性及其观点立场正确性做任何保证或承诺!文档内容仅供研究参考,付费前请自行鉴别。
3、如文档内容存在违规,或者侵犯商业秘密、侵犯著作权等,请点击“违规举报”。

碎片内容

岩村滑坡稳定性评价

您可能关注的文档

确认删除?
VIP
微信客服
  • 扫码咨询
会员Q群
  • 会员专属群点击这里加入QQ群
客服邮箱
回到顶部