电脑桌面
添加小米粒文库到电脑桌面
安装后可以在桌面快捷访问

工业设备及管道防腐蚀工程有关规范(2011年版)若干用表VIP免费

工业设备及管道防腐蚀工程有关规范(2011年版)若干用表_第1页
1/20
工业设备及管道防腐蚀工程有关规范(2011年版)若干用表_第2页
2/20
工业设备及管道防腐蚀工程有关规范(2011年版)若干用表_第3页
3/20
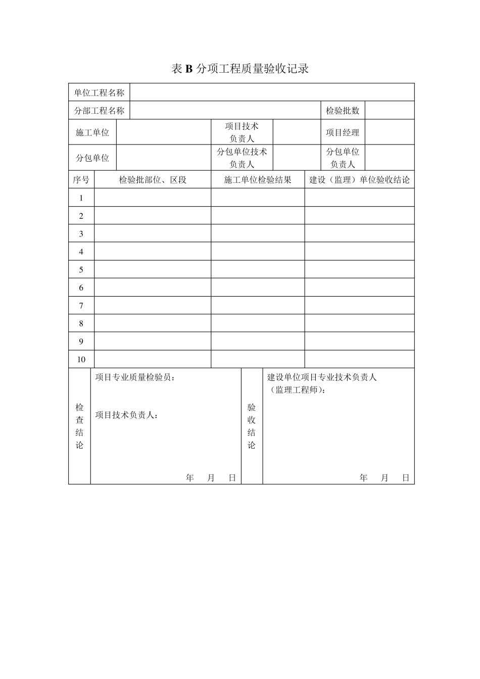
表A 检验批质量验收记录 单位工程名称 分项工程名称 验收部位 施工单位 分项技术负责人 项目经理 分包单位 分包技术负责人 分包项目 负责人 施工执行标准 名称及编号 施工质量验收规范规定 施工单位自检记录 建设(监理)单位验收记录 主 控 项 目 1 2 3 4 一 般 项 目 项目 1 2 3 4 5 检查结果 主控项目 一般 项目 检查项目 检查 项,其中合格 项,合格率 % 其它 施工单位 检查结果 项目专业质量检查员: 年 月 日 建设(监理) 单位验收结论 建设单位项目专业技术负责人: (监理工程师) 年 月 日 表B 分项工程质量验收记录 单位工程名称 分部工程名称 检验批数 施工单位 项目技术 负责人 项目经理 分包单位 分包单位技术 负责人 分包单位 负责人 序号 检验批部位、区段 施工单位检验结果 建设(监理)单位验收结论 1 2 3 4 5 6 7 8 9 1 0 检查结论 项目专业质量检验员: 项目技术负责人: 年 月 日 验收结论 建设单位项目专业技术负责人 (监理工程师): 年 月 日 表C 分部(子分部)工程质量验收记录 单位工程名称 施工单位 项目技术 负责人 项目经理 分包单位 分包技术负责人 分包项目负责人 序号 分项工程名称 检验批数 施工单位 检查意见 建设(监理)单位 验收结论 1 2 3 4 5 6 7 8 9 1 0 参 加 验 收 单 位 建设单位 监理单位 施工单位 设计单位 项目负责人: 项目技术负责人: 年 月 日 总监理工程师: 年 月 日 项目负责人: 项目技术负责人: 年 月 日 项目负责人: 年 月 日 表D 质量保证资料核查记录 单位工程名称 施工单位 序号 资料名称 份数 核查意见 核查人 1 各种原材料的出厂合格证、质量证明书或复验报告 2 材料配合比和主要性能的检测报告 3 设计变更单、材料代用单 4 基体检查交接记录 5 中间交接记录 6 隐蔽工程施工记录 7 修补或返工记录 8 交工验收记录 9 1 0 1 1 结论: 施工单位项目负责人: 年 月 日 建设单位项目负责人: (总监理工程师) 年 月 日 注:1 有特殊要求的可据实增加核查项目。 2 质量证明书、合格证、试(检)验单或记录内容应齐全、准确、真实;复印件应注明原件存放单位,并有复印件单位的签字和盖章。 单位(子单位)工程质量验收记录 工程名称 施工单位 开工日期 项目经理 项...

1、当您付费下载文档后,您只拥有了使用权限,并不意味着购买了版权,文档只能用于自身使用,不得用于其他商业用途(如 [转卖]进行直接盈利或[编辑后售卖]进行间接盈利)。
2、本站所有内容均由合作方或网友上传,本站不对文档的完整性、权威性及其观点立场正确性做任何保证或承诺!文档内容仅供研究参考,付费前请自行鉴别。
3、如文档内容存在违规,或者侵犯商业秘密、侵犯著作权等,请点击“违规举报”。

碎片内容

工业设备及管道防腐蚀工程有关规范(2011年版)若干用表

确认删除?
VIP
微信客服
  • 扫码咨询
会员Q群
  • 会员专属群点击这里加入QQ群
客服邮箱
回到顶部