电脑桌面
添加小米粒文库到电脑桌面
安装后可以在桌面快捷访问

工业通风课程设计VIP免费

工业通风课程设计_第1页
1/12
工业通风课程设计_第2页
2/12
工业通风课程设计_第3页
3/12
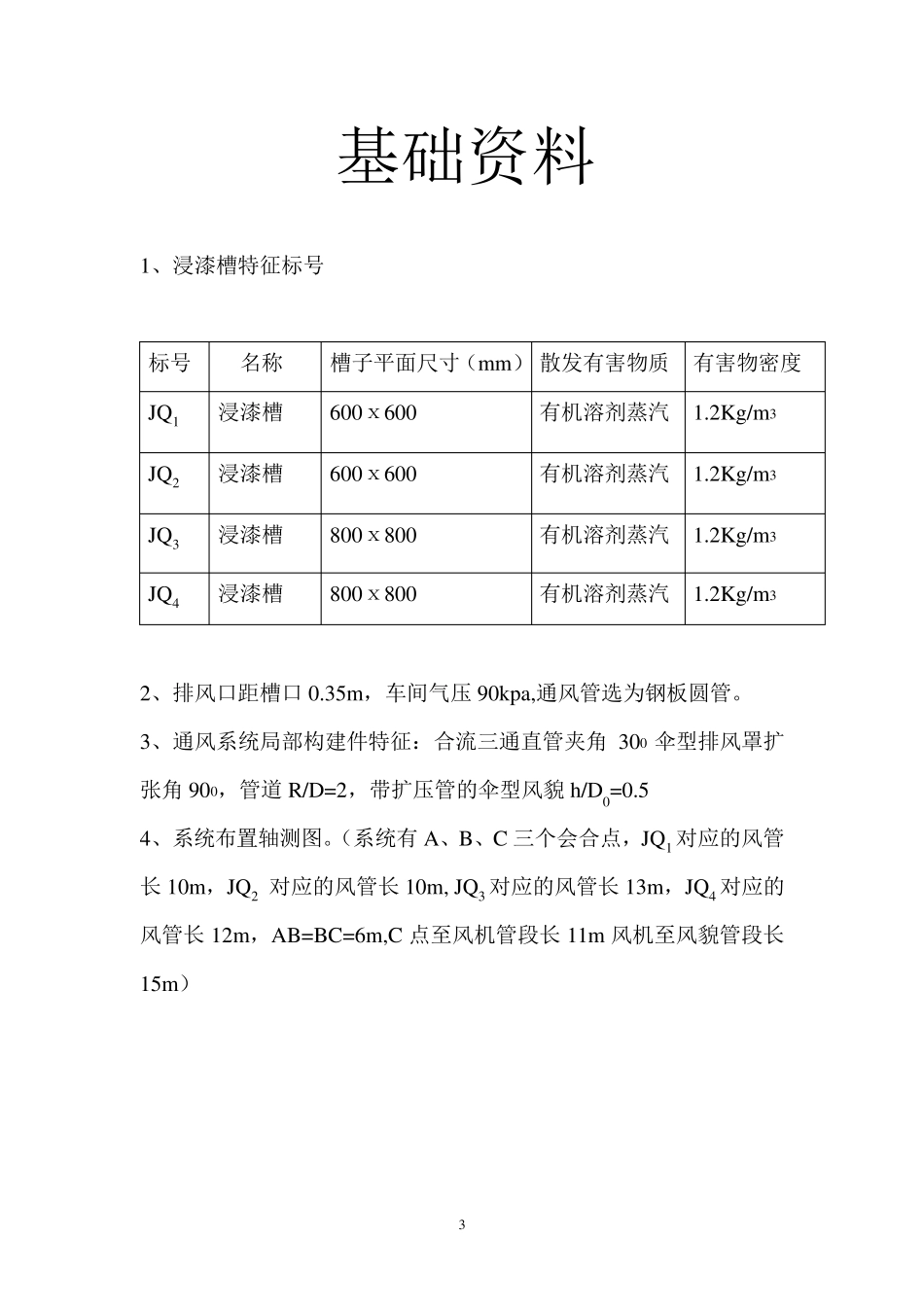
1 前言 工业通风在现代工业中有着重要的作用,一方面起着改善居住建筑和生产车间的空气条件,保护人民健康、提高劳动生产率的重要作用,另一方面在许多工业部门又是保证生产正常的进行,提高产品质量所不可缺少的一个组成部分。 工业通风的只要任务是,控制生产的不断发展,散发的工业有害物日益增加,这些有害物如果不进行处理,会严重污染室内空气环境,对人民身体健康造成极大危害。大气污染影响范围广,后果更加严重,为了广大人民群众创造良好的劳动和生活环境是我们通风工程科研、设计和施工工作人员的崇高职责。 2 目录 前言………………………………………………………………………1 基础资料…………………………………………………………………2 局部排风罩的选取与计算………………………………………………3 通风管道水力计算………………………………………………………4 选择合适风机…………………………………………………………11 结论……………………………………………………………………12参考文献………………………………………………………………12 3 基础资料 1、浸漆槽特征标号 标号 名称 槽子平面尺寸(mm) 散发有害物质 有害物密度 JQ1 浸漆槽 600ⅹ600 有机溶剂蒸汽 1.2Kg/m3 JQ2 浸漆槽 600ⅹ600 有机溶剂蒸汽 1.2Kg/m3 JQ3 浸漆槽 800ⅹ800 有机溶剂蒸汽 1.2Kg/m3 JQ4 浸漆槽 800ⅹ800 有机溶剂蒸汽 1.2Kg/m3 2、排风口距槽口 0.35m,车间气压 90kpa,通风管选为钢板圆管。 3、通风系统局部构建件特征:合流三通直管夹角 300 伞型排风罩扩张角 900,管道 R/D=2,带扩压管的伞型风貌 h/D0=0.5 4、系统布置轴测图。(系统有A、B、C 三个会合点,JQ1 对应的风管长 10m,JQ2 对应的风管长 10m, JQ3 对应的风管长 13m,JQ4 对应的风管长 12m,AB=BC=6m,C 点至风机管段长 11m 风机至风貌管段长15m) 4 局部排风罩的选择和计算 1、 浸漆车间采用外部吸气罩(前面有障碍物) 根据前面有障碍物外部吸气罩排风量计算 排风罩的吃催设计: JQ1 与JQ2 的吸气罩尺寸: A1=B1=a1+0.8H=0.6+0.8ⅹ0.35=0.88 m JQ3 与JQ4 的吸气罩尺寸: A2=B2=a2+0.8H=0.8+0.8ⅹ0.35=1.08 m 吸气罩的排风量 根据公式:L=KPHVx ( K=1.4) 控制点的控制风速Vx, Vx=0.25 m/s (根据表格3—3) JQ1 与JQ2 的吸气罩排风量分别为 L1,L2 L1=L2=1.4ⅹ2ⅹ(0.88+0...

1、当您付费下载文档后,您只拥有了使用权限,并不意味着购买了版权,文档只能用于自身使用,不得用于其他商业用途(如 [转卖]进行直接盈利或[编辑后售卖]进行间接盈利)。
2、本站所有内容均由合作方或网友上传,本站不对文档的完整性、权威性及其观点立场正确性做任何保证或承诺!文档内容仅供研究参考,付费前请自行鉴别。
3、如文档内容存在违规,或者侵犯商业秘密、侵犯著作权等,请点击“违规举报”。

碎片内容

工业通风课程设计

您可能关注的文档

确认删除?
VIP
微信客服
  • 扫码咨询
会员Q群
  • 会员专属群点击这里加入QQ群
客服邮箱
回到顶部